GM Service Manual Online
For 1990-2009 cars only
Makes
🢒
Chevrolet
🢒
2007
🢒
Vivant
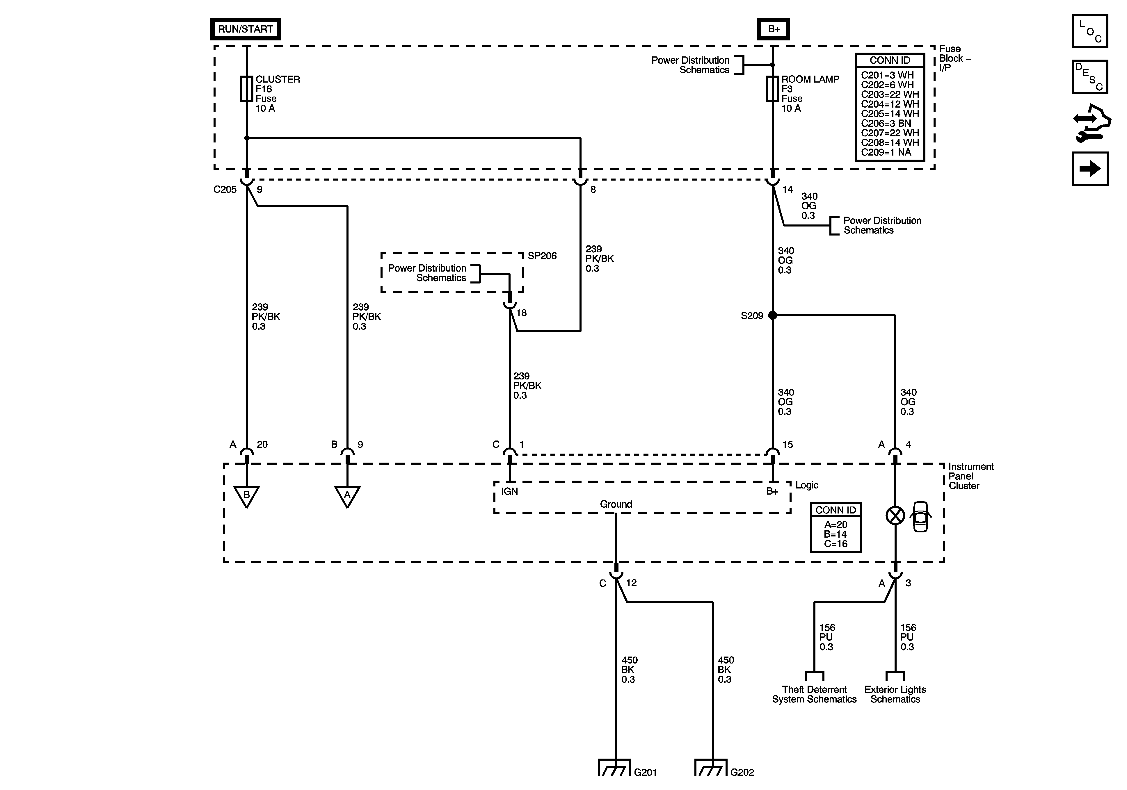
🢒 Power and Ground (LHD)
Power and Ground (LHD)
Power and Ground (LHD)