GM Service Manual Online
For 1990-2009 cars only

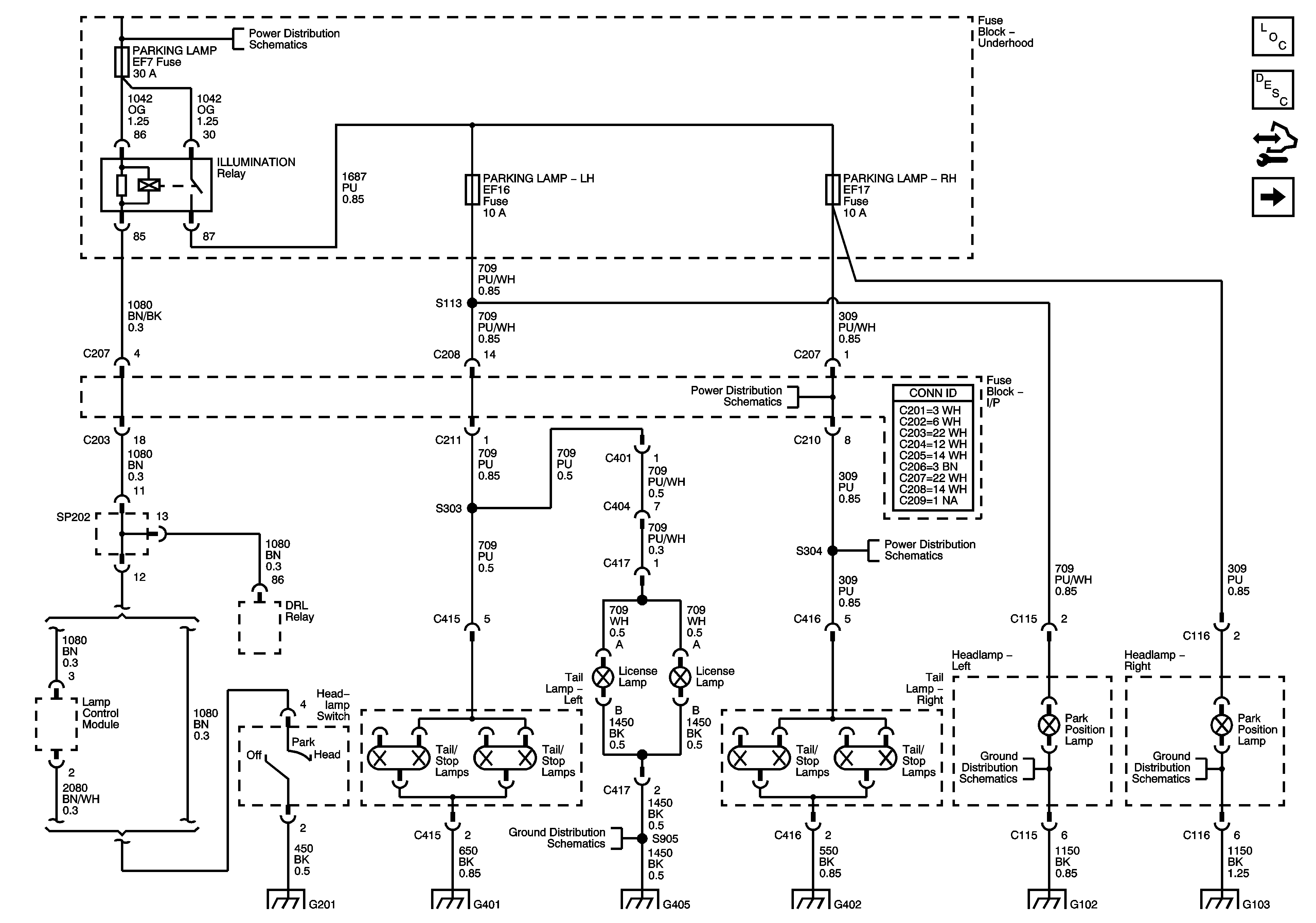
Park Lamps and License Plate Lamps (LHD)

Park Lamps and License Lamps (LHD)


Object Number: 1996517  Size: FS