GM Service Manual Online
For 1990-2009 cars only
Makes
🢒
Chevrolet
🢒
2007
🢒
Vivant
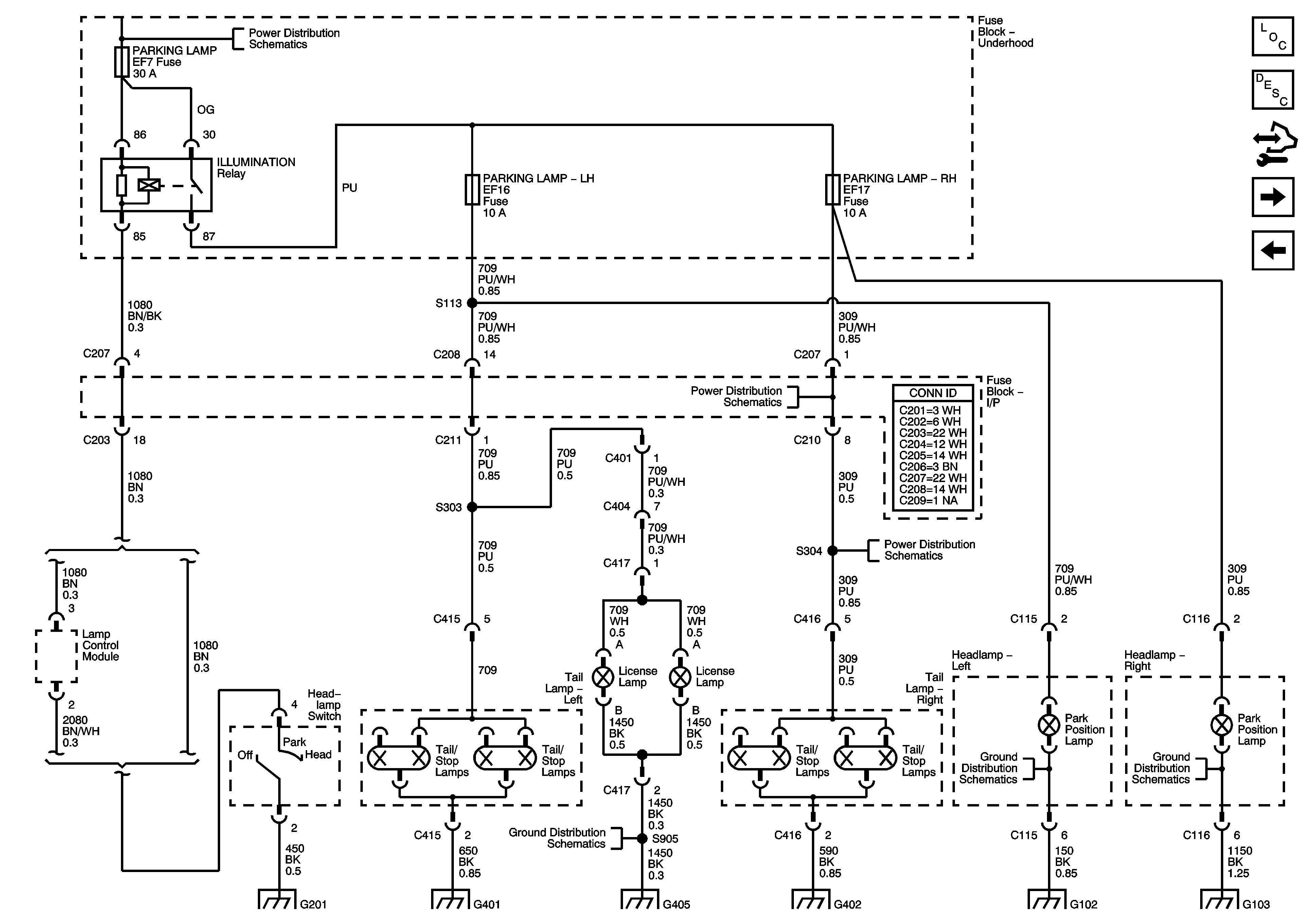
🢒 Park Lamps and Licence Plate Lamps (RHD)
Park Lamps and Licence Plate Lamps (RHD)
Park Lamps and License Lamps (RHD)