GM Service Manual Online
For 1990-2009 cars only
Makes
🢒
Chevrolet
🢒
2007
🢒
Vivant
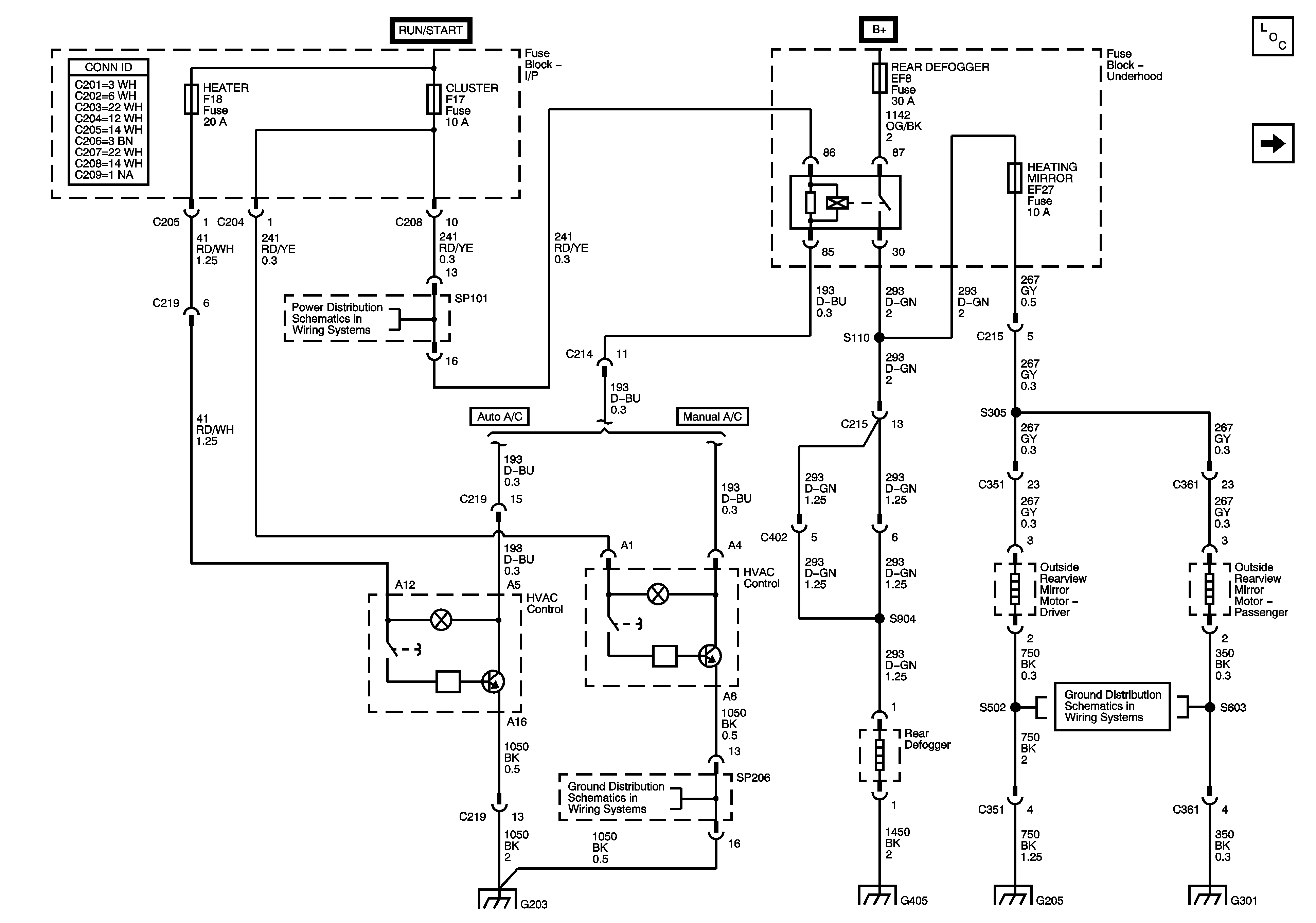
🢒 Rear Defogger and Outside Rearview Mirror (LHD)
Rear Defogger and Outside Rearview Mirror (LHD)
Rear Defogger and Outside Rear View Mirrors (LHD)
Master Electrical Component List
Rear Defogger and Outside Rearview Mirror (RHD)
Relay Ignition Fuse
G203
G301