GM Service Manual Online
For 1990-2009 cars only
Makes
🢒
Chevrolet
🢒
2007
🢒
Vivant
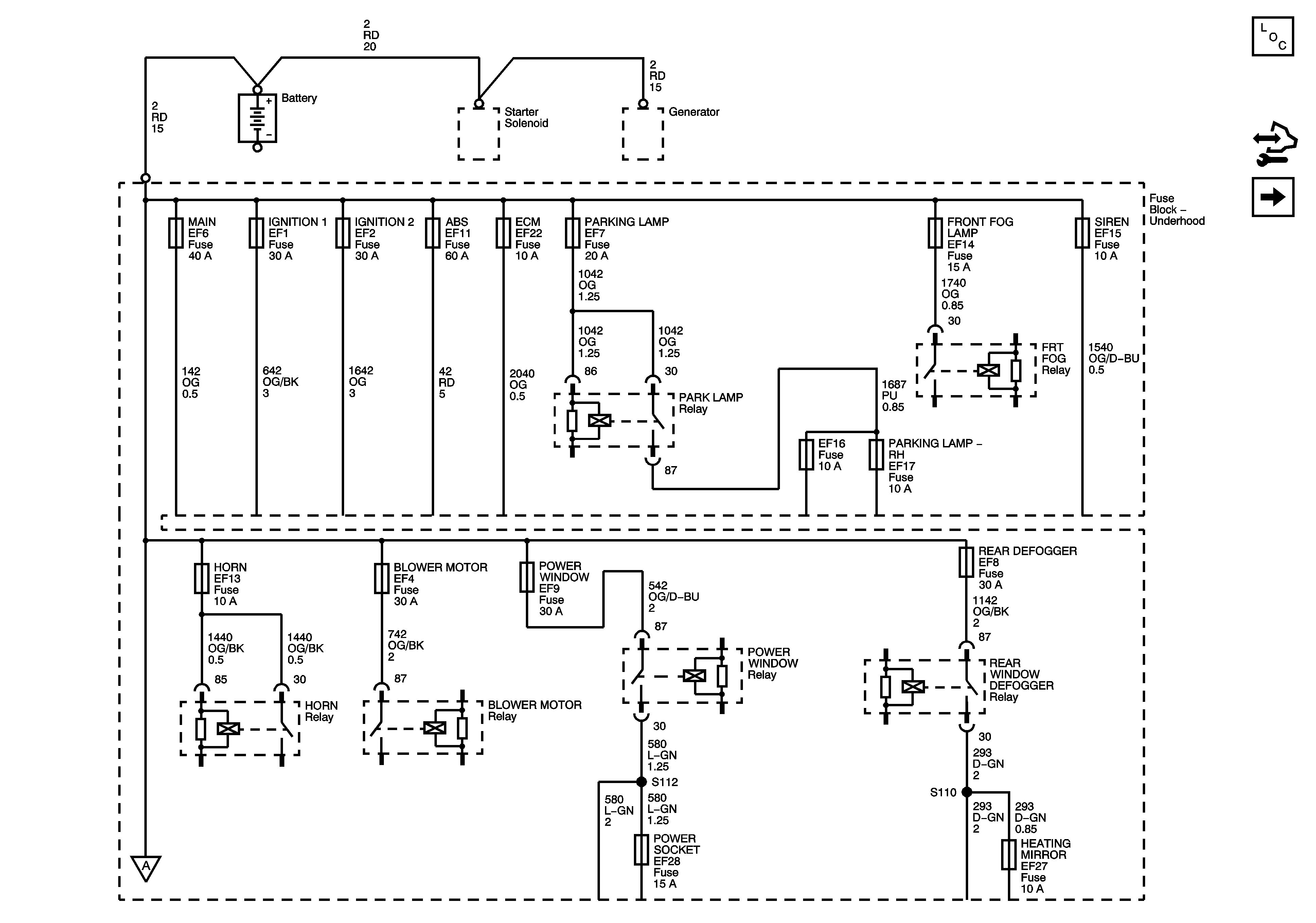
🢒 Underhood Fuse Block-Battery Feeds
Underhood Fuse Block-Battery Feeds
Fuse Block - Underhood B+ Bus, 1 of 2