GM Service Manual Online
For 1990-2009 cars only
Makes
🢒
Chevrolet
🢒
2007
🢒
Vivant
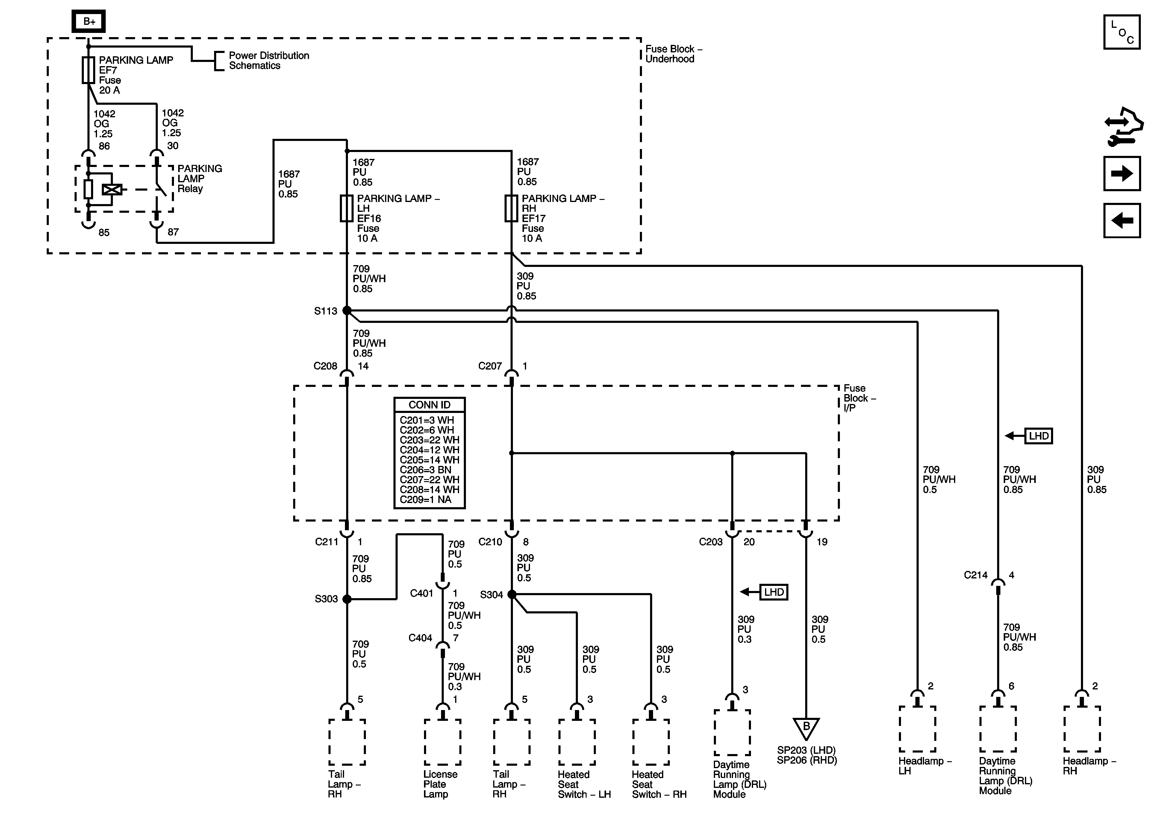
🢒 Parking Lamp LH, Parking Lamp RH Fuses, Parking Lamp Relay
Parking Lamp LH, Parking Lamp RH Fuses, Parking Lamp Relay
Fuse Block - Underhood PARKING LAMP Fuses, PARKING LAMP Relay