GM Service Manual Online
For 1990-2009 cars only
Makes
🢒
Chevrolet
🢒
2007
🢒
Vivant
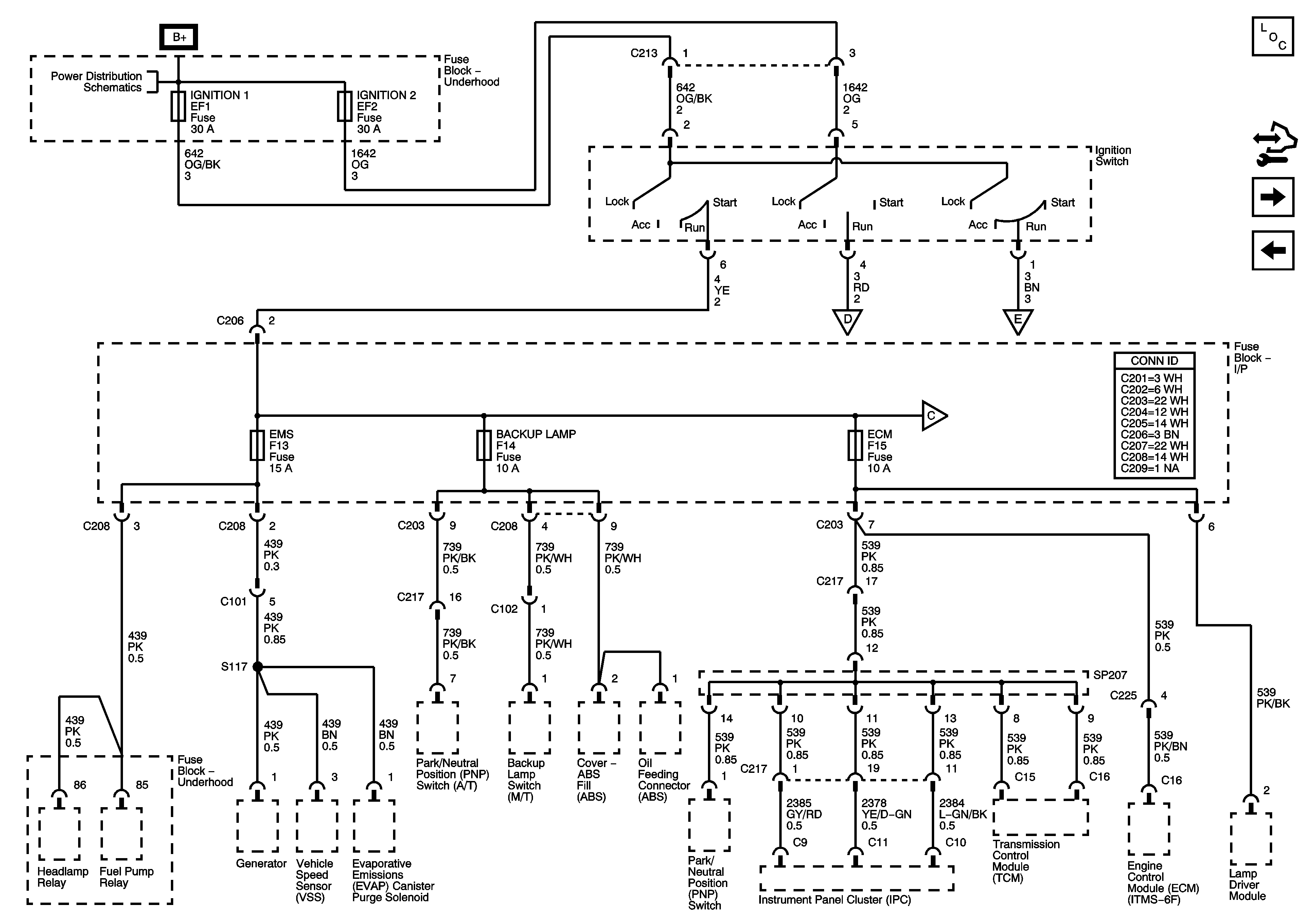
🢒 Ignition 1 and 2 Fuses (ITMS-6F)
Ignition 1 and 2 Fuses (ITMS-6F)
Fuse Block - Underhood IGNITION 1, IGNITION 2 Fuses and Ignition Switch (ITMS-6F)