GM Service Manual Online
For 1990-2009 cars only
Makes
🢒
Chevrolet
🢒
2007
🢒
Vivant
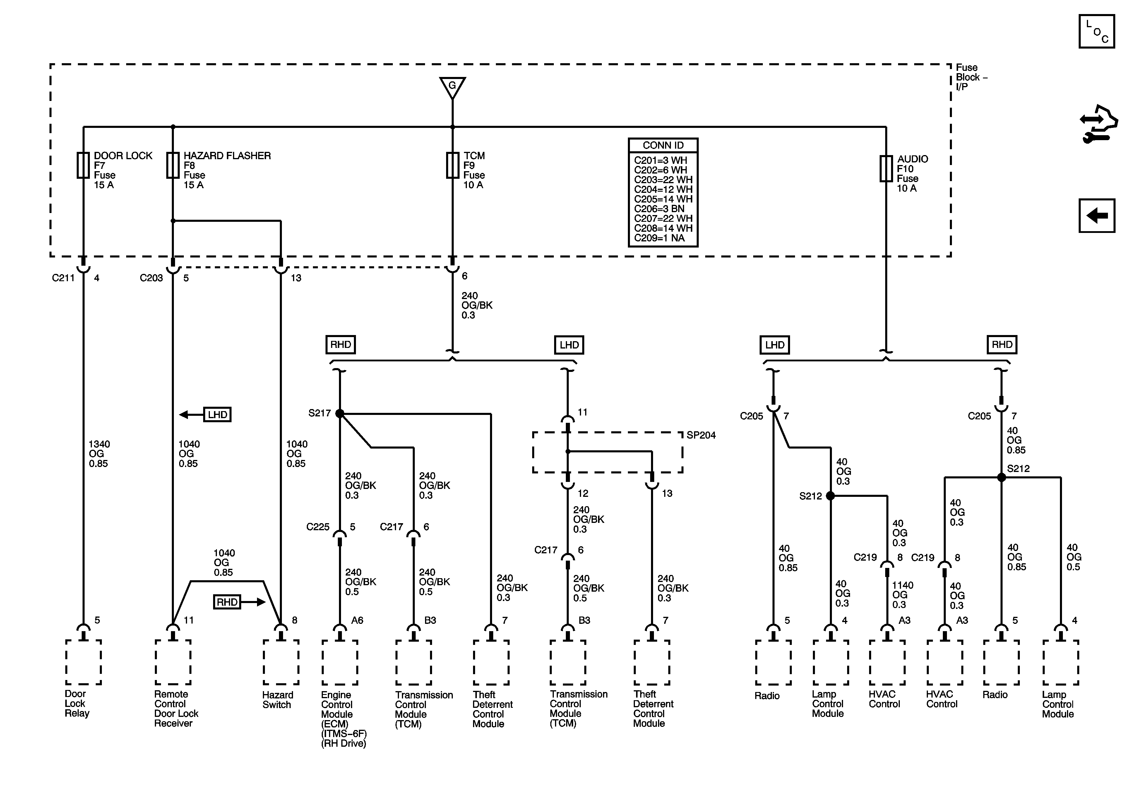
🢒 Door Lock, Hazard Flasher, TCM and Audio Fuses
Door Lock, Hazard Flasher, TCM and Audio Fuses
Fuse Block - I/P DOOR LOCK, HAZARD FLASHER, TCM, AUDIO Fuses