GM Service Manual Online
For 1990-2009 cars only

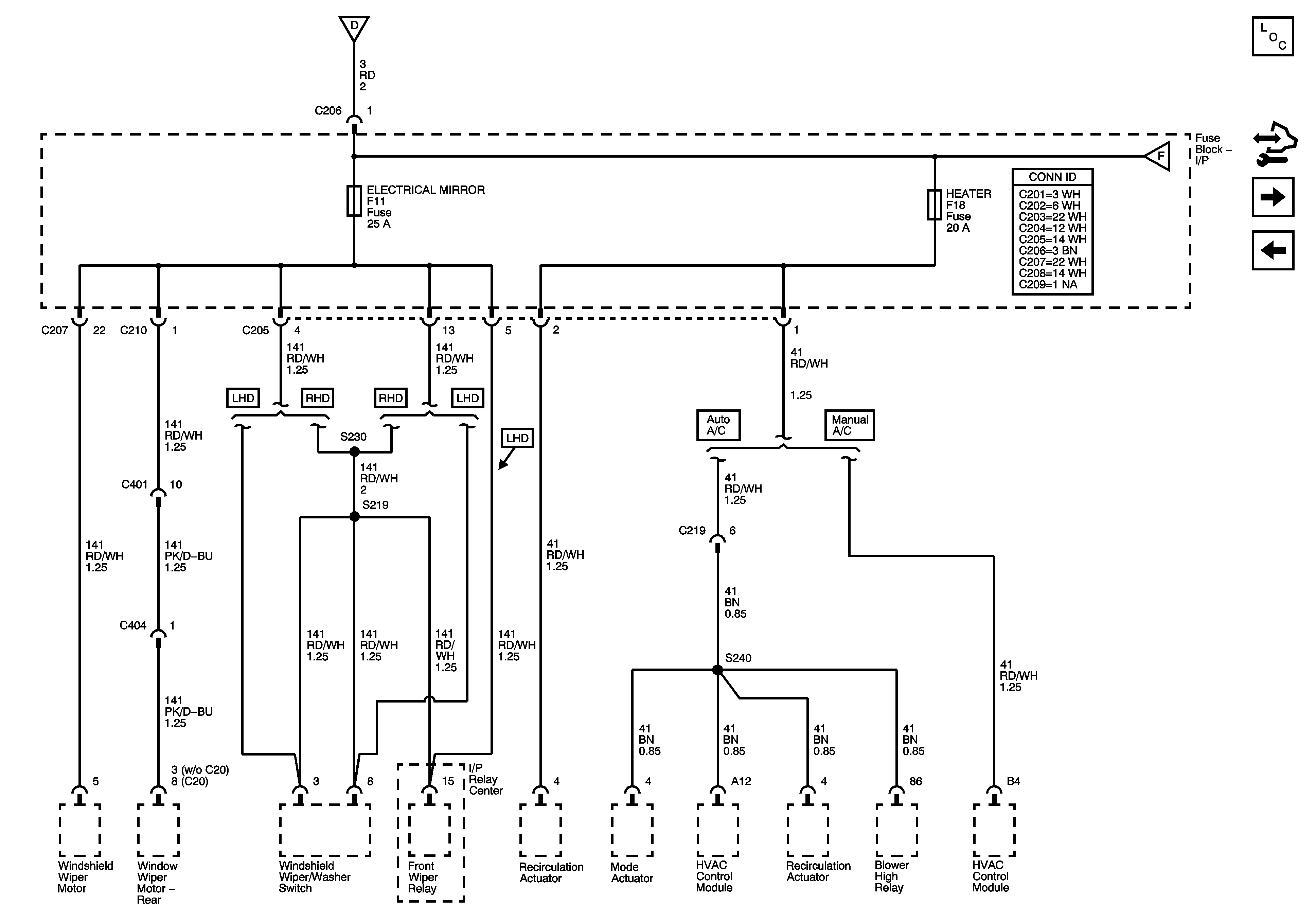
Electrical Mirror and Heater Fuses (RHD)

Fuse Block - I/P ELECTRICAL MIRROR, HEATER Fuses


Object Number: 1997345  Size: FS