GM Service Manual Online
For 1990-2009 cars only
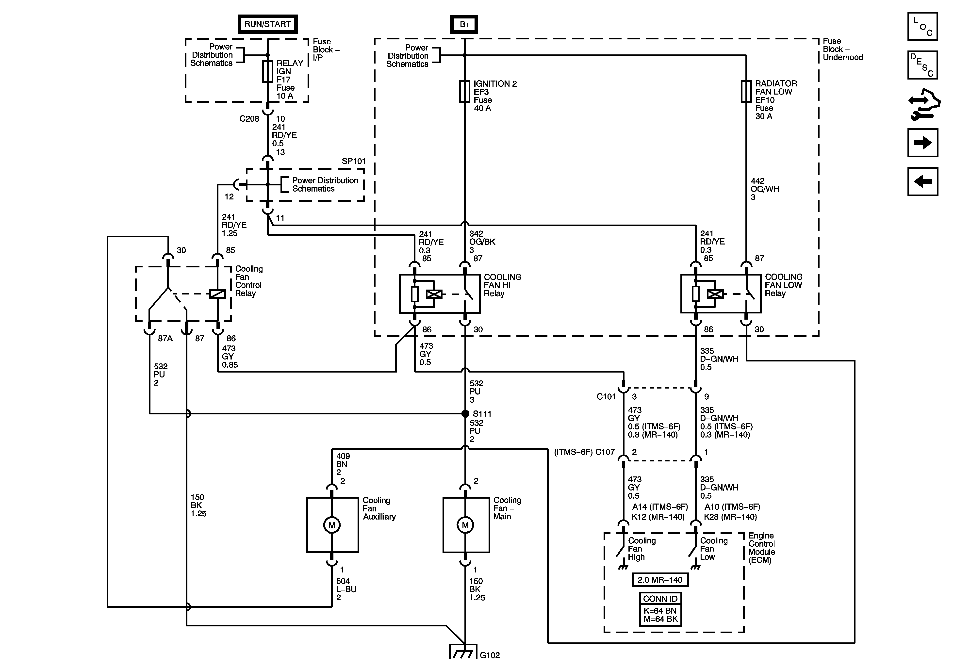
Figure 1:

Dual Fans (ITMS-6F/MR-140)


Object Number: 2023573  Size: FS
Master Electrical Component List
Cooling System Description and Operation
Control Module References
Single Fan (Sirius D4)
Fuse Block - I/P RELAY IGN Fuse
Fuse Block - Underhood B+ Bus, 2 of 2
Fuse Block - I/P RELAY IGN Fuse
Figure 2:

Signal Fan (Sirius D4)


Object Number: 1346321  Size: FS
Master Electrical Component List
Dual Fans (ITMS-6F/MR-140)
Fuse Block - Underhood IGNITION 1, IGNITION 2 Fuses, Ignition Switch (Sirius)
Fuse Block - Underhood IGNITION 1, IGNITION 2 Fuses, Ignition Switch (Sirius)