GM Service Manual Online
For 1990-2009 cars only
Makes
🢒
Chevrolet
🢒
2008
🢒
Vivant
🢒
Engine
🢒
Engine Electrical
🢒 Starting and Charging Schematics
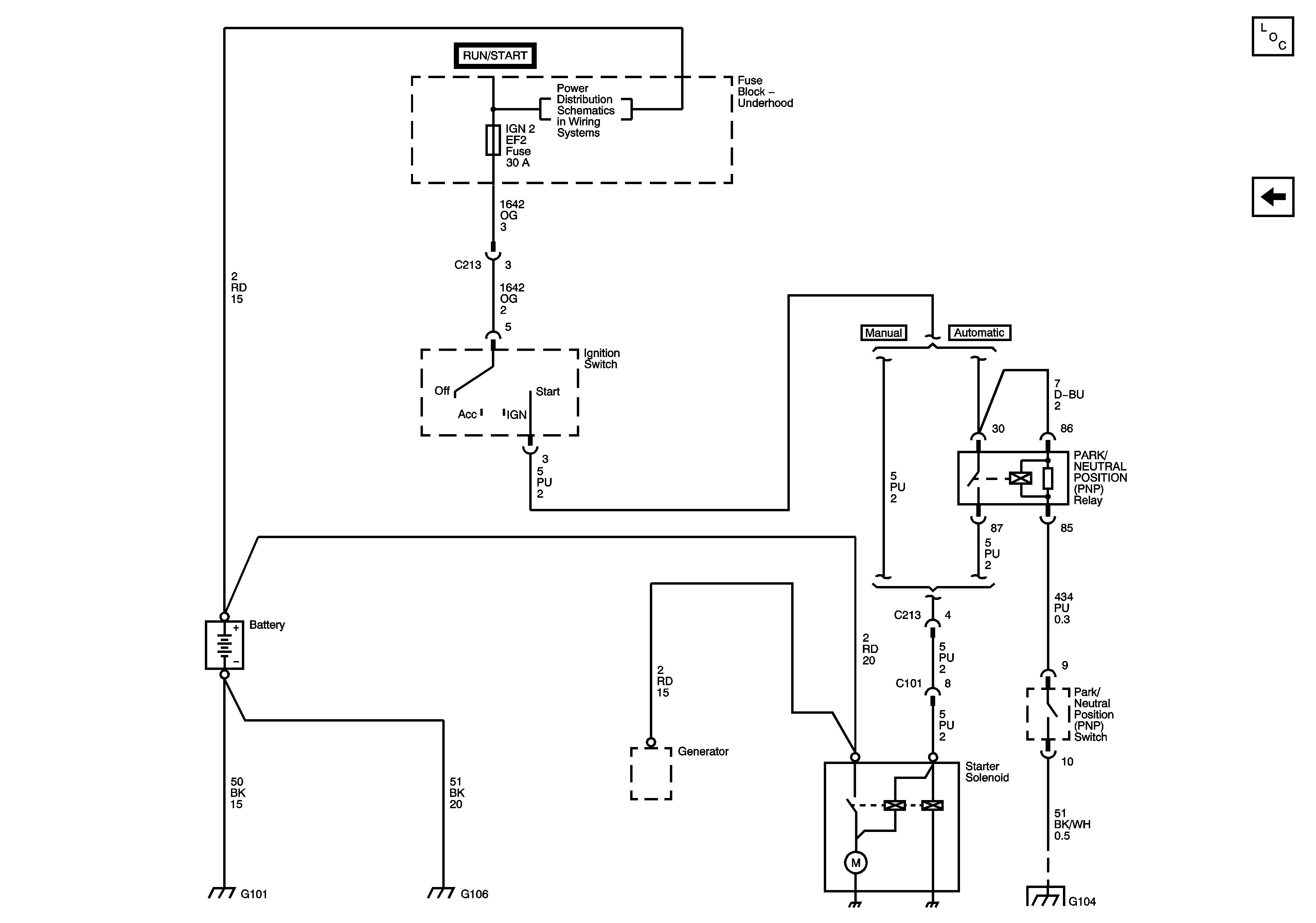
Figure
1:
Starting
Master Electrical Component List
Charging
Fuse Block - Underhood B+ Bus, 1 of 2
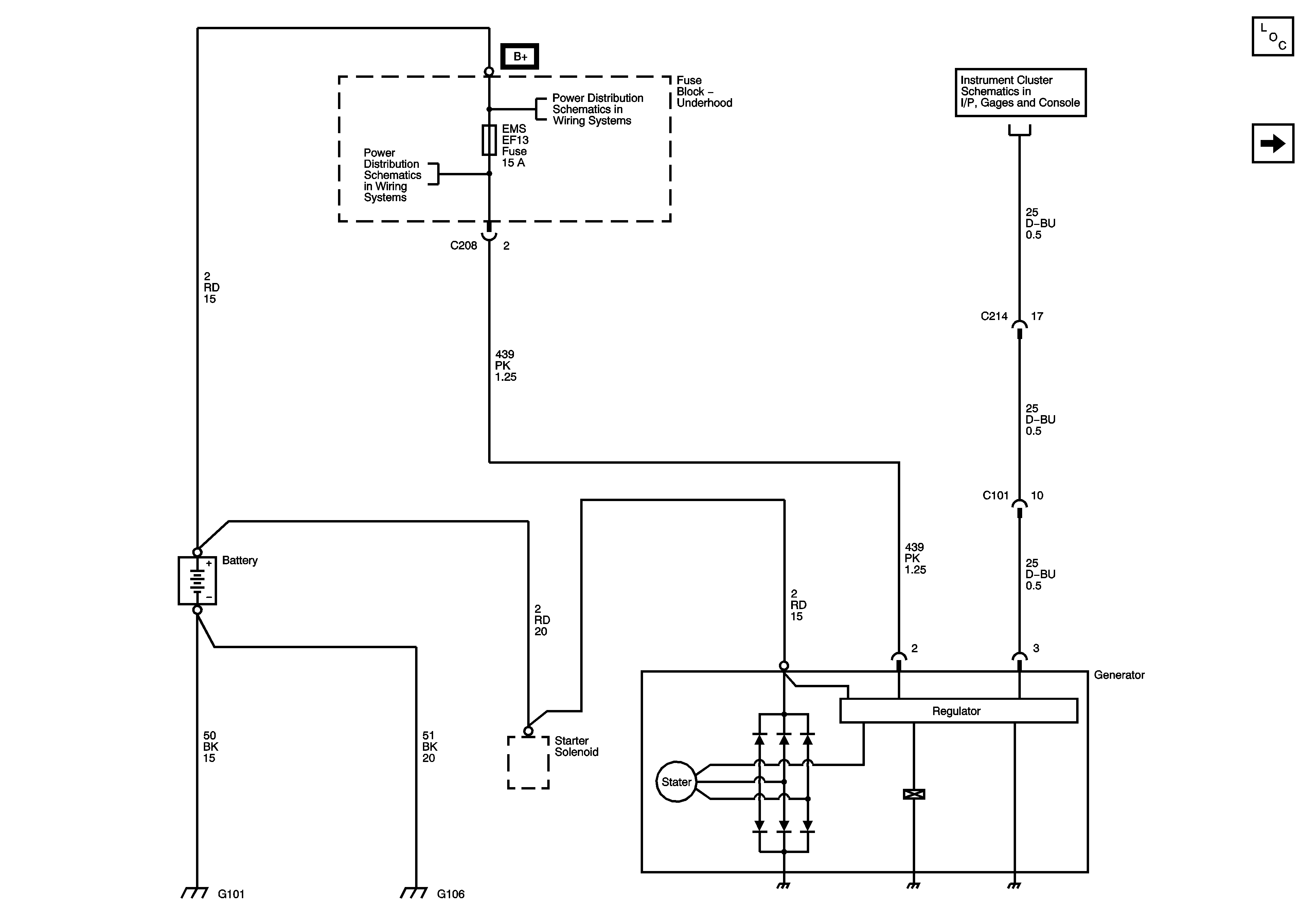
Figure
2:
Charging
Master Electrical Component List
Starting
Fuse Block - Underhood B+ Bus, 1 of 2
Fuse Block - Underhood ENGINE MAIN, ENG 1, ENG 2, HEATING MAT Fuses, ENGINE and HEADLAMP Relays (MR-140)
Fuse Block - I/P CLUSTER, AIR BAG, TURN SIGNAL, CRUISE Fuses (LHD)