GM Service Manual Online
For 1990-2009 cars only
Makes
🢒
Chevrolet
🢒
2008
🢒
Vivant
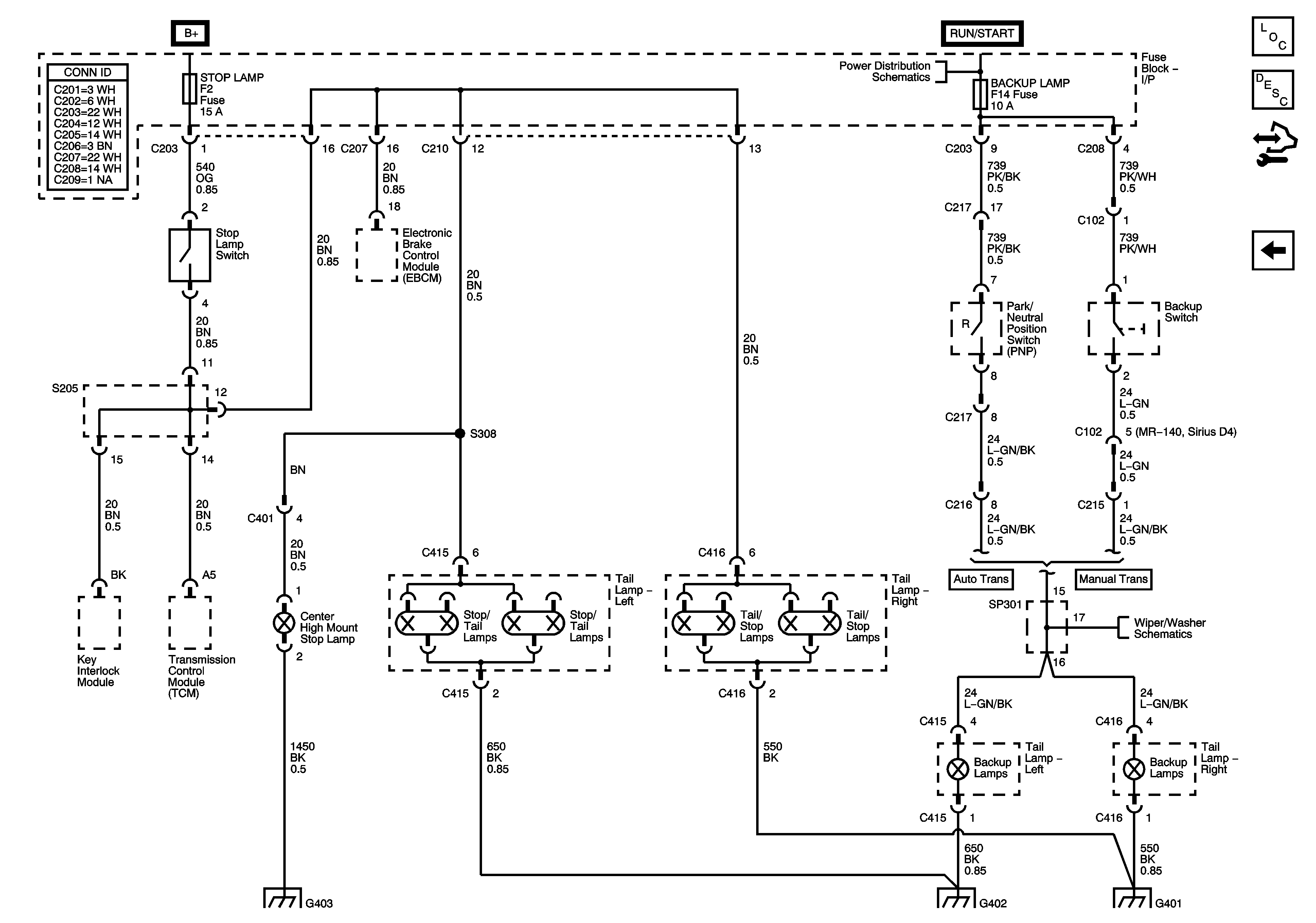
🢒 Stop Lamps and Backup Lamps
Stop Lamps and Backup Lamps
Stop Lamps and Backup Lamps