GM Service Manual Online
For 1990-2009 cars only
Makes
🢒
Chevrolet
🢒
2008
🢒
Vivant
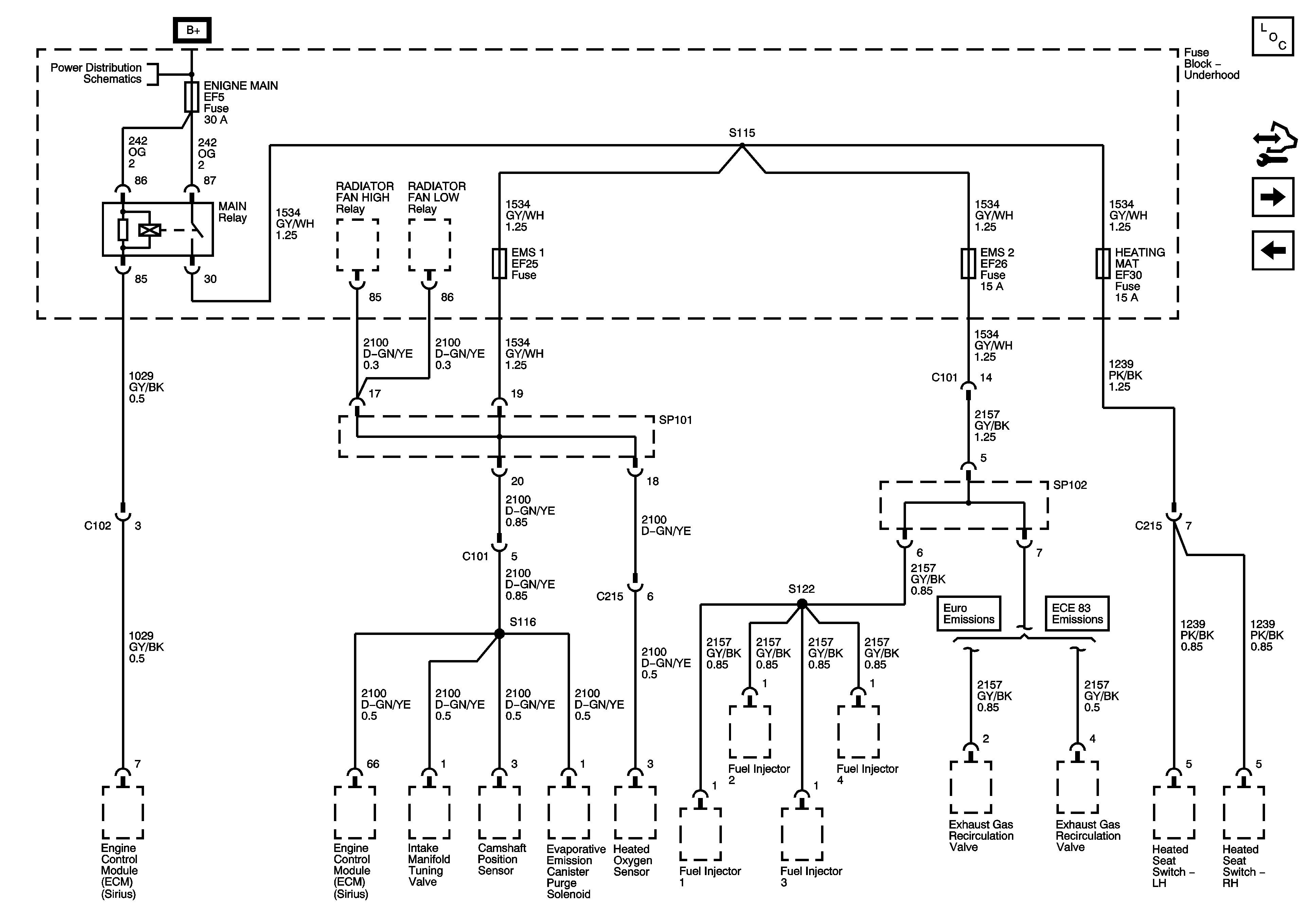
🢒 Fuse Block - Underhood ENGINE MAIN, EMS 1, EMS 2, HEATING MAT Fuses and MAIN Relay (Sirius)
Fuse Block - Underhood ENGINE MAIN, EMS 1, EMS 2, HEATING MAT Fuses and MAIN Relay (Sirius)
Fuse Block - Underhood ENGINE MAIN, EMS 1, EMS 2, HEATING MAT Fuses and MAIN Relay (Sirius)