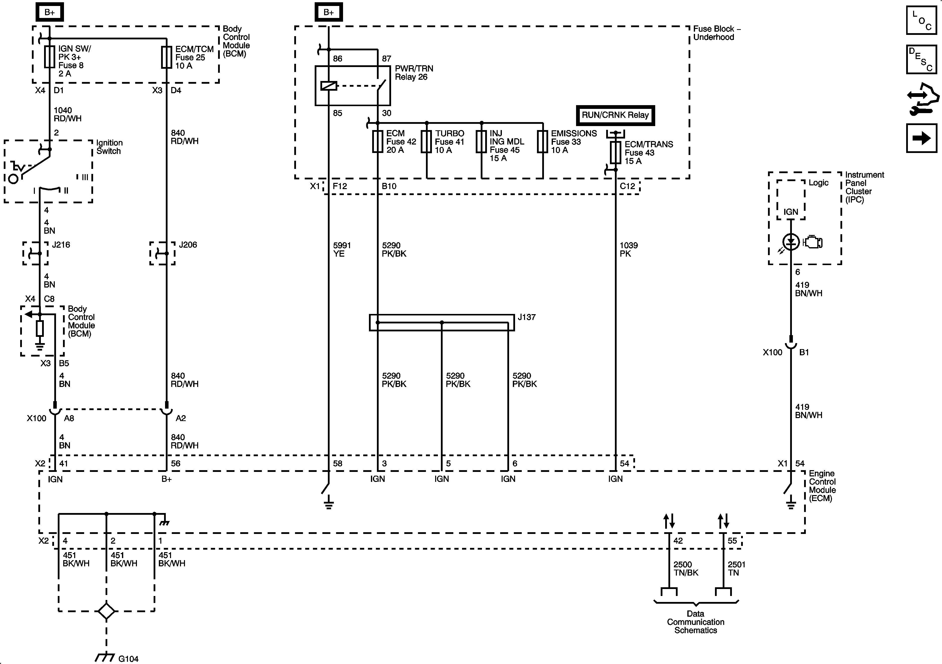
| Figure 1: |
Power, Ground, Data Link, and MIL
|
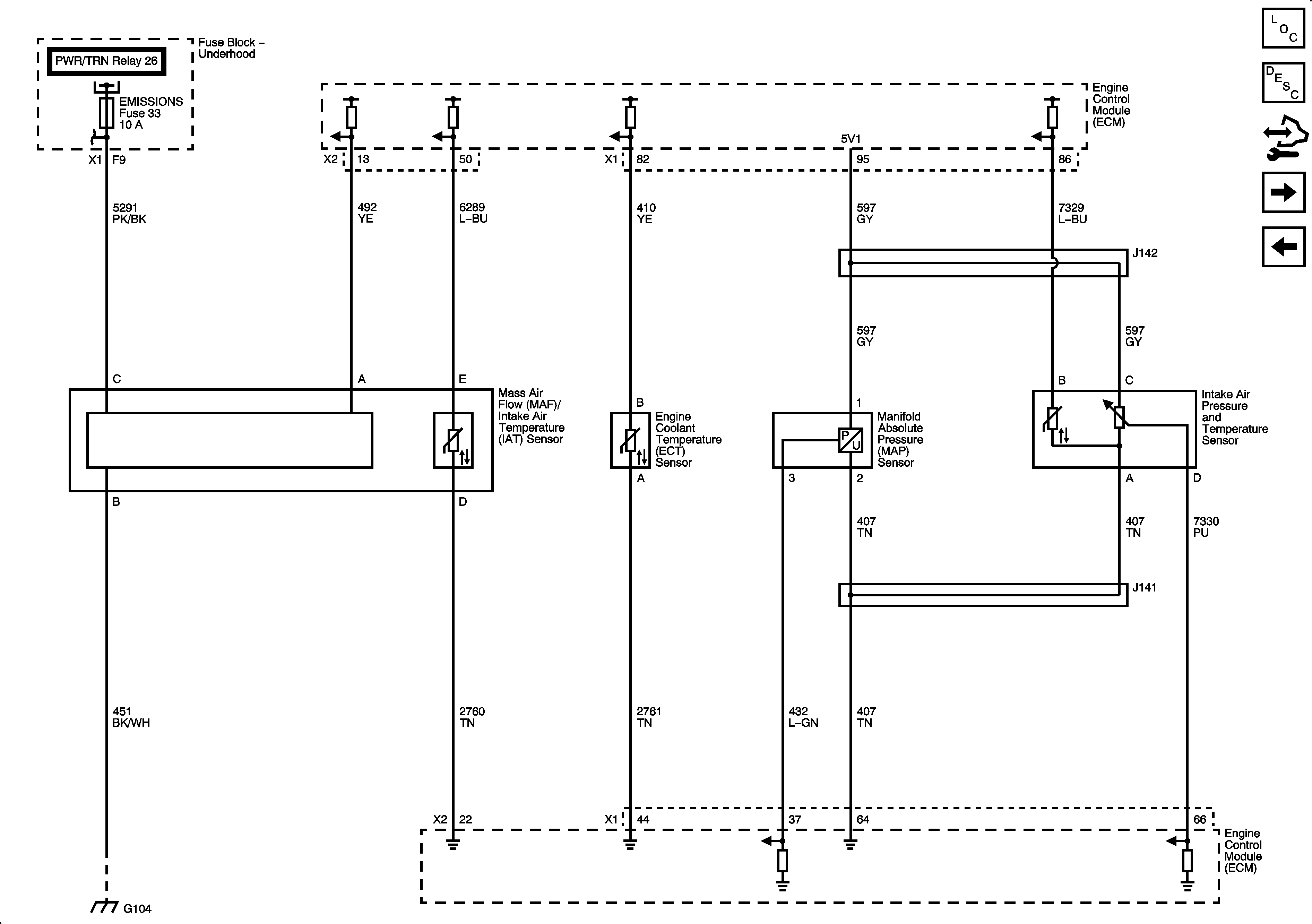
| Figure 2: |
5-Volt and Low Reference
|
| Figure 3: |
Engine Data Sensors - Pressure and Temperature
|
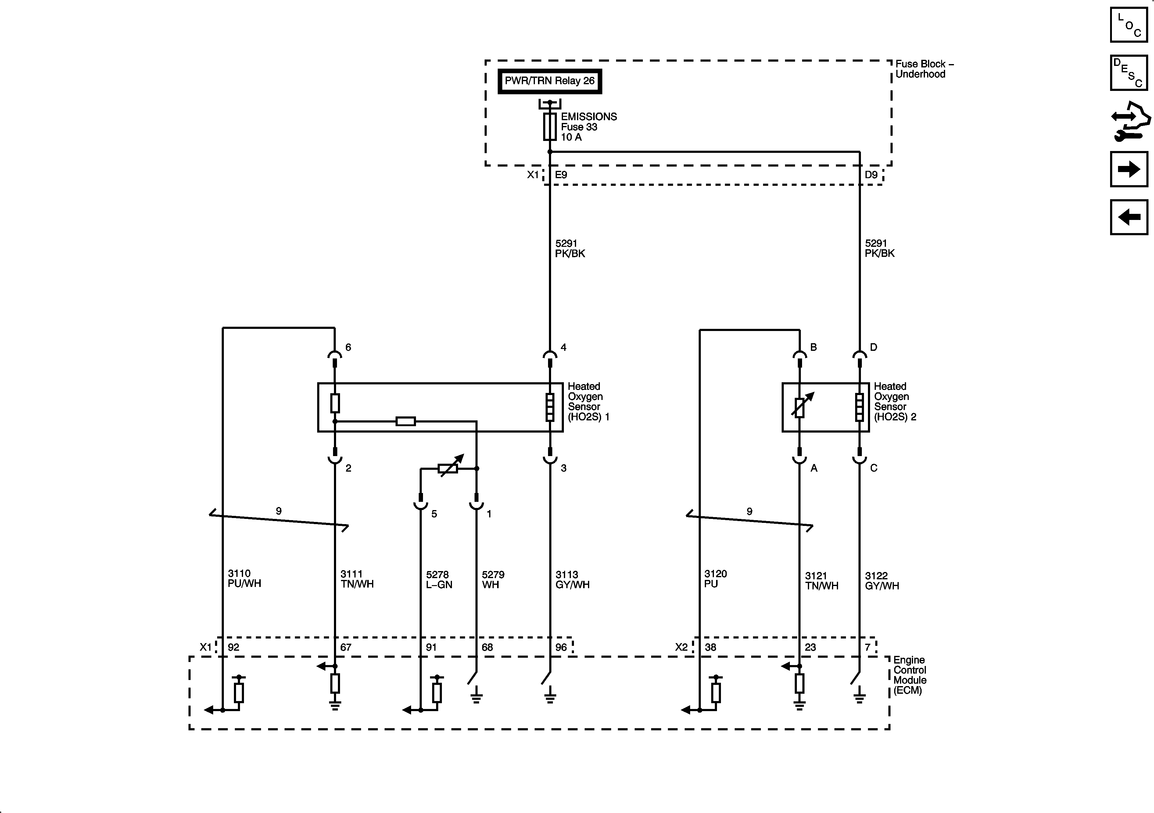
| Figure 4: |
Engine Data Sensors - Oxygen Sensors
|
| Figure 5: |
Engine Data Sensors - Electronic Throttle Controls
|
| Figure 6: |
Ignition Controls - Sensors
|
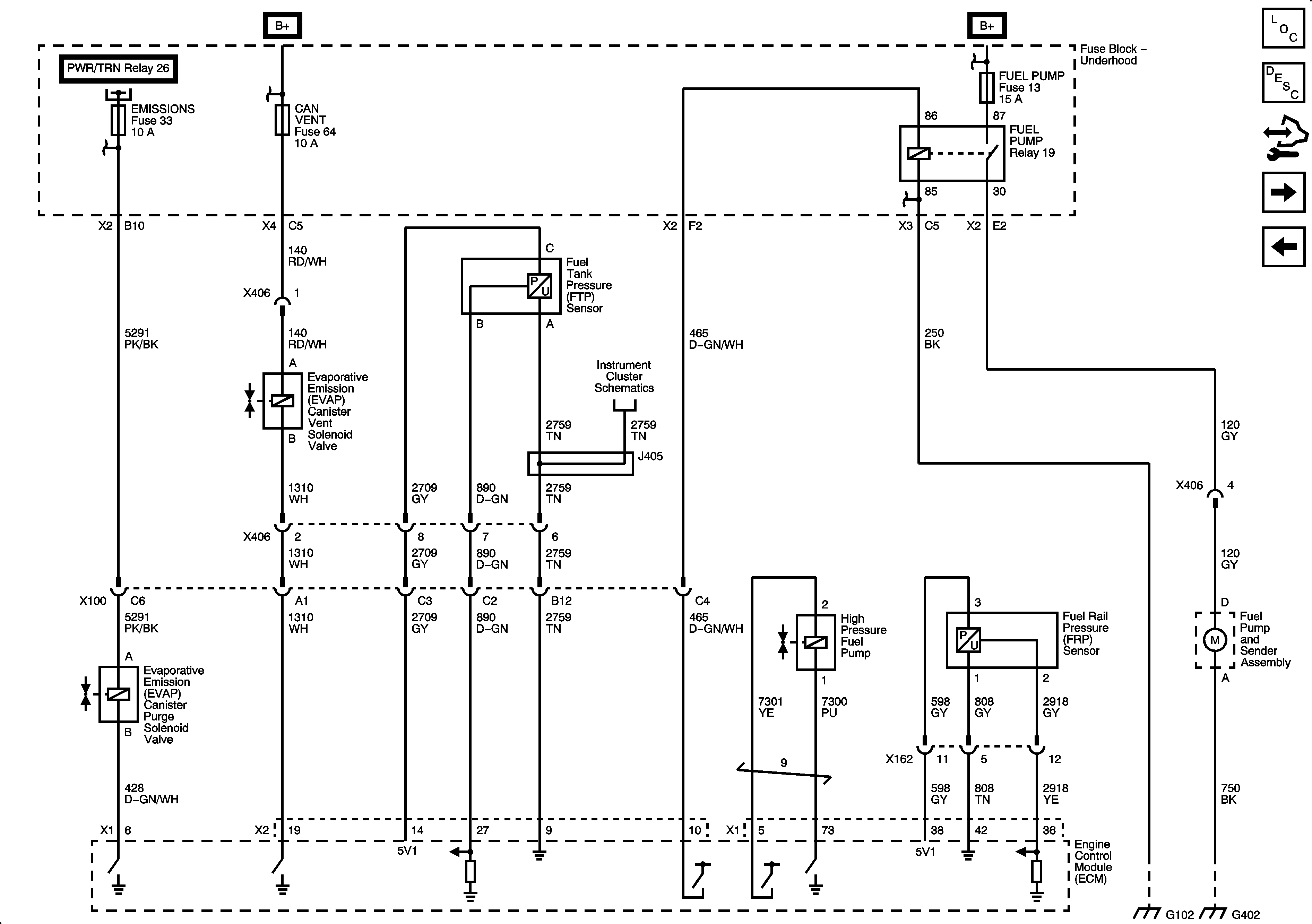
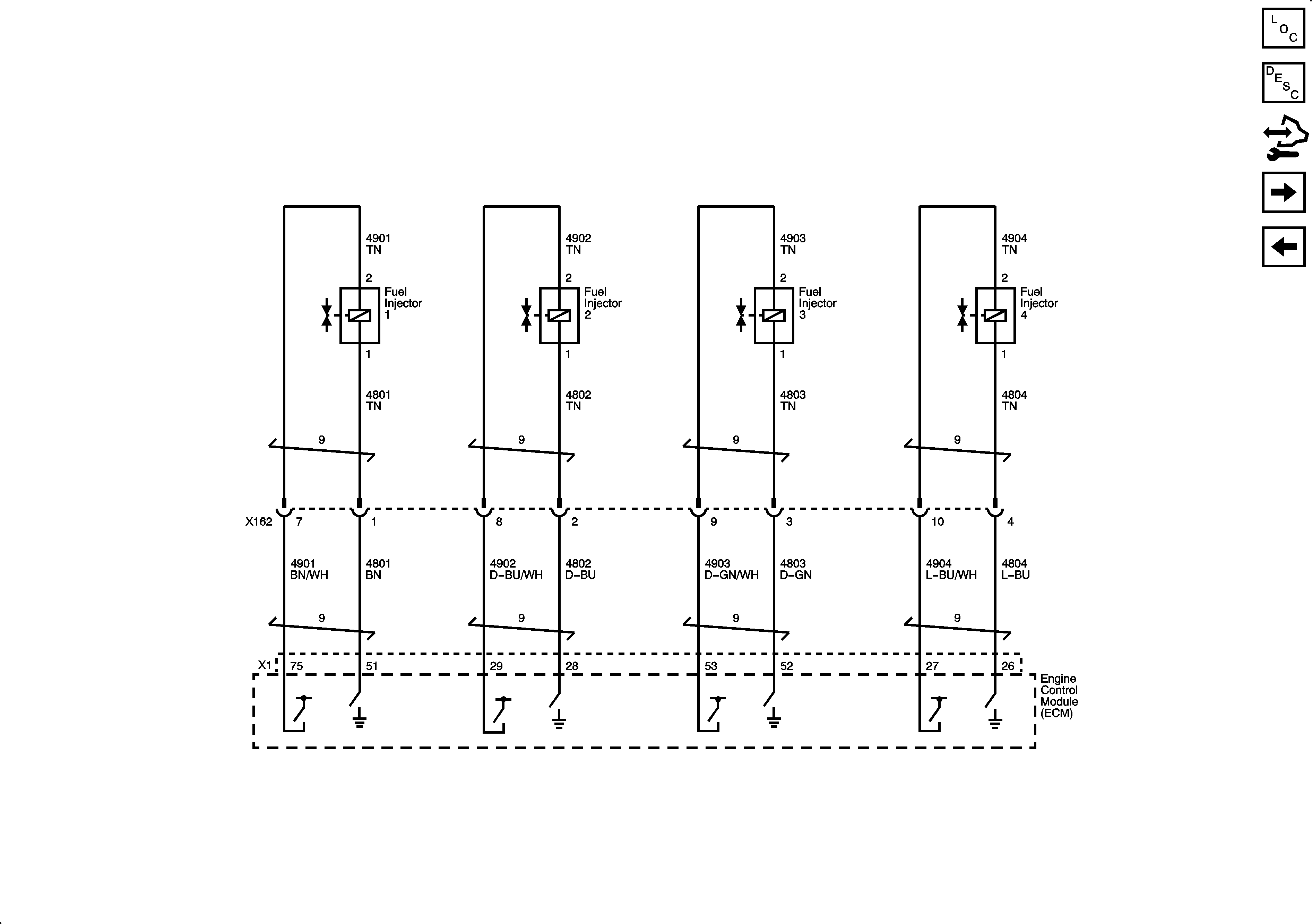
| Figure 7: |
Fuel Controls - Fuel Pump Controls and Fuel Injectors
|
| Figure 8: |
Ignition Controls - Ignition System
|
| Figure 9: |
Fuel Controls - EVAP Controls
|
| Figure 10: |
Controlled/Monitored Subsystem References
|