GM Service Manual Online
For 1990-2009 cars only
Makes
🢒
Daewoo
🢒
2008
🢒
G2X
🢒
Engine
🢒
Engine Electrical
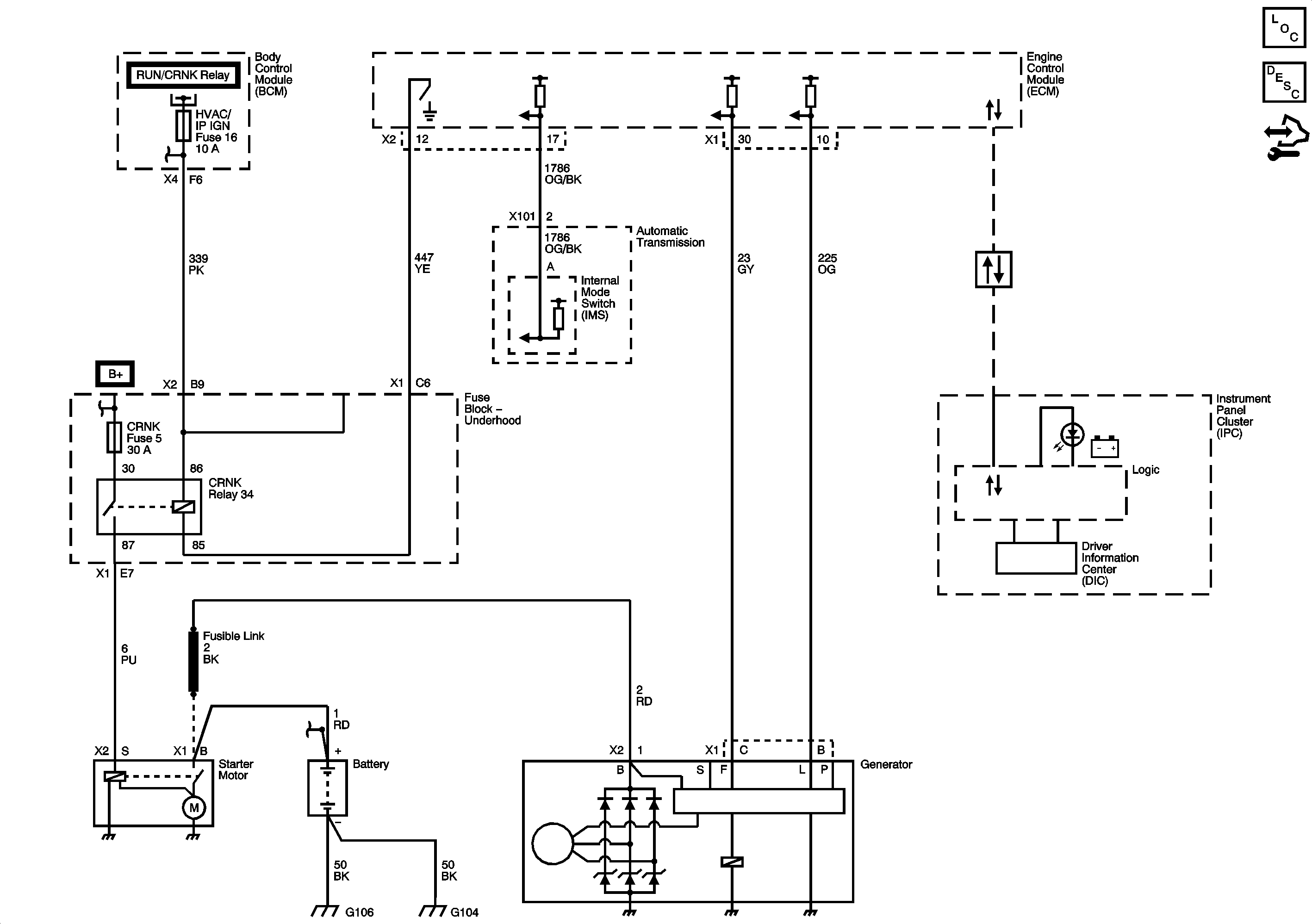
🢒 Starting and Charging Schematics
Master Electrical Component List
Starting System Description and Operation
Charging System Description and Operation
Control Module References