GM Service Manual Online
For 1990-2009 cars only
Makes
🢒
Daewoo
🢒
2008
🢒
G2X
🢒
Diagnostic Navigation
🢒
Vehicle Diagnostic Information
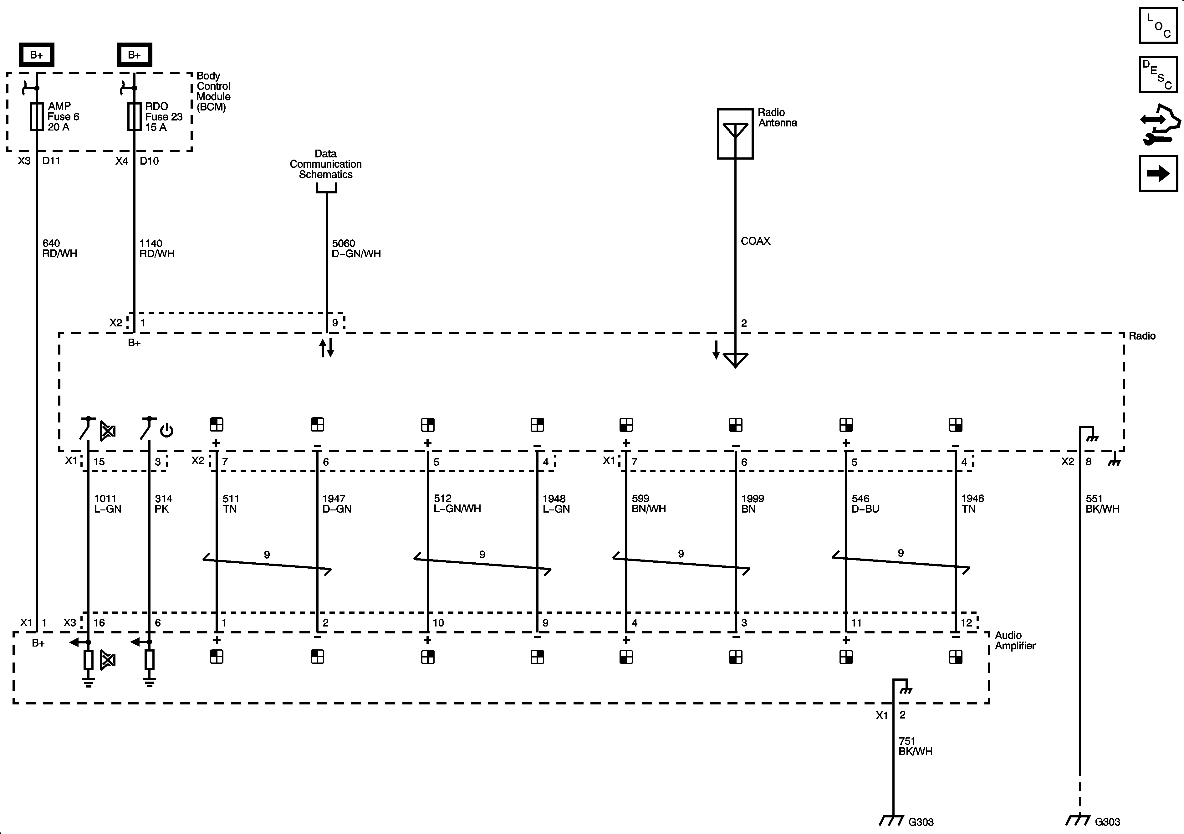
🢒 Radio/Navigation System Schematics
Figure
1:
Radio Power, Ground and Communication (UQ3)
Master Electrical Component List
Radio/Audio System Description and Operation
Control Module References
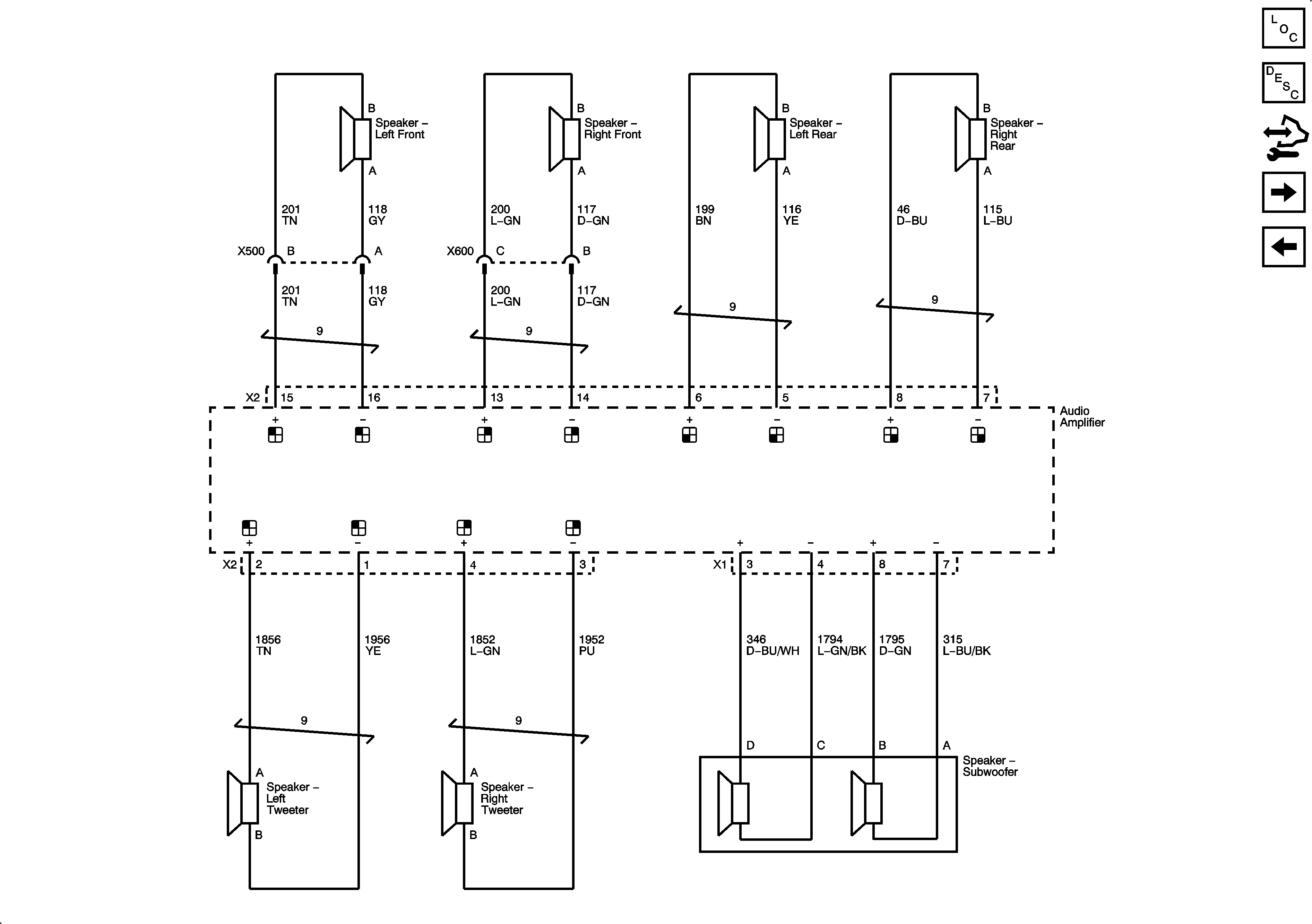
Amplifier Power, Speakers (UQ3)
Figure
2:
Amplifier Power, Speakers (UQ3)
Master Electrical Component List
Radio/Audio System Description and Operation
Control Module References
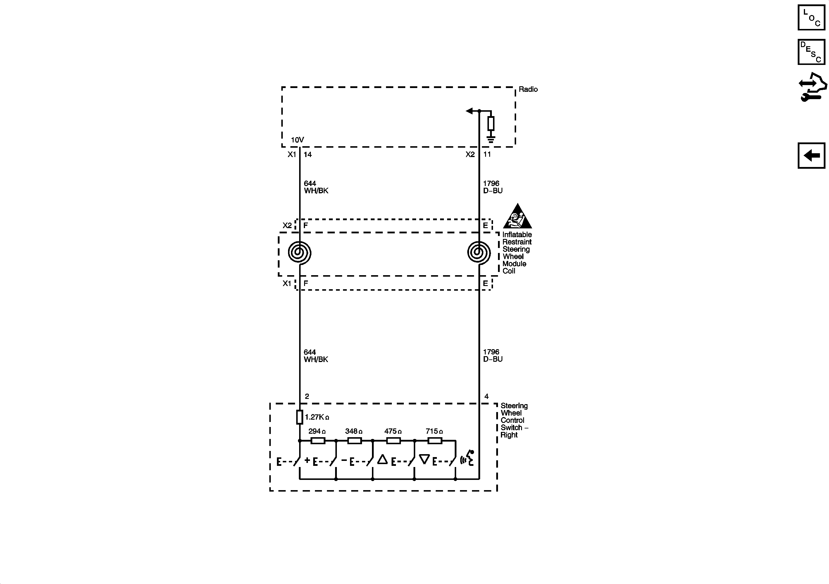
Redundant Radio Controls
Radio Power, Ground and Communication (UQ3)
Figure
3:
Redundant Radio Controls
Master Electrical Component List
Radio/Audio System Description and Operation
Control Module References
Amplifier Power, Speakers (UQ3)