GM Service Manual Online
For 1990-2009 cars only
Figure 1:

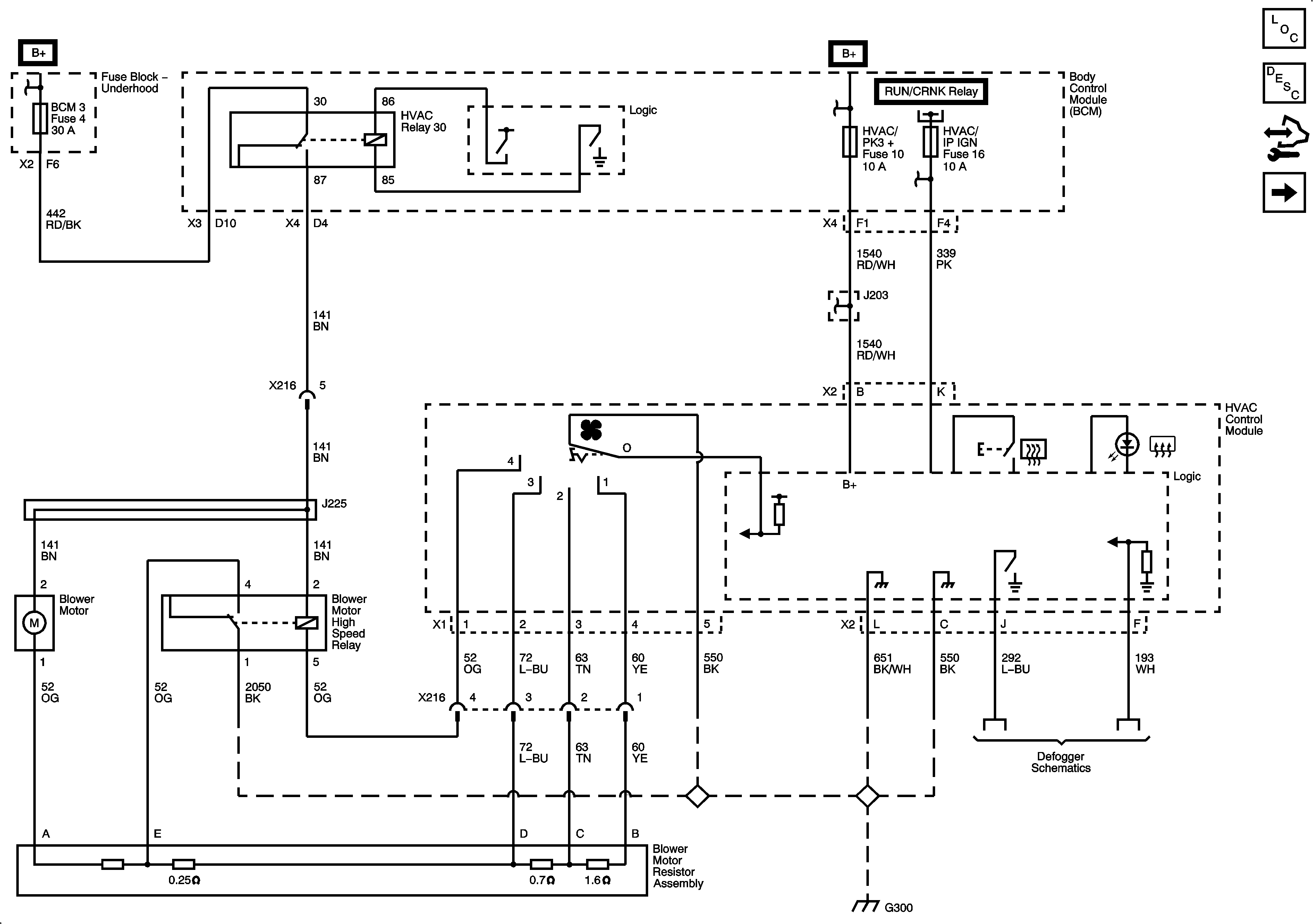
Power, Ground, and Blower Controls


Object Number: 1941098  Size: FS
Master Electrical Component List
Air Delivery Description and Operation
Control Module References
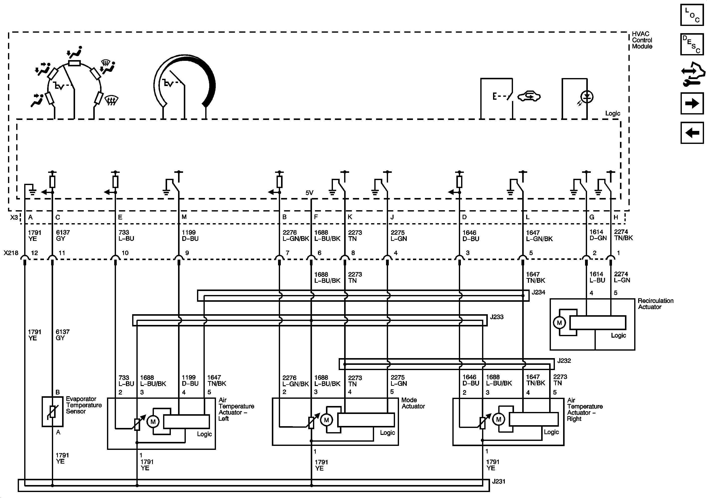
Mode and Air Temperature Controls
Figure 2:

Mode and Air Temperature Controls


Object Number: 1941113  Size: FS
Master Electrical Component List
Air Delivery Description and Operation
Control Module References
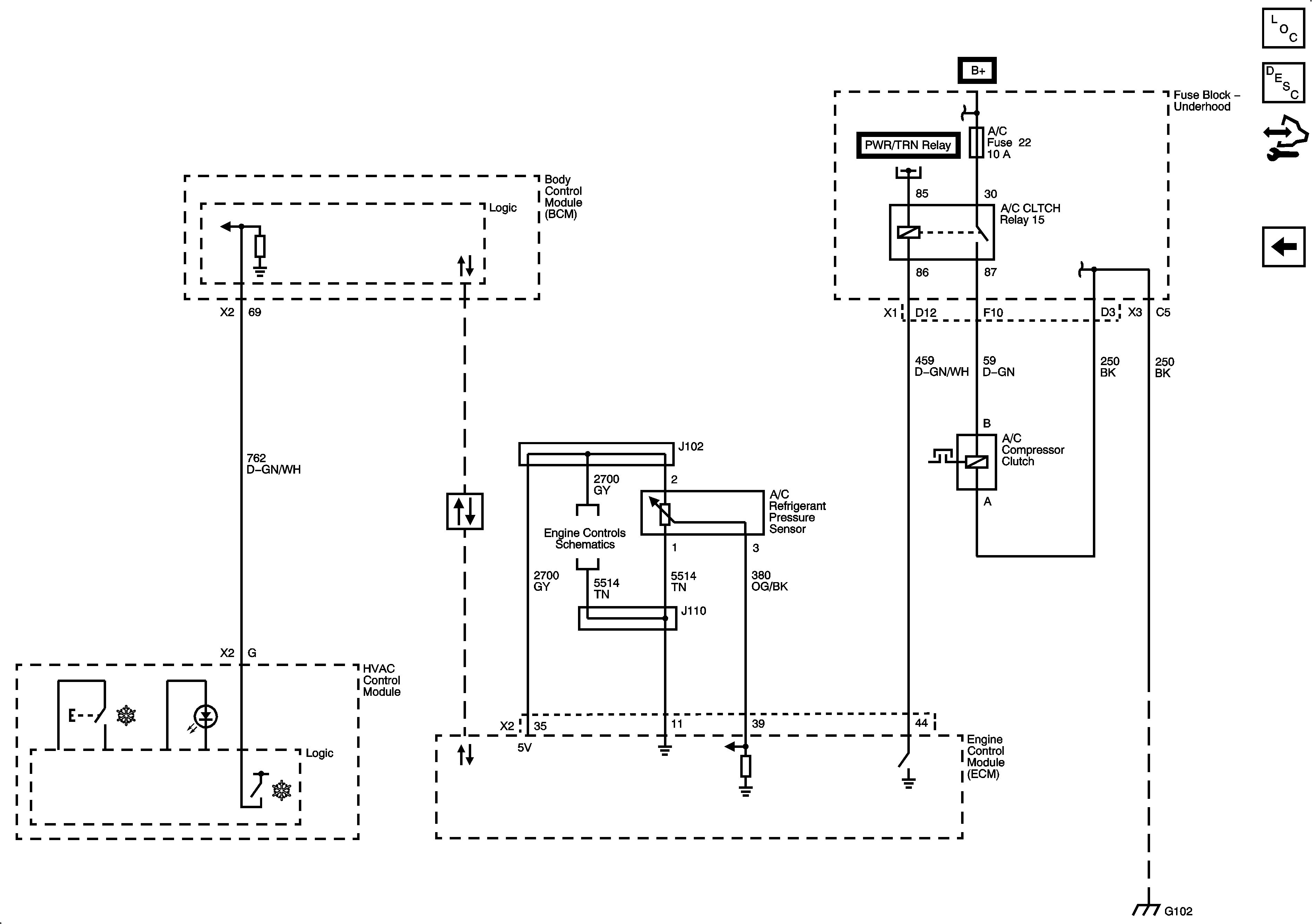
Compressor Controls
Power, Ground, and Blower Motor
Figure 3:

Compressor Controls


Object Number: 1941120  Size: FS
Master Electrical Component List
Air Temperature Description and Operation
Control Module References
Mode and Air Temperature Controls