GM Service Manual Online
For 1990-2009 cars only
Figure 1:

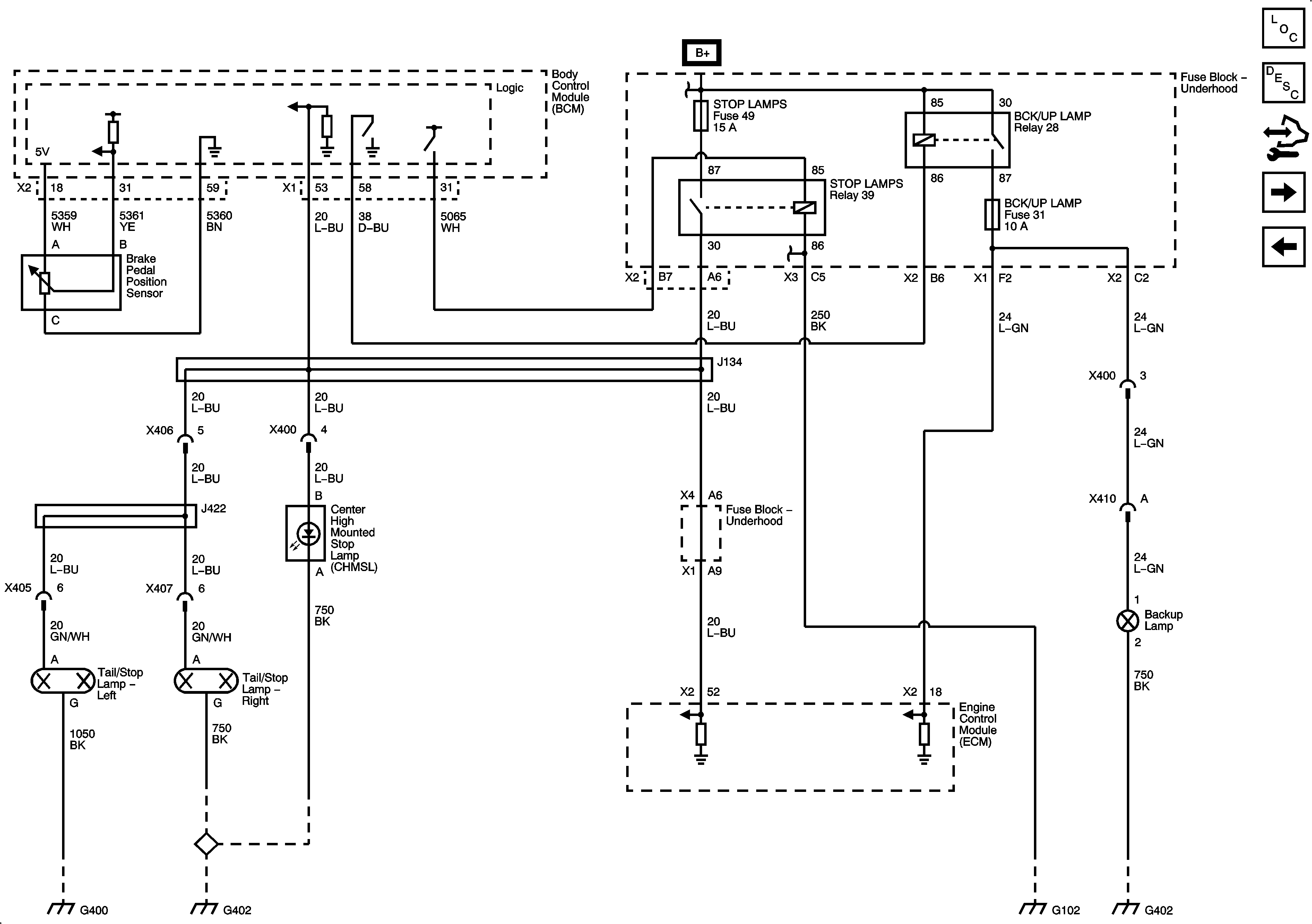
Backup and Stop Lamps


Object Number: 1941785  Size: FS
Master Electrical Component List
Exterior Lighting Systems Description and Operation
Control Module References
Turn Signals and Hazard Lamps
Park Lamps
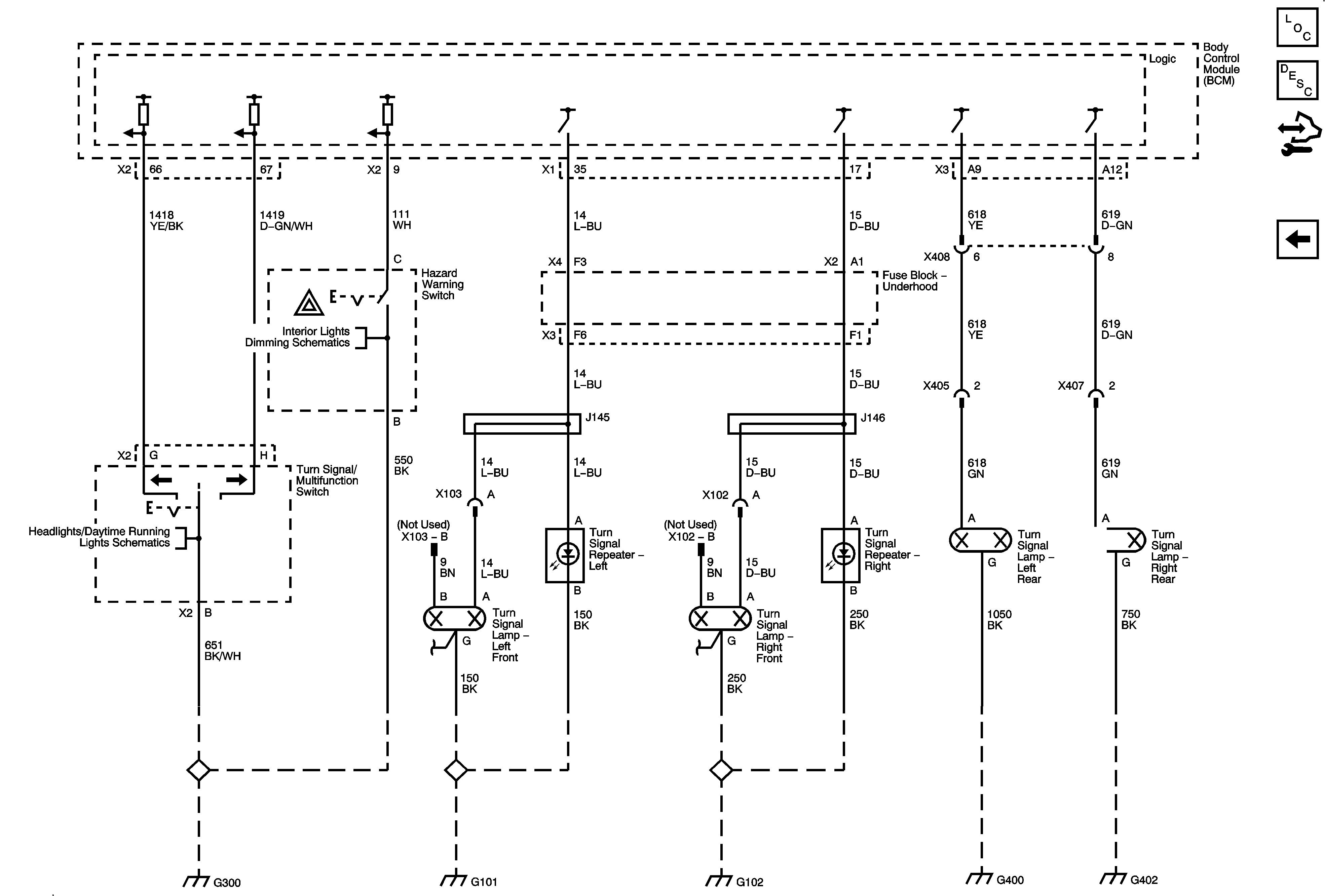
Figure 2:

Turn Signals and Hazard Lamps


Object Number: 1941795  Size: FS
Master Electrical Component List
Exterior Lighting Systems Description and Operation
Control Module References
Backup and Stop Lamps
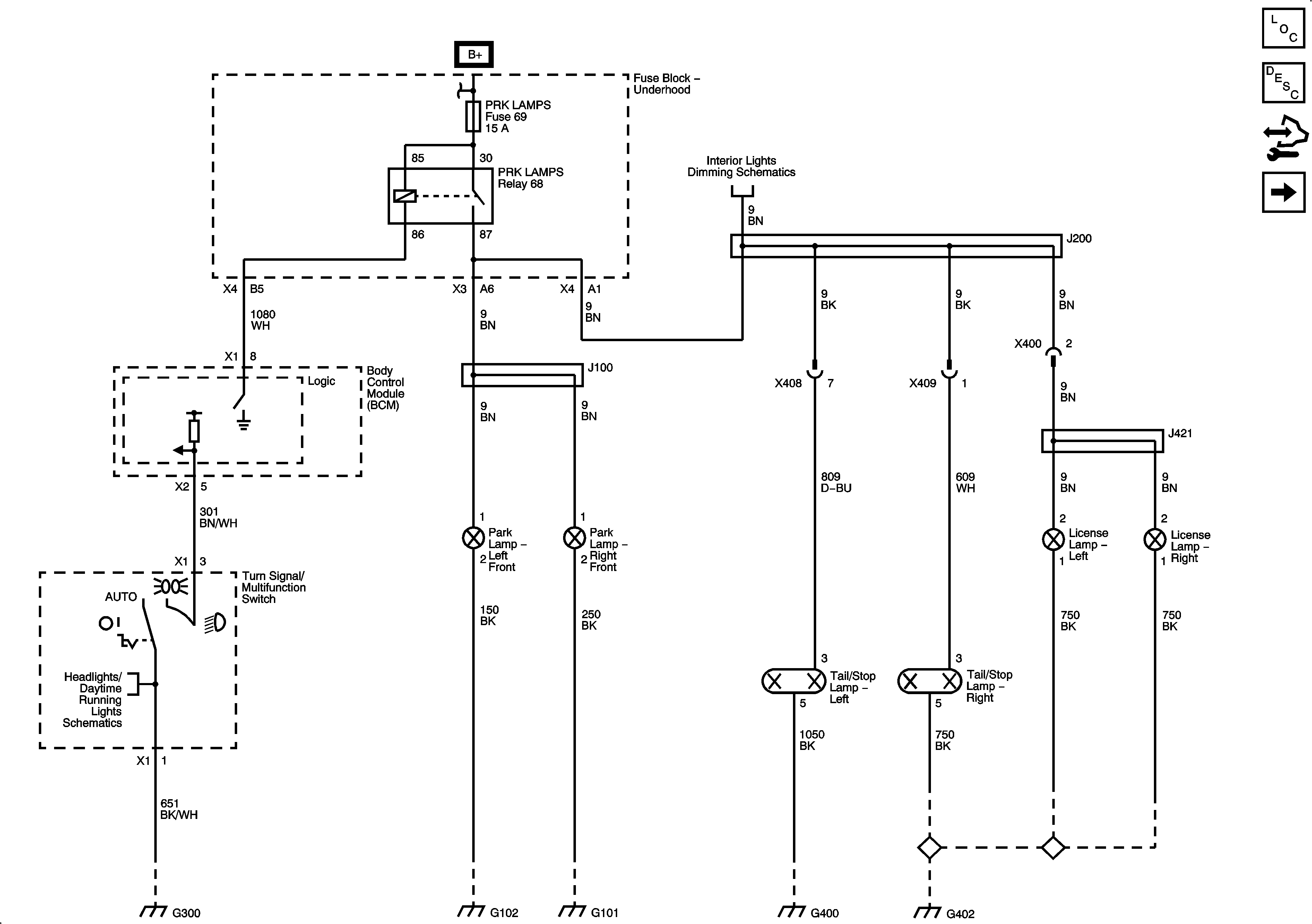
Figure 3:

Park Lamps


Object Number: 1941804  Size: FS
Master Electrical Component List
Exterior Lighting Systems Description and Operation
Control Module References
Backup and Stop Lamps