GM Service Manual Online
For 1990-2009 cars only
Makes
🢒
Daewoo
🢒
2008
🢒
G2X
🢒
Body Systems
🢒
Wipers and Washers
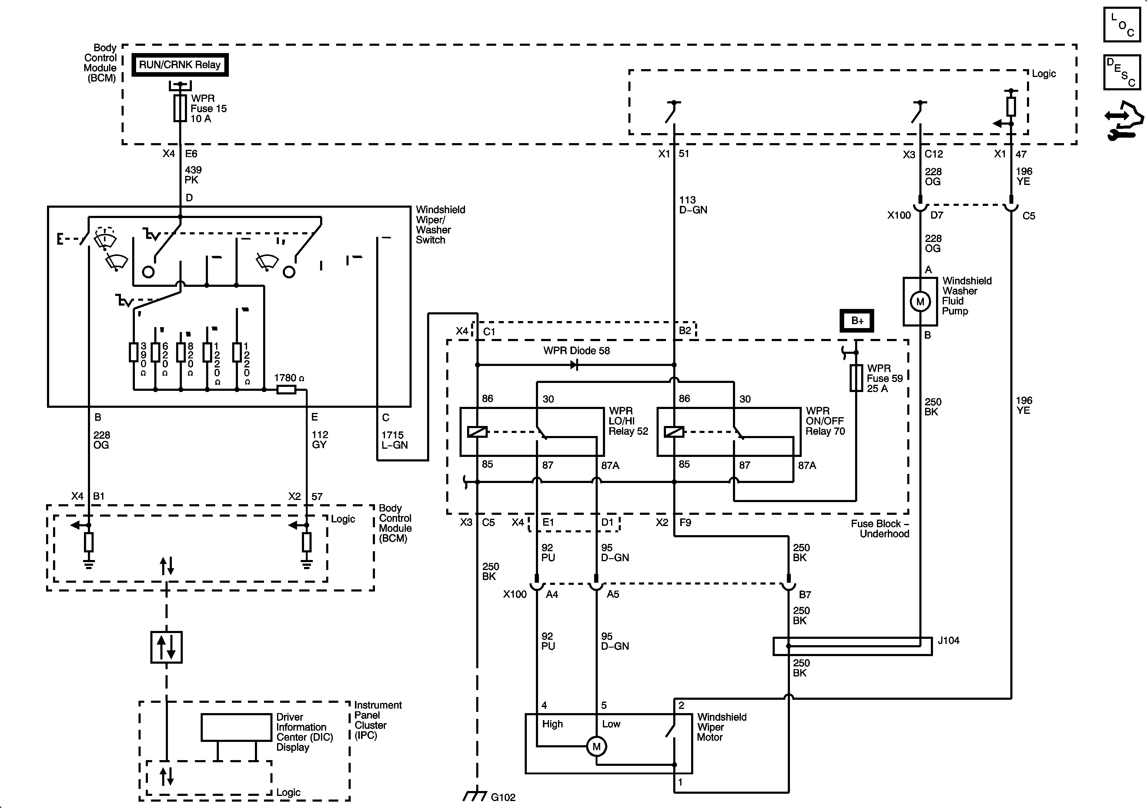
🢒 Wiper/Washer Schematics
Master Electrical Component List
Wiper/Washer System Description and Operation
Control Module References