GM Service Manual Online
For 1990-2009 cars only
Makes
🢒
Daewoo
🢒
2008
🢒
G2X
🢒
Brakes
🢒
Antilock Brake System
🢒 Antilock Brake System Schematics
Figure
1:
Module Power, Ground, and Indicator
Master Electrical Component List
ABS Description and Operation
Control Module References
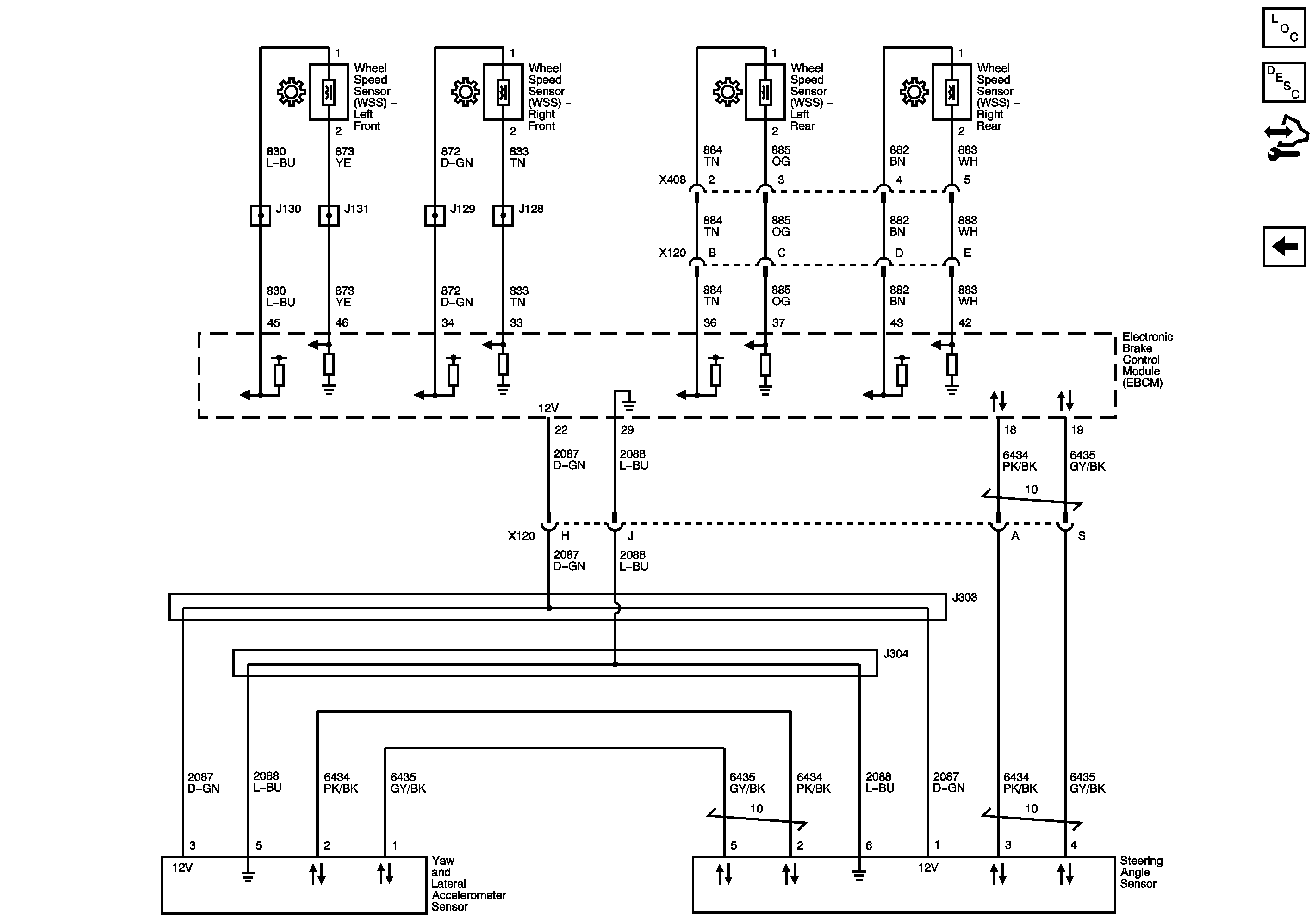
Sensors
Figure
2:
Sensors
Master Electrical Component List
ABS Description and Operation
Control Module References
Module Power, Ground, and Indicator