GM Service Manual Online
For 1990-2009 cars only
Figure 1:

Above the Radiator


Object Number: 1749431  Size: LF
(1)Air Cleaner
(2)Mass Air Flow (MAF)/Intake Air Temperature (IAT) Sensor
Figure 2:

Engine Cooling Fan


Object Number: 1631760  Size: LF
(1)Front Fascia
(2)Engine Cooling Fan
(3)Engine Cooling Fan Connector
Figure 3:

Engine Electrical Components


Object Number: 1631729  Size: LF
(1)G103
(2)G104
(3)Battery Cable - Positive
(4)Battery Cable - Negative
(5)Engine Harness
(6)Fuse Block - Underhood
(7)G106
(8)Battery
(9)Starter Motor
(10)Generator
(11)Fuse Block - Underhood
Figure 4:

Forward Lamp Harness Routing


Object Number: 1852023  Size: LF
(1)X103
(2)X110
(3)J145
(4)J103
(5)G105
(6)G101
(7)J128
(8)J129
(9)J146
(10)J115
(11)G102
(12)X111
(13)X102
(14)J105
(15)J147
(16)J101
(17)J109
(18)J131
(19)J100
Figure 5:

Front Engine Components (1 of 2)


Object Number: 1631752  Size: LF
(1)Front Fascia
(2)Inflatable Restraint Front End Sensor - Right
(3)Electronic Brake Control Module (EBCM)
(4)Forward Lamp Harness
(5)Inflatable Restraint Front End Sensor - Left
Figure 6:

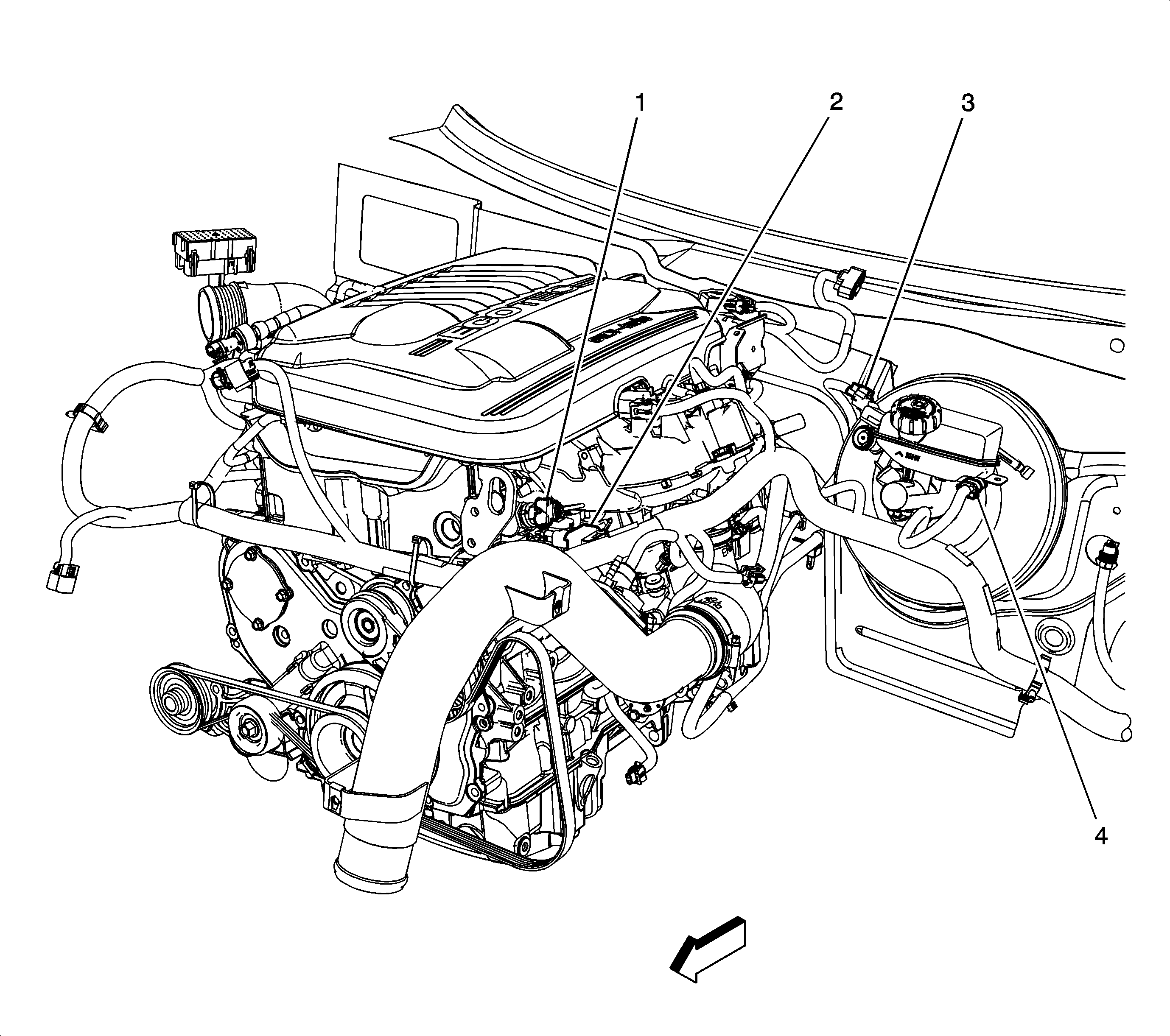
Front Engine Components (2 of 2)


Object Number: 1631732  Size: LF
(1)Windshield Wiper Motor and Module
(2)Coolant Surge Tank
(3)Engine Control Module (ECM) Connectors
(4)Engine Control Module (ECM)
(5)Transmission Control Module (TCM) (M82)
(6)Transmission Control Module (TCM) Connector (M82)
(7)Windshield Washer Fluid Pump
(8)Windshield Washer Fluid Container
(9)Engine Coolant Level Switch
(10)Coolant Surge Tank
(11)Brake Fluid Level Switch
(12)Mass Air Flow (MAF)/Intake Air Temperature (IAT) Sensor
Figure 7:

Front Fascia


Object Number: 1878549  Size: LF
(1)Park Lamp - Left Front
(2)Headlamp - Left Low Beam
(3)Headlamp - Left High Beam
(4)Turn Signal Lamp - Left Front
(5)Fog Lamp - Left Front
(6)Fog Lamp - Right Front
(7)Turn Signal Lamp - Right Front
(8)Headlamp - Right High Beam
(9)Headlamp - Right Low Beam
(10)Park Lamp - Right Front
Figure 8:

Fuse Block - Underhood Connectors


Object Number: 1631572  Size: LF
(1)Fuse Block - Underhood X3
(2)Fuse Block - Underhood X4
(3)Fuse Block - Underhood Cable End Connector
(4)Fuse Block - Underhood X1
(5)Fuse Block - Underhood X2
(6)G106
(7)Wheel Well - Right Side
(8)Battery Cable - Negative
(9)Battery
(10)Battery Cable - Positive
Figure 9:

Left Side of Engine Compartment (LNF)


Object Number: 1977772  Size: LF
(1)Fuel Pressure Sensor
(2)Intake Air Pressure and Temperature Sensor
(3)Brake Fluid Level Switch
Figure 10:

Outside Air Temperature Sensor


Object Number: 1855773  Size: LF
(1)Outside Air Temperature Sensor
(2)Front Fascia
Figure 11:

Under Front Fascia


Object Number: 1877895  Size: LF
(1)Horn - Right
(2)Horn - Left