GM Service Manual Online
For 1990-2009 cars only
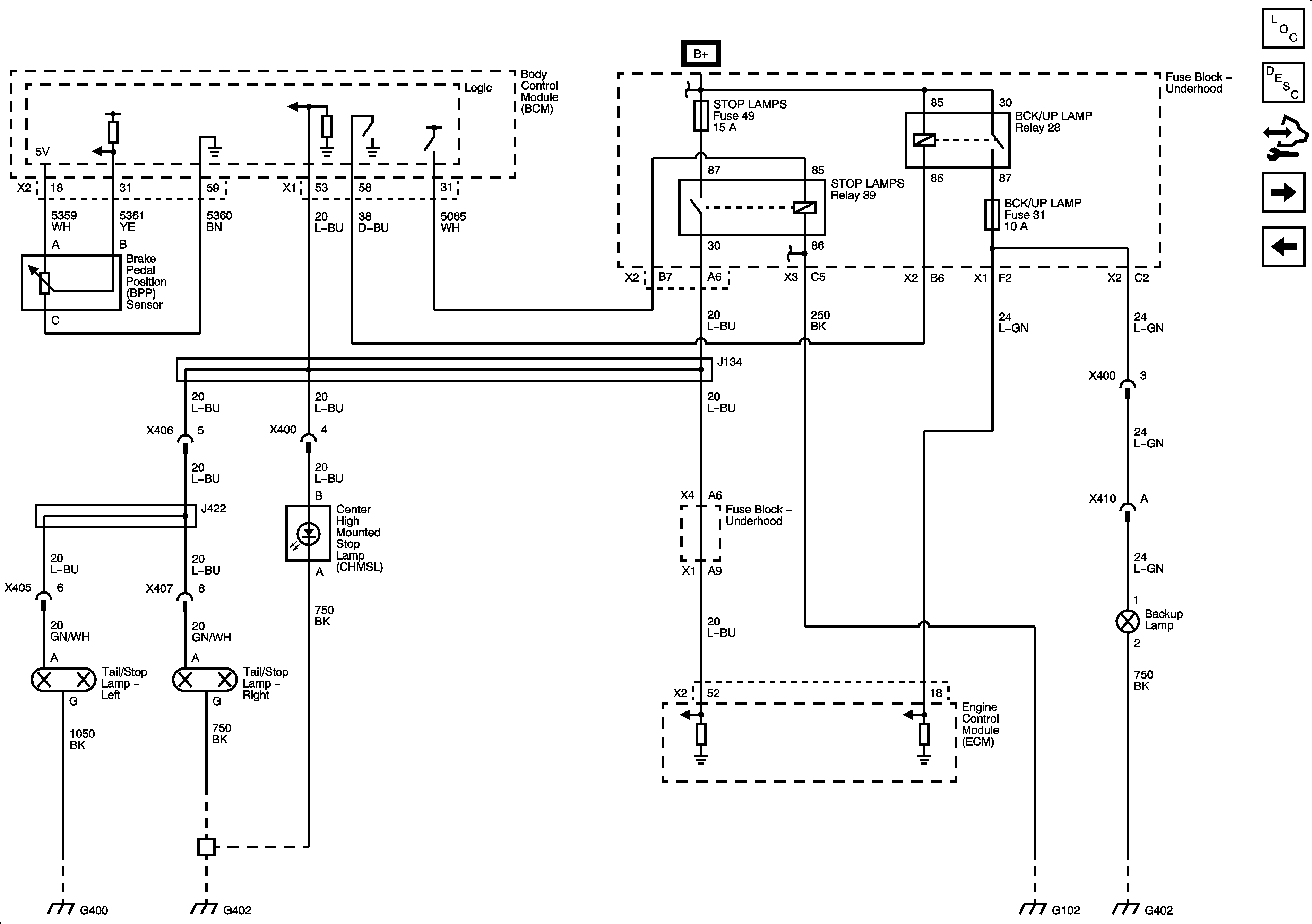
Figure 1:

Backup and Stop Lamps


Object Number: 2050586  Size: FS
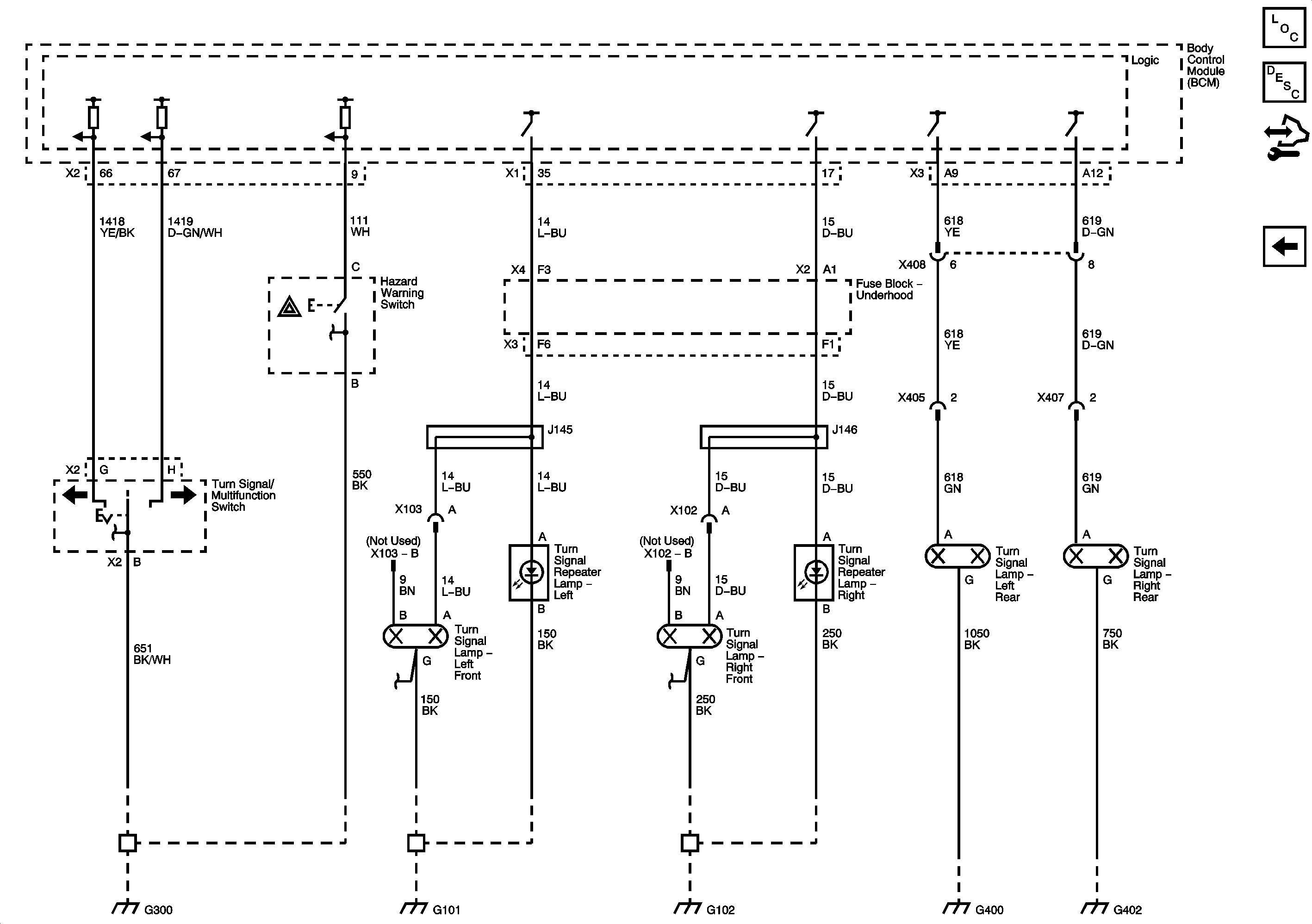
Figure 2:

Turn Signals and Hazard Lamps


Object Number: 2050590  Size: FS
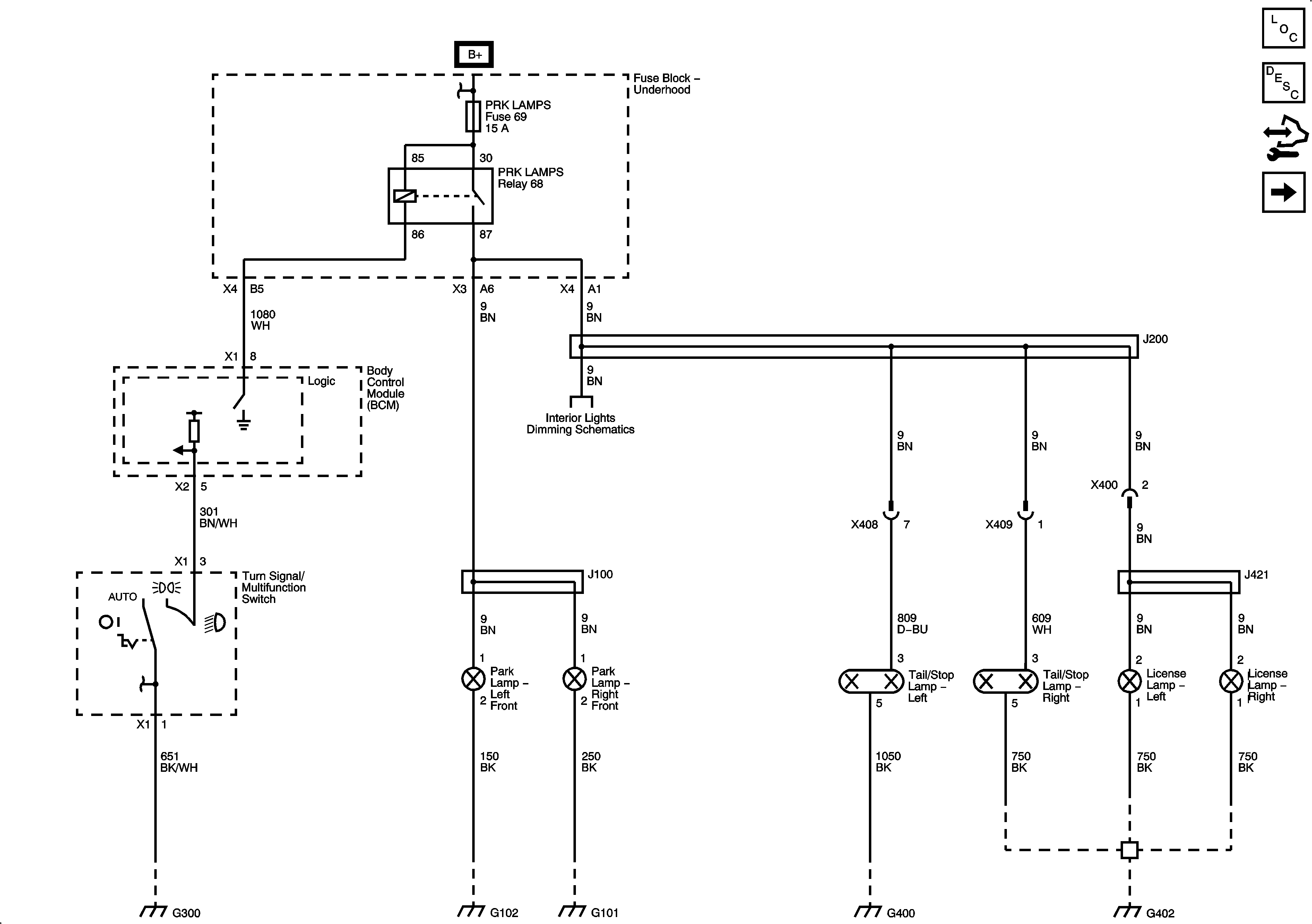
Figure 3:

Park Lamps


Object Number: 2050594  Size: FS