GM Service Manual Online
For 1990-2009 cars only
Makes
🢒
Daewoo
🢒
2009
🢒
G2X
🢒
Driver Information and Entertainment
🢒
Secondary and Configurable Customer Controls
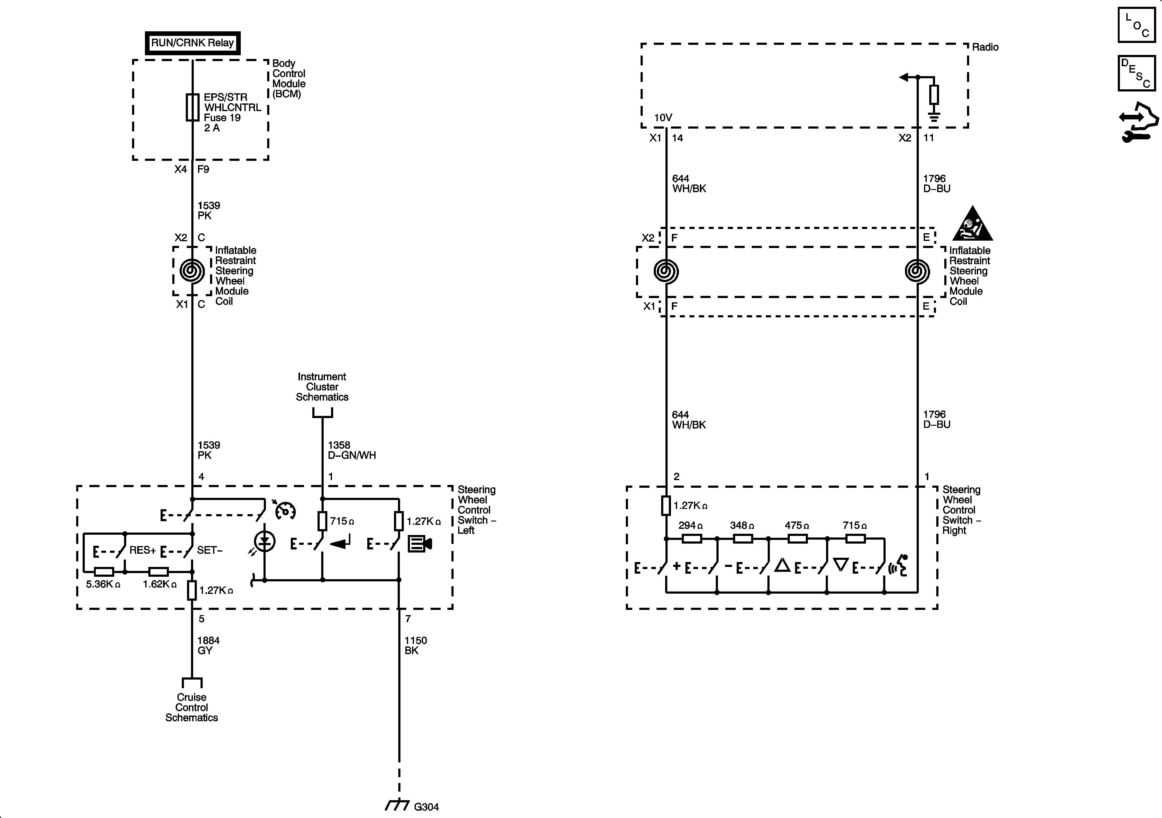
🢒 Steering Wheel Secondary/Configurable Control Schematics