GM Service Manual Online
For 1990-2009 cars only
Makes
🢒
Daewoo
🢒
2009
🢒
G2X
🢒
Safety and Security
🢒
Supplemental Inflatable Restraints
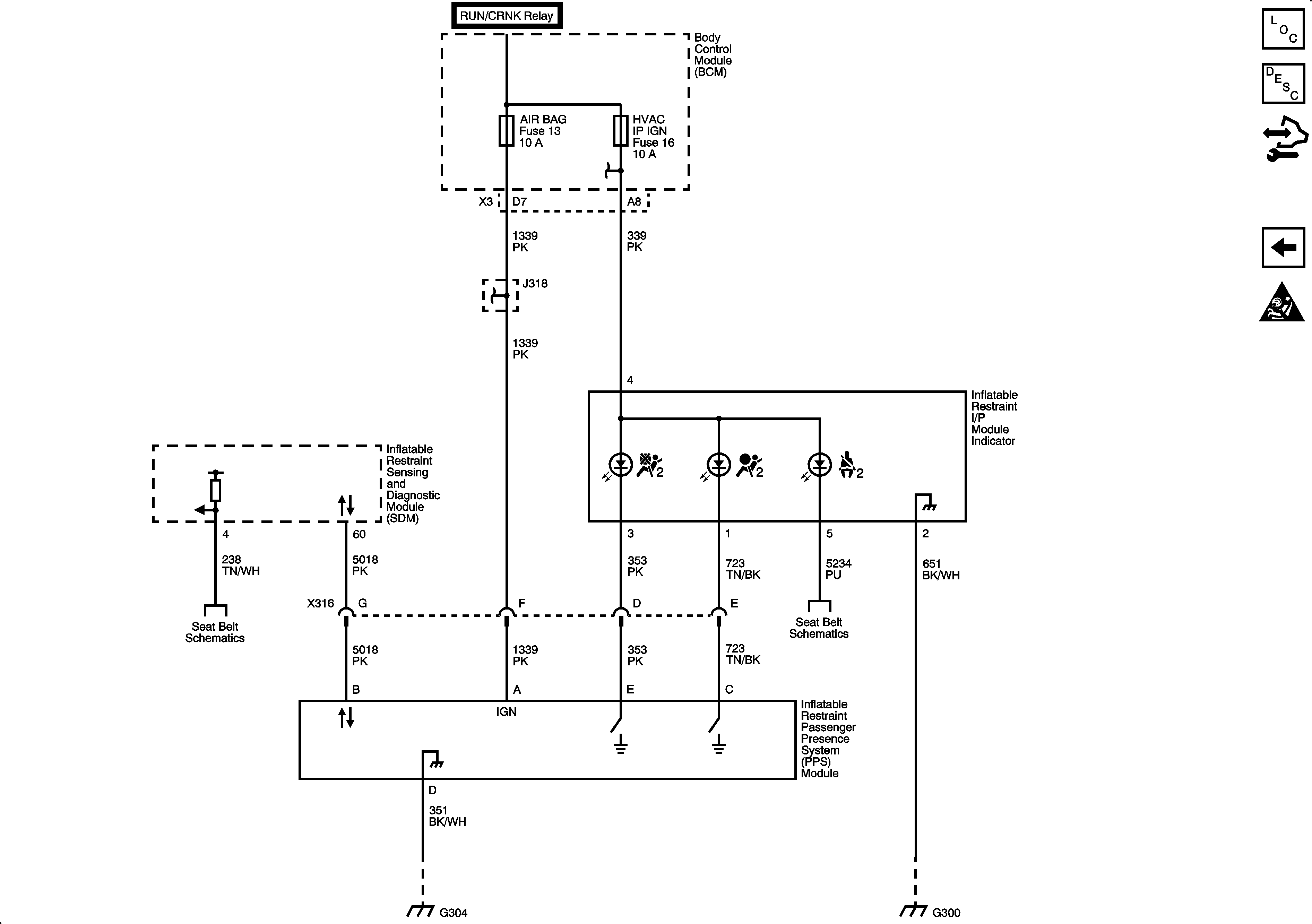
🢒 SIR Schematics
Figure
1:
Power, Ground, and Sensors
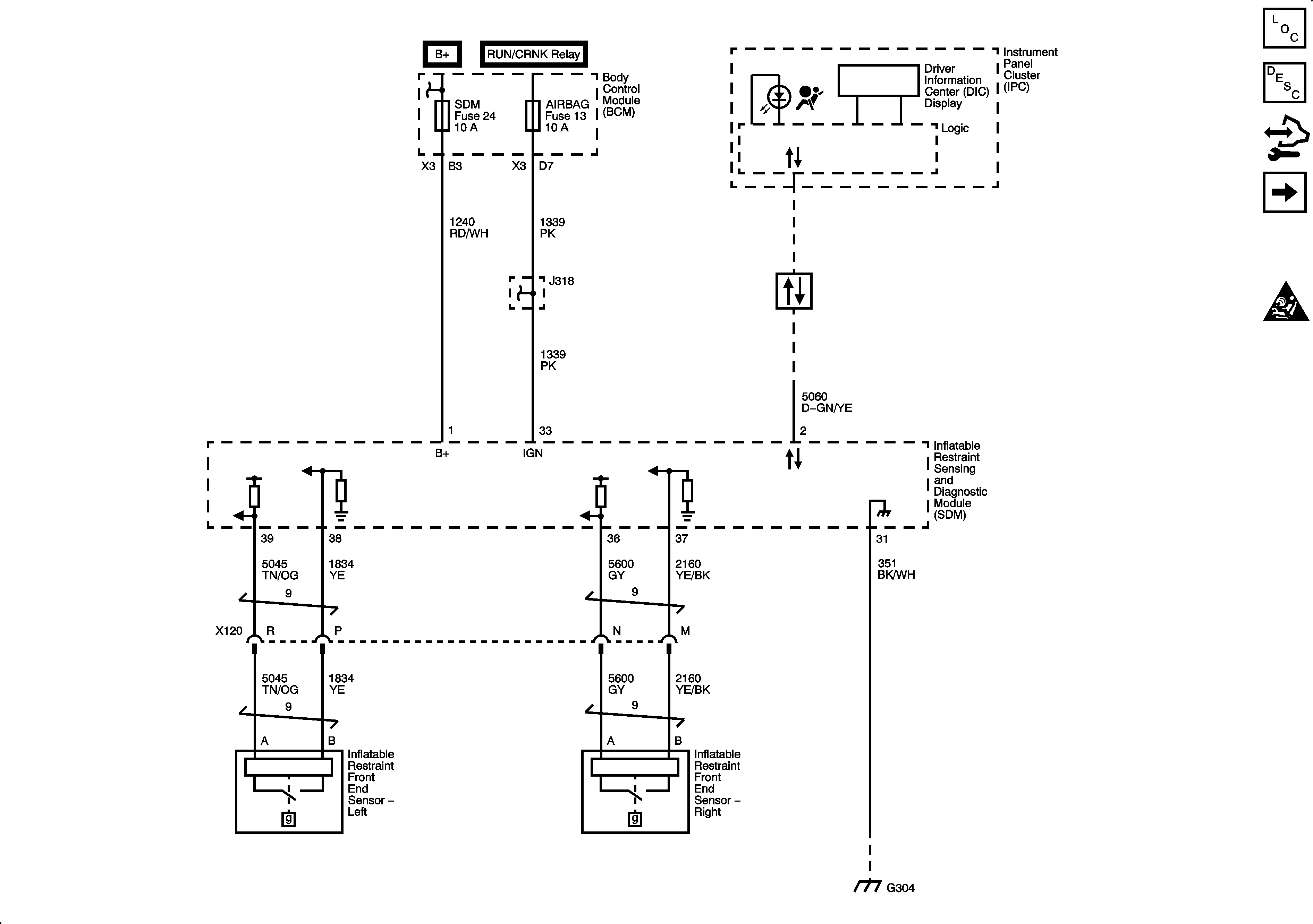
Figure
2:
Modules and Pretensioners
Figure
3:
Indicator and Passenger Presence System (PPS)