GM Service Manual Online
For 1990-2009 cars only

Removal Procedure

    Warning: Gasoline or gasoline vapors are highly flammable. A fire could occur if an ignition source is present. Never drain or store gasoline or diesel fuel in an open container, due to the possibility of fire or explosion. Have a dry chemical (Class B) fire extinguisher nearby.

  1. Remove the engine cover. Refer to Engine Cover Replacement.
  2. Remove the air cleaner outlet front duct. Refer to Air Cleaner Outlet Front Duct Replacement.

  3. Object Number: 1820510  Size: SH

    Note: To avoid fuel spillage or damage to the injector pipe connector, hold the injector pipe connector using tools and unscrew the pipe nut. And then, put a cap on the injector connector to avoid contamination from dust as soon as the fuel pipes are removed.

  4. Hold the injection pump pipe connector with a wrench (1) and unscrew the fuel hose nut (M14) from the fuel injection pump.

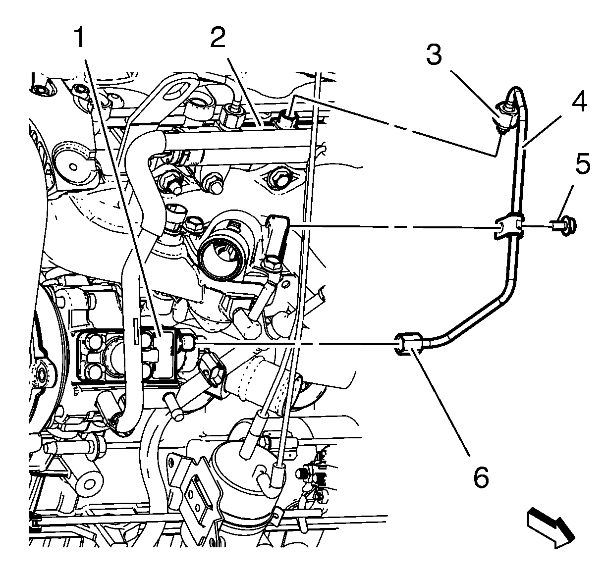
  5. Object Number: 2027530  Size: SH
  6. Remove the fuel hose nut (3) from the fuel feed block (2).
  7. Remove the fuel hose bolt (5) from the thermostat housing.
  8. Remove the fuel hose (4).

Installation Procedure


    Object Number: 2027530  Size: SH
  1. Install the fuel hose (4).
  2. Install the fuel hose nut (6) at the fuel injection pump (1).
  3. Caution: Refer to Fastener Caution in the Preface section.

  4. Install the fuel hose nut (3) at the fuel feed block (2) and tighten to 20 N·m (15 lb ft).
  5. Install the fuel hose bolt (5) at the thermostat housing and tighten to 20 N·m (15 lb ft).

  6. Object Number: 1820510  Size: SH
  7. Hold the injection pump pipe connector with a wrench (1) and tighten the fuel hose nut at the Fuel injection pump to 20 N·m (15 lb ft).
  8. Install the air cleaner outlet front duct. Refer to Air Cleaner Outlet Front Duct Replacement.
  9. Install the engine cover. Refer to Engine Cover Replacement.