GM Service Manual Online
For 1990-2009 cars only
Figure 1:

Power, Ground, Serial Data and MIL


Object Number: 2134957  Size: FS
Figure 2:

Engine Data Sensors - MAF, Pressure and Temperature


Object Number: 2134959  Size: FS
Figure 3:

Engine Data Sensors - Throttle Controls


Object Number: 2134961  Size: FS
Figure 4:

Engine Data Sensors - DPF Sensors


Object Number: 2134964  Size: FS
Figure 5:

Fuel Controls - Common Rail Sensors/Actuators


Object Number: 2134976  Size: FS
Figure 6:

Fuel Controls - Fuel Pump and Injectors (Except North America)


Object Number: 2134998  Size: FS
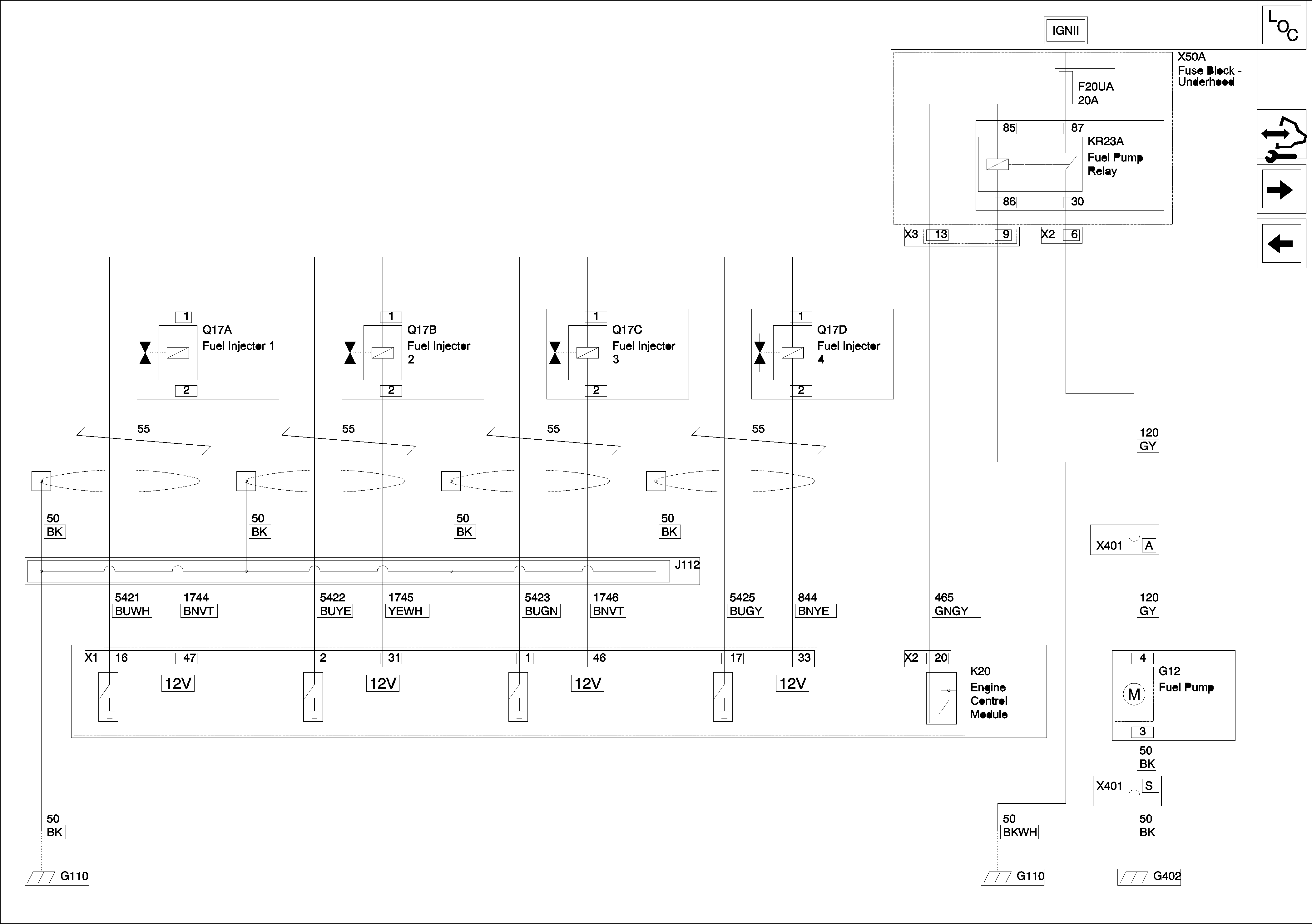
Figure 7:

Fuel Controls - Fuel Pump and Injectors (SAE)


Object Number: 2135007  Size: FS
Figure 8:

Fuel Controls - Fuel Heater and Water in Fuel Sensor


Object Number: 2135023  Size: FS
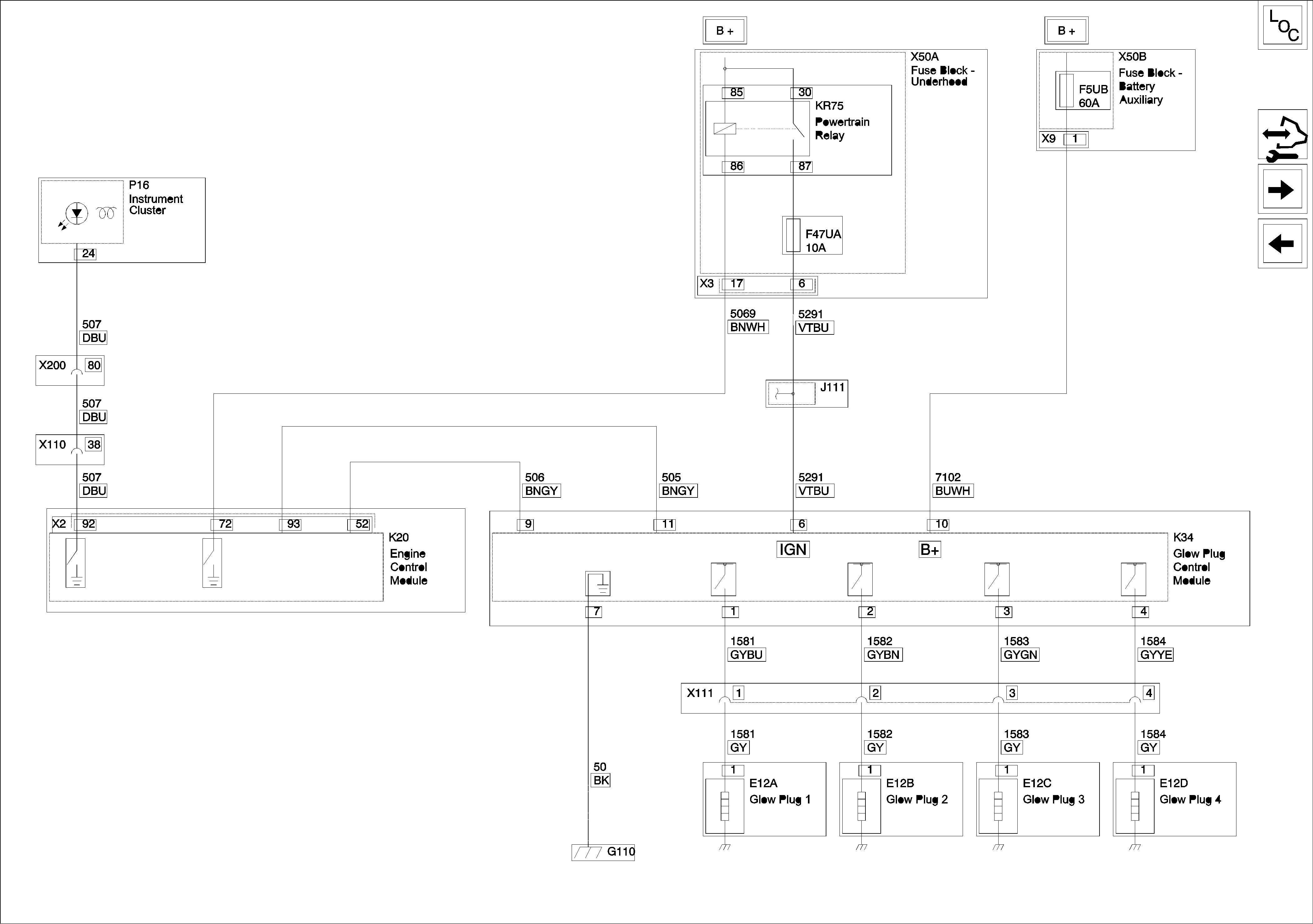
Figure 9:

Engine Data Sensors - Glow Plug Controls


Object Number: 2135026  Size: FS
Figure 10:

Engine Data Sensors - Actuators


Object Number: 2135041  Size: FS