GM Service Manual Online
For 1990-2009 cars only
Makes
🢒
Daewoo
🢒
2009
🢒
Lacetti (Global Delta)
🢒
Engine
🢒
Engine Controls and Fuel - 2.0L (Diesel)
🢒 Intake Air Duct Replacement
Removal Procedure
Remove the front bumper fascia. Refer to
Front Bumper Fascia Replacement
.
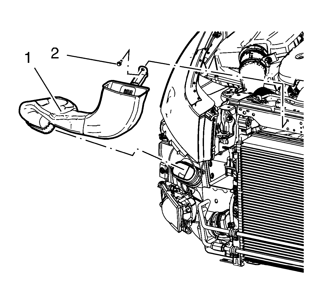
Remove the intake air duct bolt (2).
Remove the intake air duct (1).
Installation Procedure
Install the intake air duct (1).
Caution:
Refer to
Fastener Caution
in the Preface section.
Install the intake air duct bolt (2) and tighten the bolt to
5 Nm
(45 lb in).
Install the front bumper facia. Refer to
Front Bumper Fascia Replacement
.