GM Service Manual Online
For 1990-2009 cars only

Engine Coolant Fan Replacement 2.0L Diesel LLW

Removal Procedure

  1. Disconnect battery negative cable. Refer to Battery Negative Cable Disconnection and Connection.
  2. Remove front bumper fascia. Refer to Front Bumper Fascia Replacement.
  3. Remove radiator grille support. Refer to Radiator Support Replacement.

  4. Object Number: 2028268  Size: SH
  5. Remove wiring harness engine cooling fan.
  6. • Disconnect (4) wiring harness connector engine cooling fan (2).
    • Remove engine coolant fan wiring harness relay block (2).
    • Disconnect wiring harness connector air conditioning refrigerant pressure sensor (3).

    Object Number: 2028276  Size: SH
  7. Remove engine coolant fan (1).
  8. Remove wiring harness engine cooling fan.

Installation Procedure

  1. Install wiring harness engine cooling fan.

  2. Object Number: 2028276  Size: SH
  3. Install engine coolant fan (1).

  4. Object Number: 2028268  Size: SH
  5. Install wiring harness engine cooling fan.
  6. • Connect wiring harness connector air conditioning refrigerant pressure sensor (3).
    • Install engine coolant fan wiring harness relay block (2).
    • Connect (4) wiring harness connector engine cooling fan (2).
  7. Install radiator grille support. Refer to Radiator Support Replacement.
  8. Install front bumper fascia. Refer to Front Bumper Fascia Replacement.
  9. Connect battery negative cable. Refer to Battery Negative Cable Disconnection and Connection.

Engine Coolant Fan Replacement 1.6L LXV

Removal Procedure

  1. Disconnect the negative cable from the battery. Refer to Battery Negative Cable Disconnection and Connection.
  2. Drain the cooling system. Refer to Cooling System Draining and Filling.

  3. Object Number: 2028322  Size: SH
  4. Disconnect the engine coolant fan resistor wiring harness plug.
  5. Remove the engine coolant fan resistor bolt (2).
  6. Remove the engine coolant fan resistor (1).

  7. Object Number: 2028320  Size: SH
  8. Remove the hood hold open rod retainer bracket bolt (1).
  9. Remove the hood hold open rod retainer bracket (2).
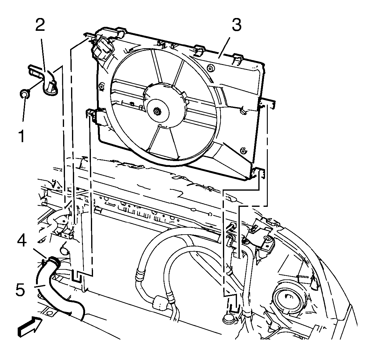
  10. Remove the radiator inlet hose clamp (4) and the radiator inlet hose (5) at the radiator side and put it away.
  11. Unclip the engine coolant fan (3) at the shown four mounting points.
  12. Note: You stand against driving direction.

    Note: Push the engine coolant fan to the right side and lift it up.

  13. Remove the engine coolant fan (3).

  14. Object Number: 1936663  Size: SH
  15. Unclip the engine coolant fan to engine coolant fan resistor wiring harness (arrows).
  16. Remove the 3 engine coolant fan motor bolts (3) from the engine coolant fan.

Installation Procedure

    Caution: Refer to Fastener Caution in the Preface section.


    Object Number: 1936663  Size: SH
  1. Install the 3 engine coolant fan motor bolts (3) to the engine coolant fan and tighten to  3 N·m (26 lb in).
  2. Clip in the engine coolant fan to the engine coolant fan resistor wiring harness (arrows).

  3. Object Number: 2028320  Size: SH
  4. Install the engine coolant fan (3).
  5. Clip in the engine coolant fan (3) at the shown four mounting points.
  6. Install the radiator inlet hose clamp (4) and the radiator inlet hose (5) to the radiator side and tighten the clamp to  3.5 N·m (31 lb in).
  7. Install the hood hold open rod retainer bracket (2).
  8. Install the hood hold open rod retainer bracket bolt (1) and tighten to  22 N·m (17 lb ft).

  9. Object Number: 2028322  Size: SH
  10. Install the engine coolant fan resistor (1).
  11. Install the engine coolant fan resistor bolt (2) and tighten to  4 N·m (36 lb in).
  12. Connect the engine coolant fan resistor wiring harness plug.
  13. Fill the cooling system. Refer to Cooling System Draining and Filling.
  14. Connect the negative cable to the battery. Refer to Battery Negative Cable Disconnection and Connection.