GM Service Manual Online
For 1990-2009 cars only
Makes
🢒
Daewoo
🢒
2009
🢒
Lacetti (Global Delta)
🢒
Engine
🢒
Engine Mechanical - 2.0L (Diesel)
🢒 Timing Belt Tensioner Removal
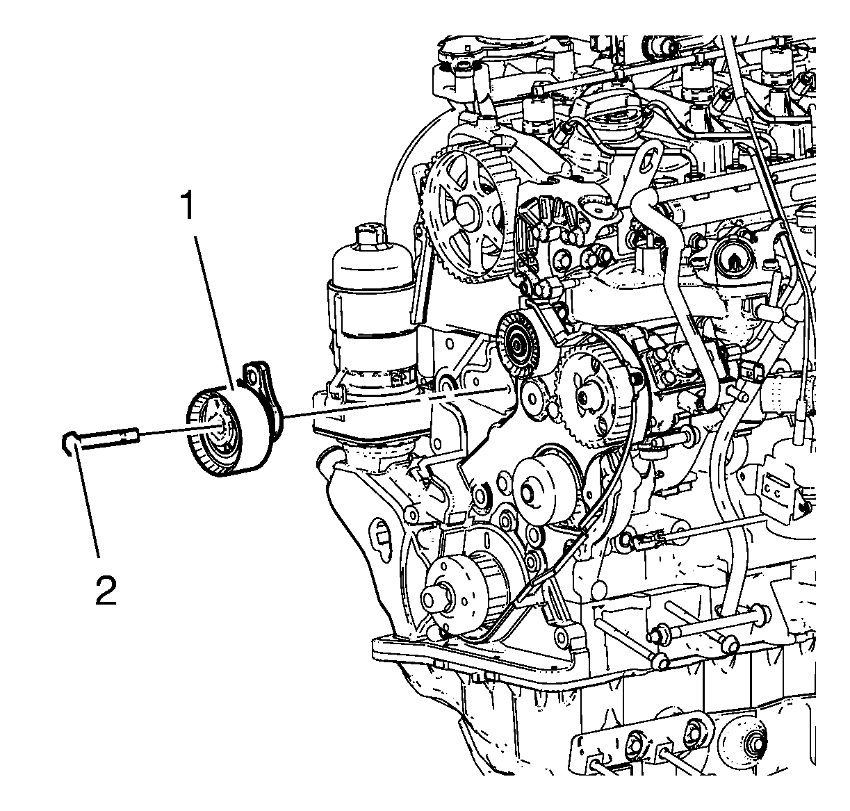
Remove the timing belt tensioner bolt (2).
Remove the timing belt tensioner (1).