GM Service Manual Online
For 1990-2009 cars only
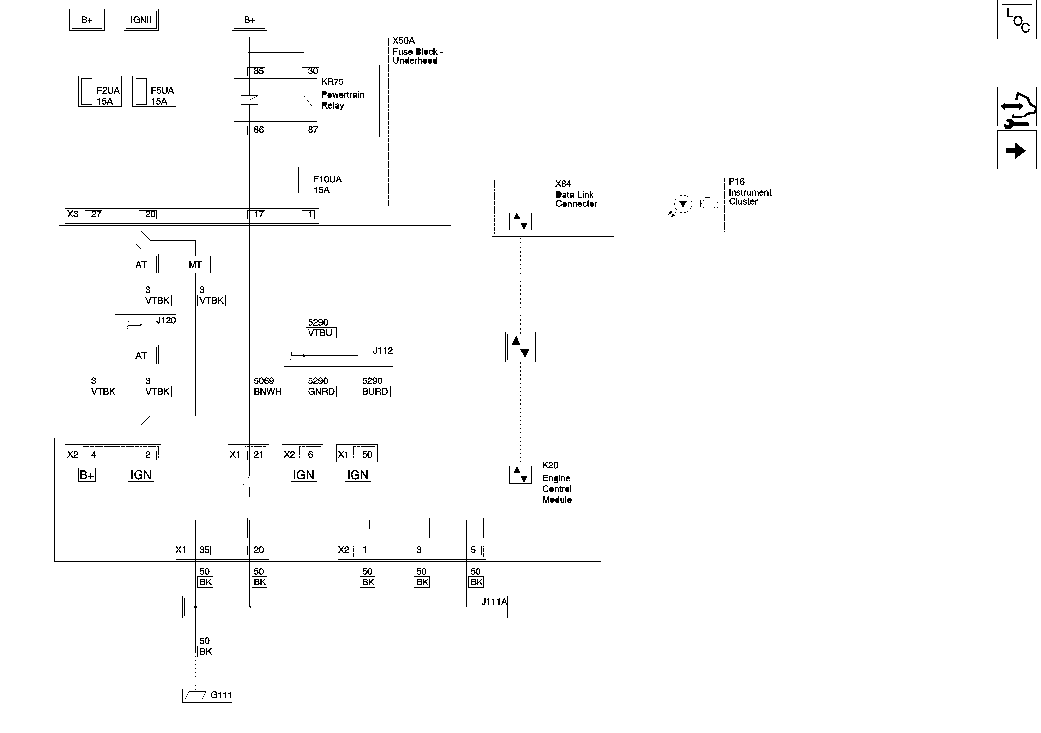
Figure 1:

Power, Ground, Serial Data and MIL


Object Number: 2134858  Size: FS
Figure 2:

Engine Data Sensors -- MAF, Pressure and Temperature


Object Number: 2134879  Size: FS
Figure 3:

Engine Data Sensors - Throttle Controls


Object Number: 2134891  Size: FS
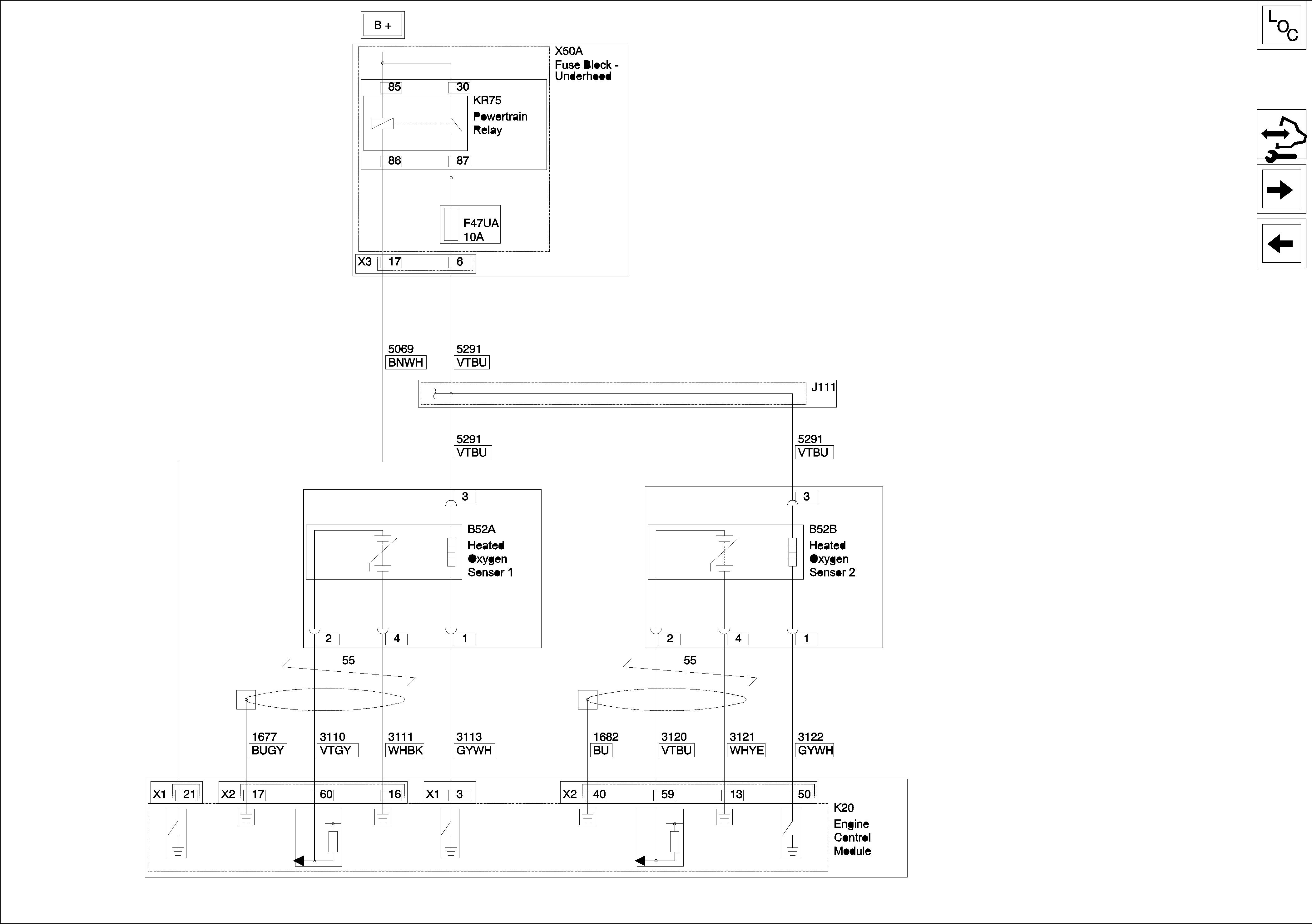
Figure 4:

Engine Data Sensors - Oxygen Sensors


Object Number: 2134899  Size: FS
Figure 5:

Fuel Controls - Fuel Pump and Injectors


Object Number: 2134915  Size: FS
Figure 6:

Fuel Controls - Fuel Pump and Injectors (North America)


Object Number: 2134935  Size: FS
Figure 7:

Ignition Controls - Ignition Sensors


Object Number: 2134936  Size: FS
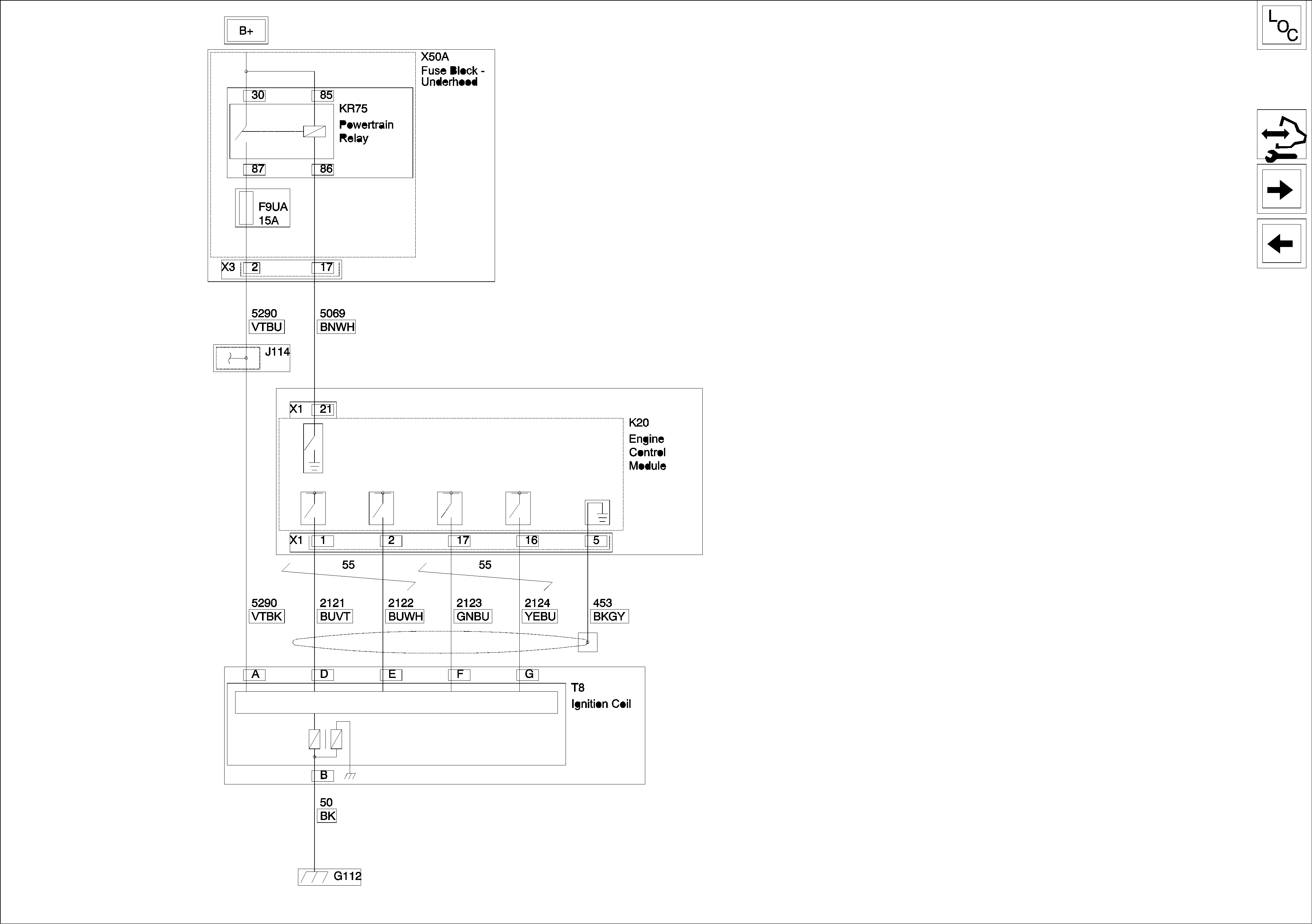
Figure 8:

Ignition Controls - Ignition System


Object Number: 2134946  Size: FS
Figure 9:

Engine Data Sensors - Actuators


Object Number: 2134951  Size: FS
Figure 10:

Engine Data Sensors - EVAP Controls


Object Number: 2173405  Size: FS