Special Tools
| • | DT-41229 Manual Shaft Pin Installer
|
| • | DT-48550 Detent Lever Pin Remover
|
For equivalent regional tools, refer to
Special Tools.
Removal Procedure
- Remove the control valve body. Refer to
Control Valve Body Replacement.
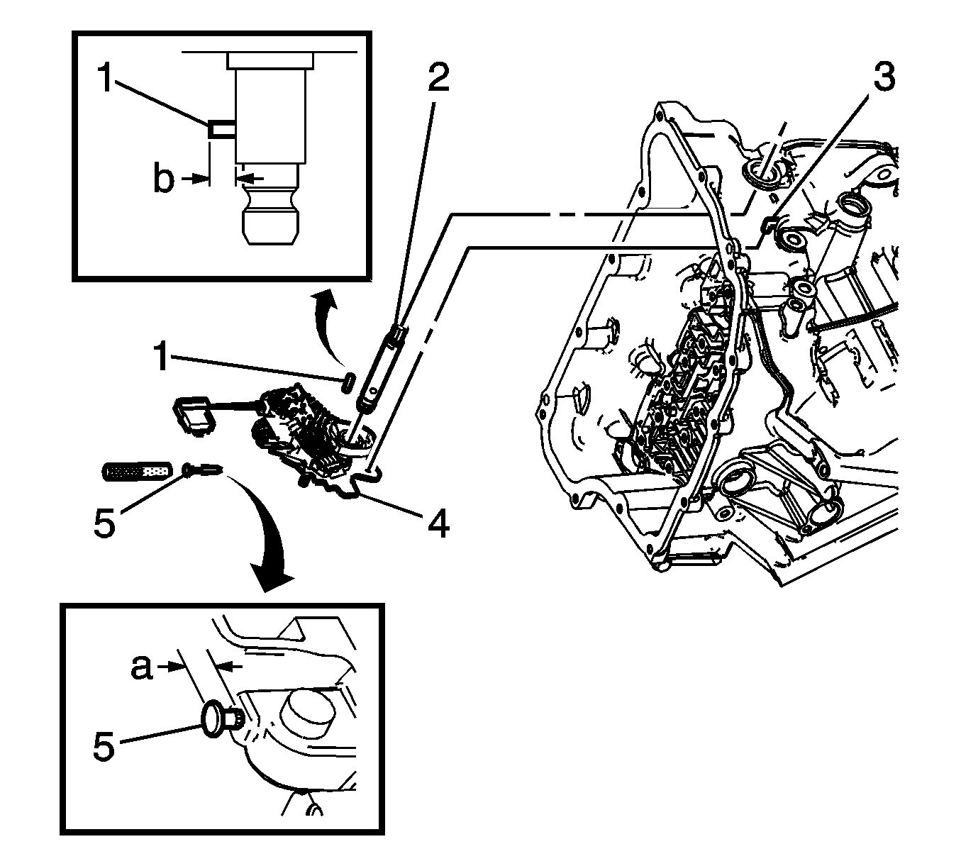
- Remove the manual shaft detent lever hub pin (1) using
DT-48550 pin remover
.
- Remove the manual shift shaft pin (5). Discard the pin.
- Remove the manual shaft (2).
Note: Disconnect the actuator rod (3) from the detent lever assembly. Do not remove the actuator rod from the transmission case.
- Remove the manual shaft detent (with shift position switch) lever assembly (4).
Installation Procedure
Note: Connect the actuator rod (3) to the detent lever assembly.
- Install the manual shaft detent (with shift position switch) lever assembly (4).
- Install the manual shaft (2).
- Install the manual shaft detent lever hub pin (1) using
DT-48550 pin remover
.
Specification
Install the manual shaft detent lever hub pin to height of (b) 7.9 mm (0.38 in).
Caution: Use J 41229 to install the manual shaft pin at the correct height in order to properly secure the manual shaft. If you install the pin too deep, the case bore may crack.
- Install the NEW manual shift shaft pin (5) using
DT-41229 pin installer
. Use a NEW pin to ensure proper engagement with the case.
Specification
Inspect pin installed height is within (a) 7.2-8.2 mm (0.28-0.32 in).
- Install the control valve body. Refer to
Control Valve Body Replacement.
- Perform the service fast learn adapt procedure. Refer to
Service Fast Learn Adapts.