GM Service Manual Online
For 1990-2009 cars only
Table 1: Control Valve Body Cover Removal
Table 2: Control Solenoid (With Body and TCM) Valve Assembly Removal
Table 3: Control Valve Body Assembly Removal

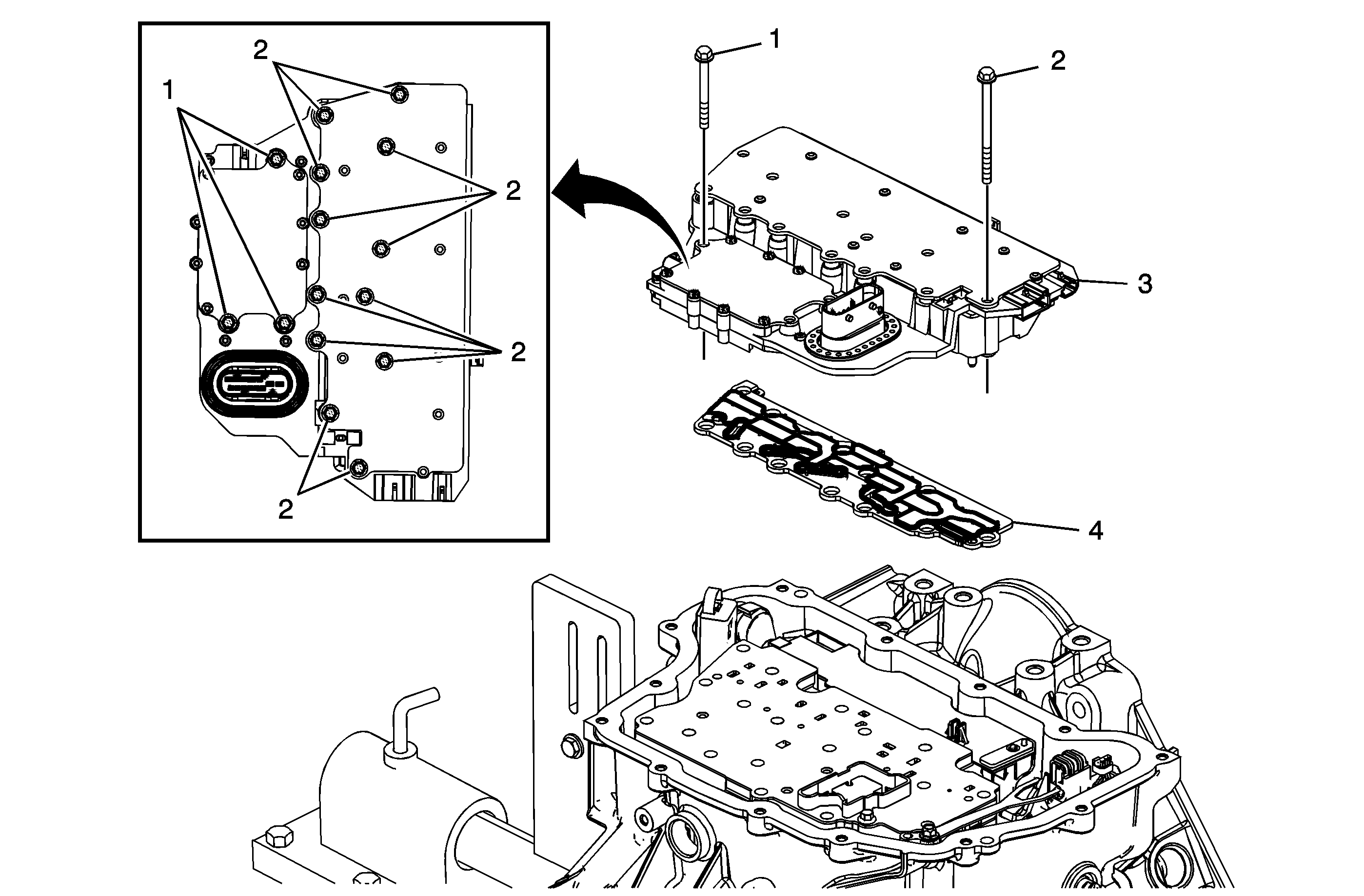
Control Valve Body Cover Removal


Object Number: 1891304  Size: MF

Control Valve Body Cover Removal

Callout

Component Name

1

Control Valve Body Cover Bolts M6 x 30 (Qty: 13)

2

Control Valve Body Cover

3

Control Valve Body Gasket

Tip
Discard the seal. It is not reusable.

4

Control Valve Body Cover Wiring Connector Hole Seal

Caution: Support the control solenoid valve assembly around the connector when removing the seal. Excessive pulling force can damage the internal electrical connections.

Tip
Discard the seal. It is not reusable.

5

Shift Position Switch Connector

6

Output Speed Sensor Connector

7

Input Speed Sensor Connector

Control Solenoid (With Body and TCM) Valve Assembly Removal


Object Number: 1891305  Size: MF

Control Solenoid (With Body and TCM) Valve Assembly Removal

Callout

Component Name

1

Control Valve Body M5 x 40.5 (Qty: 3)

2

Control Valve Body Bolt M6 x 30 (Qty: 12)

3

Control Solenoid (with Body and TCM) Valve Assembly

4

Control Solenoid Valve Assembly Filter Plate

Caution: Use care when removing or installing the filter plate assembly. A broken or missing retaining tab may not adequately secure the filter plate to the control solenoid valve assembly, resulting in possible damage or contamination.

Tip

    • Discard the filter plate. It is not reusable.
    • Inspect the pressure switch seals for damage or contamination. Replace the control solenoid valve assembly as necessary.

Control Valve Body Assembly Removal


Object Number: 1891307  Size: MF

Control Valve Body Assembly Removal

Callout

Component Name

1

Fluid Level Control Valve

2

Fluid Level Control Valve Gasket

3

Control Valve Body Bolt M6 x 60 (Qty: 9)

4

Control Valve Body Bolt M6 x 53 (Qty: 2)

5

Control Valve Body Assembly

6

Control Valve Body Spacer Plate Assembly

7

Manual Shaft Detent Spring Bolt M6 x 16 (Qty: 1)

8

Manual Shaft Detent Lever Spring Assembly

9

1-2-3-4 Clutch Fluid Passage Seal

Tip
Discard the seal. It is not reusable.

10

Low/Reverse Clutch Fluid Passage Seal

Tip
Discard the seal. It is not reusable.