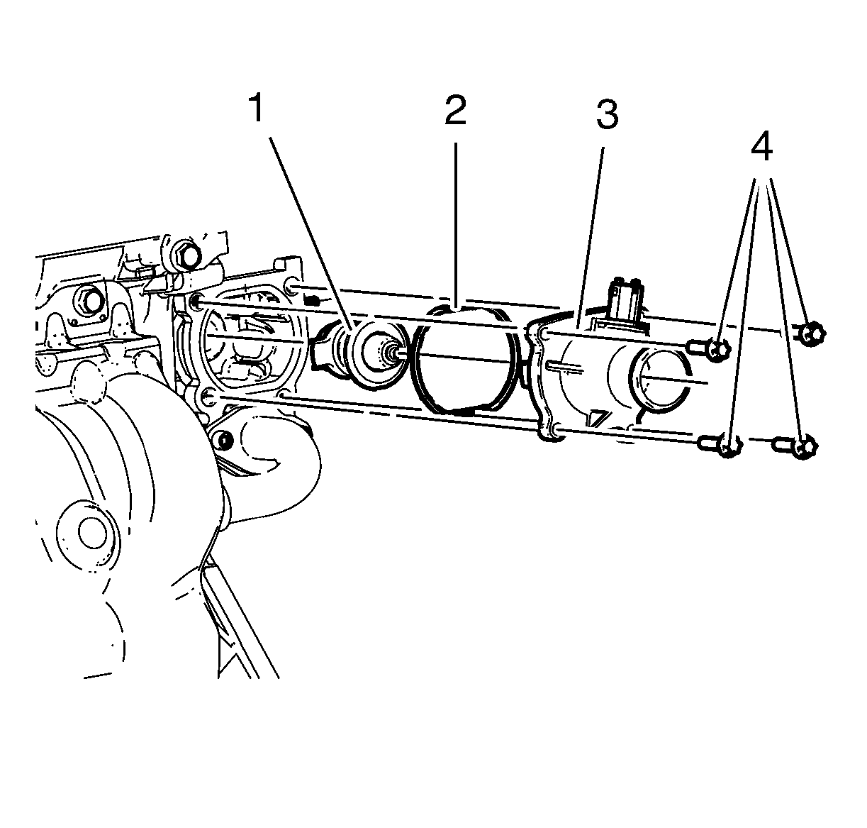
Callout
Component Name
1
Thermostat Housing Bolt (Qty: 2)
Caution: Refer to Fastener Caution in the Preface section.
Tighten23 N·m (17 lb ft)
2
Thermostat Housing Bolt
Tighten8 N·m (71 lb in)
3
Thermostat Housing
4
Thermostat Housing Seal
5
Thermostat
TipConsider the correct installation position of the thermostat.