GM Service Manual Online
For 1990-2009 cars only
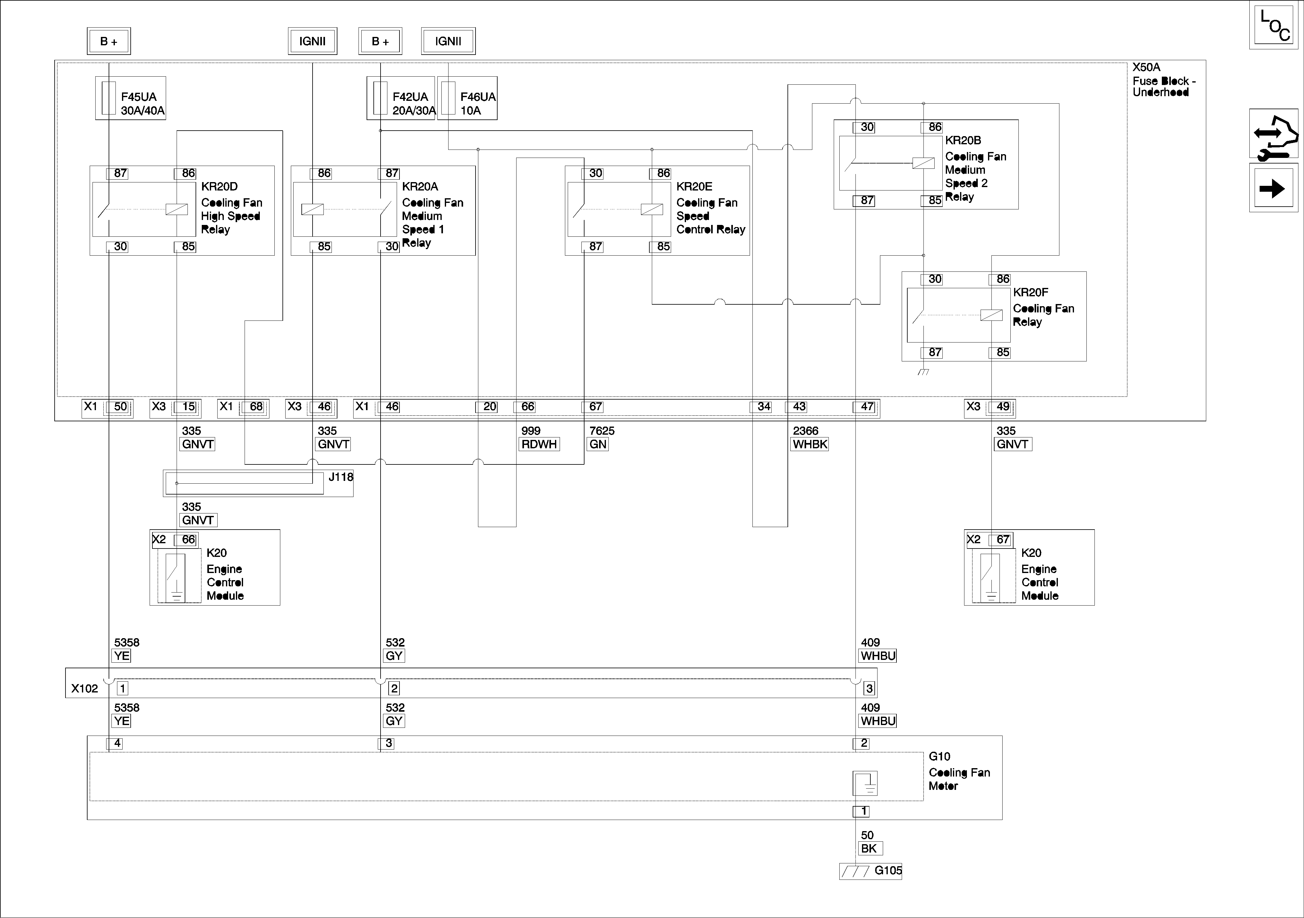
Figure 1:

Engine Cooling (Engine Gas, 4 CYL, 1.6L, MFI, DOHC, PT-JV, VARIABLE CAMSH AFT PHASING, 82KW ENGINE GAS, 4 CYL, 1.6L, MFI, DOHC, PT-JV, VARIABLE CAMSH AFT PHASING, PORT DEACTIVATION ENGINE GAS, 4 CYL, 1.8L, MFI, 103KW, DOHC)


Object Number: 2135061  Size: FS
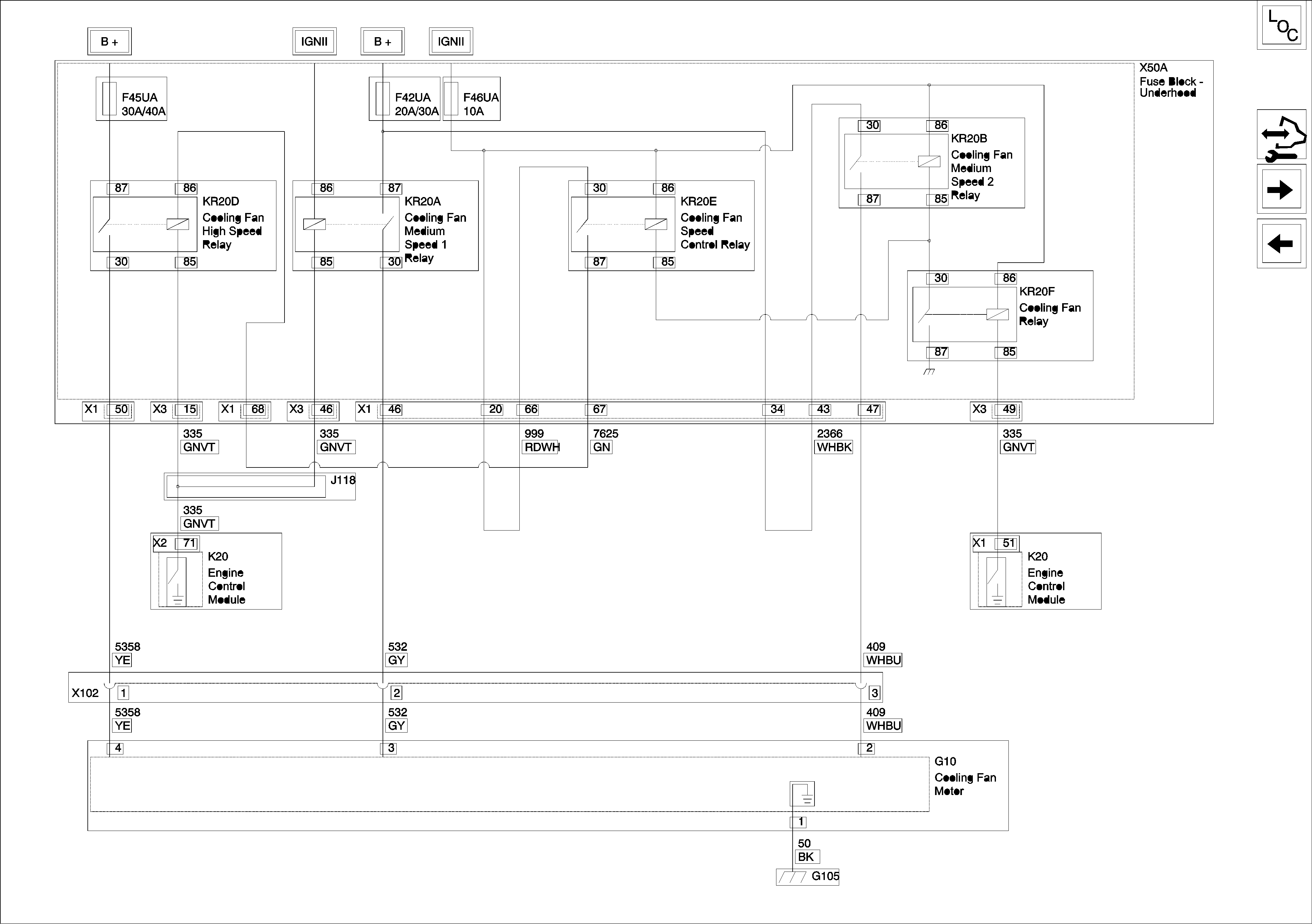
Figure 2:

Engine Cooling (ENGINE GAS, 4 CYL, 1.6L, MFI, DOHC, 80 KW (GMDAT))


Object Number: 2179288  Size: FS
Figure 3:

Engine Cooling - Engine Diesel, 4 CYL, L4, 2.0L, CRI, SOHC, TURBO, 110 KW (1 of 2)


Object Number: 2135071  Size: FS
Figure 4:

Engine Cooling (DIESEL, 4 CYL, L4, 2.0L, CRI, SOHC, TURBO, 110  KW) (2 of 2)


Object Number: 2173408  Size: FS