GM Service Manual Online
For 1990-2009 cars only
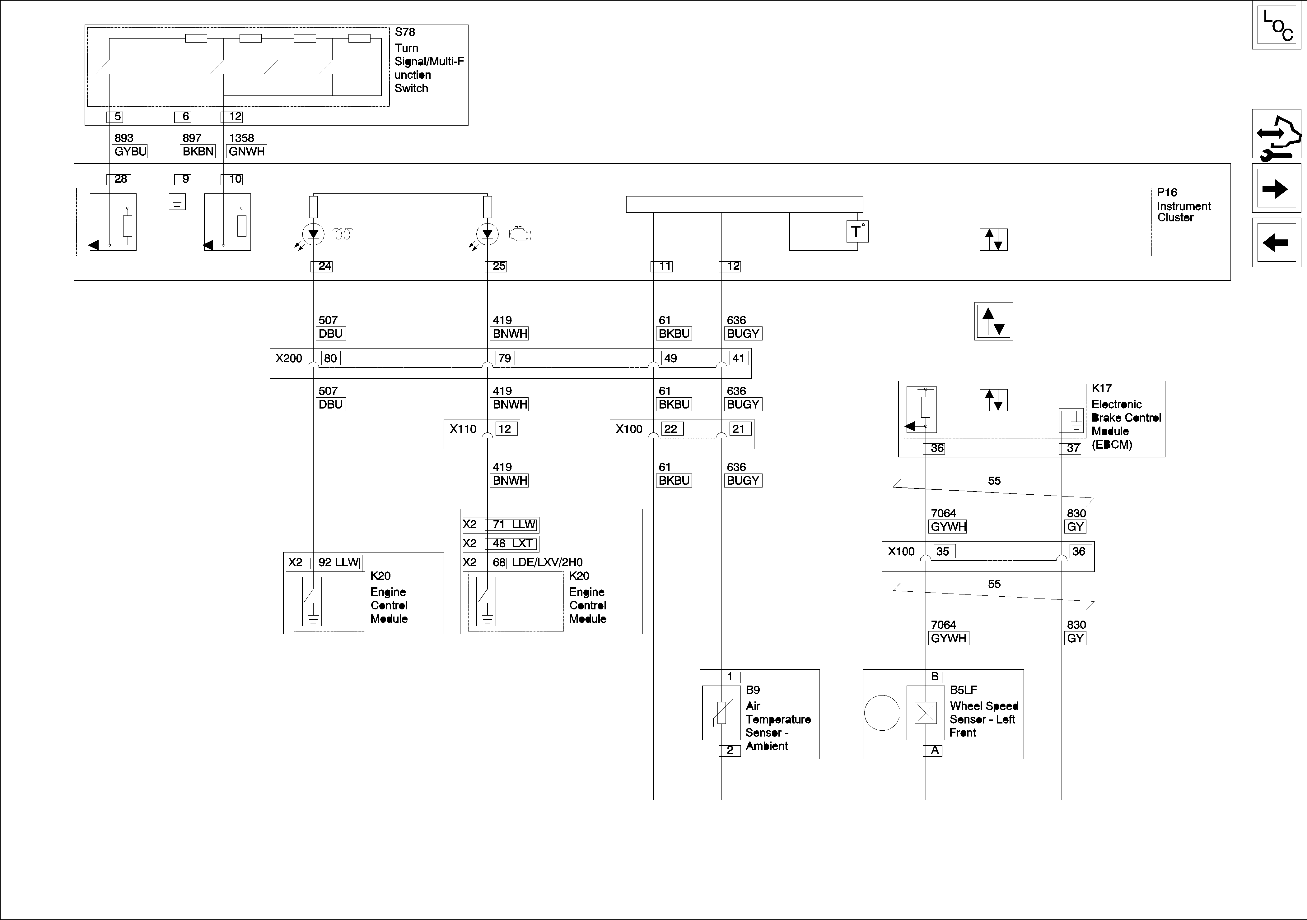
Figure 1:

Switches and Sensors (1 of 2)


Object Number: 2134821  Size: FS
Figure 2:

Indicators


Object Number: 2134826  Size: FS
Figure 3:

Power, Ground and Serial Data


Object Number: 2134830  Size: FS
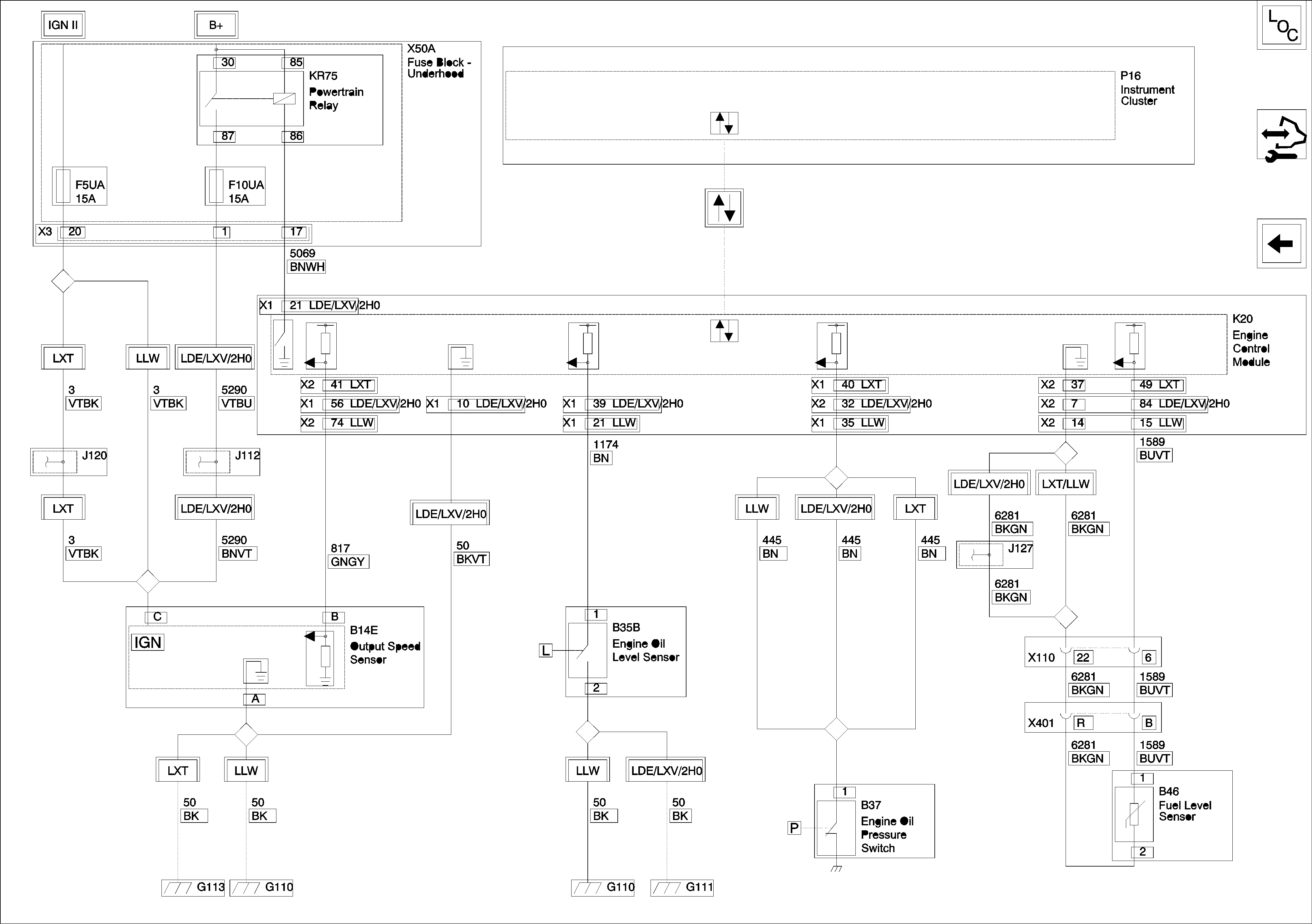
Figure 4:

Switches and Sensors 2 of 2


Object Number: 2134832  Size: FS