GM Service Manual Online
For 1990-2009 cars only
Makes
🢒
Daewoo
🢒
2009
🢒
Lacetti (Global Delta)
🢒
Body Systems
🢒
Vehicle Access
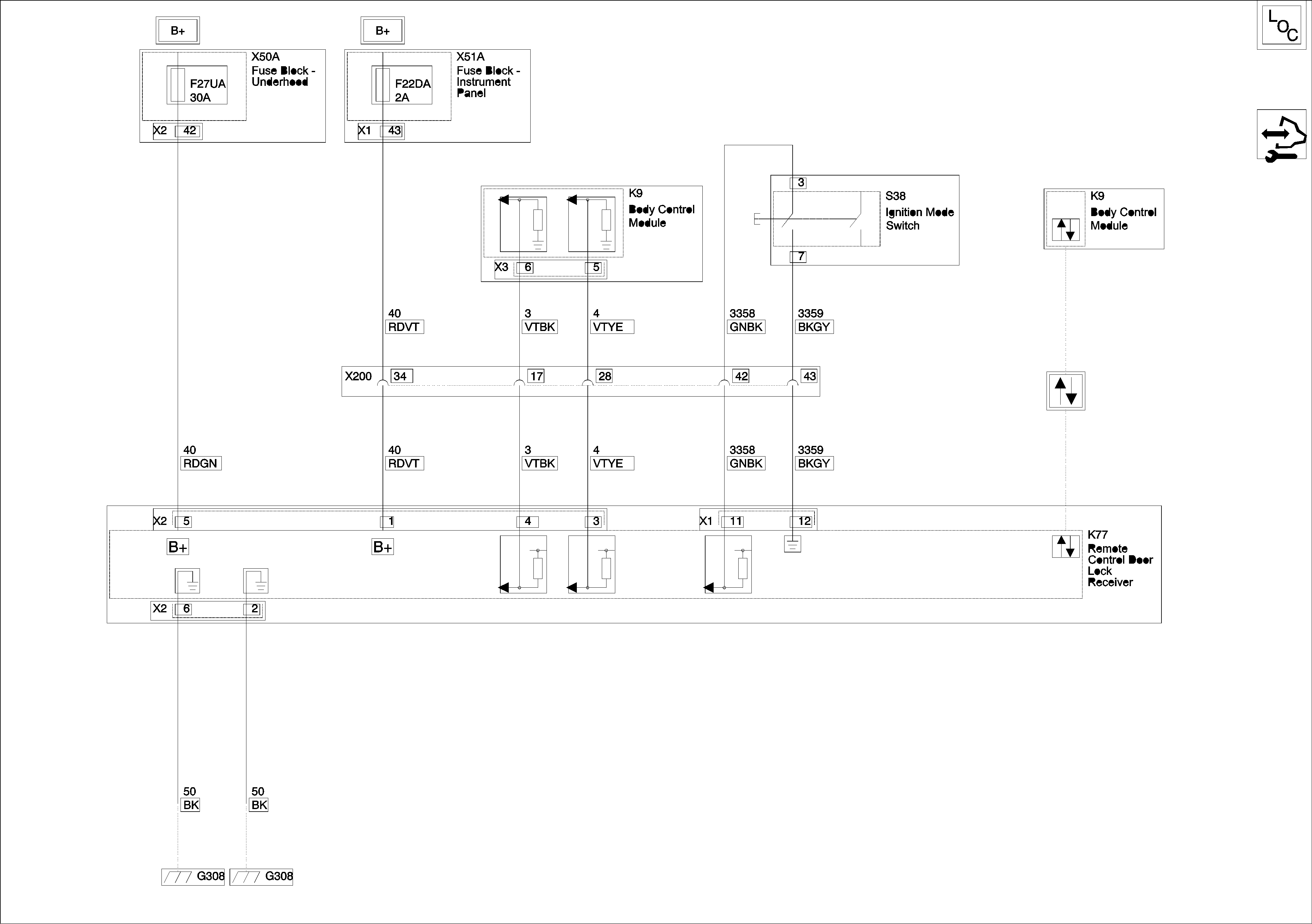
🢒 Door Control Module Schematics
Power, Ground and Serial Data (Lock Control, Entry Remote Entry, Extended Range, Passive Entry)