GM Service Manual Online
For 1990-2009 cars only

Removal Procedure

  1. Set the park brake and chock the wheels.
  2. Remove the battery tray. Refer to Battery Tray Replacement.

  3. Object Number: 2001179  Size: SH
  4. Disconnect the transmission range selector lever cable terminal (1) from the transmission manual shift lever pin.
  5. Press the locking tabs inward in order to release the transmission range selector lever cable (2) from the cable bracket.
  6. Remove the console. Refer to Front Floor Console Replacement.

  7. Object Number: 1998670  Size: SH
  8. Disconnect the transmission range selector lever cable terminal (2) from the shift lever pin.
  9. Release the transmission range selector lever cable retainer (1) and remove the transmission range selector cable from the transmission control lever base.

  10. Object Number: 1998671  Size: SH
  11. Release the transmission range selector lever cable retainer (1).

  12. Object Number: 1998672  Size: SH
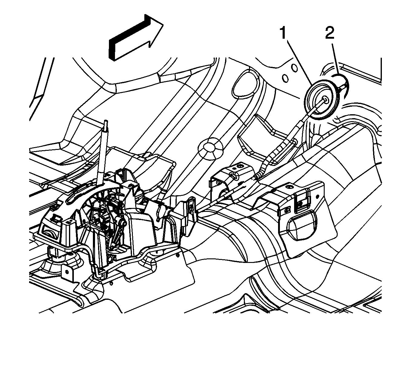
  13. Remove the transmission range selector lever cable grommet (1) from the cowl panel (2).
  14. Remove the transmission range selector lever cable from the vehicle.

Installation Procedure


    Object Number: 1998672  Size: SH
  1. Install the transmission range selector lever cable to the vehicle.
  2. Install the transmission range selector lever cable grommet (1) to the cowl panel (2).

  3. Object Number: 1998671  Size: SH
  4. Attach the transmission range selector lever cable retainer (1).

  5. Object Number: 1998670  Size: SH
  6. Install the transmission range selector lever cable to the transmission control lever base. Insure the cable retainer (1) is fully secured to the transmission control lever base.
  7. Connect the transmission range selector lever cable terminal (2) to the shift lever pin.
  8. Install the console. Refer to Front Floor Console Replacement.

  9. Object Number: 2001179  Size: SH
  10. Install the transmission range selector lever cable (2) to the cable bracket.
  11. Connect the transmission range selector lever cable terminal (1) to the transmission manual shift lever pin.
  12. Adjust the automatic transmission range selector lever cable. Refer to Range Selector Lever Cable Adjustment.
  13. Install the battery tray. Refer to Battery Tray Replacement.