GM Service Manual Online
For 1990-2009 cars only
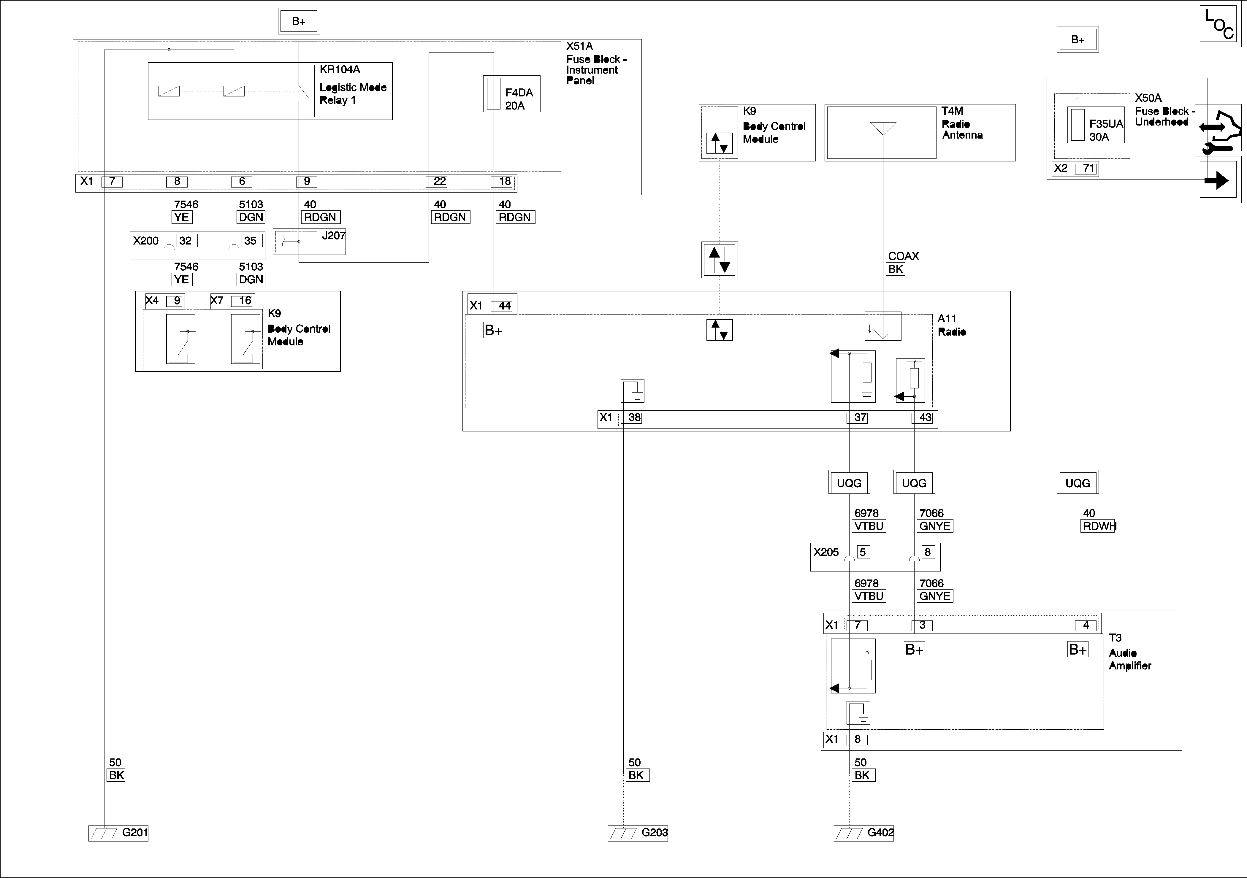
Figure 1:

Power, Ground and Serial Data


Object Number: 2134802  Size: FS
Figure 2:

Door Speakers and Center Speaker (LHD Speaker System Enhanced Audio With Amplifier)


Object Number: 2134804  Size: FS
Figure 3:

Door Speakers and Center Speaker (RHD Speaker System Enhanced Audio With Amplifier)


Object Number: 2173398  Size: FS
Figure 4:

Amplifier


Object Number: 2134806  Size: FS
Figure 5:

Door Speakers (LHD Speaker System Enhanced Audio With Amplifier)


Object Number: 2134808  Size: FS
Figure 6:

Door Speakers (RHD Speaker System Enhanced Audio With Amplifier)


Object Number: 2173399  Size: FS
Figure 7:

Center Speaker and Subwoofers (Speaker System Enhanced Audio With Amplifier)


Object Number: 2134811  Size: FS
Figure 8:

Auxiliary Audio


Object Number: 2134814  Size: FS