GM Service Manual Online
For 1990-2009 cars only
Figure 1:

Power, Ground, Serial Data, and Blower Controls


Object Number: 2135115  Size: FS
Figure 2:

HVAC Faceplate


Object Number: 2173411  Size: FS
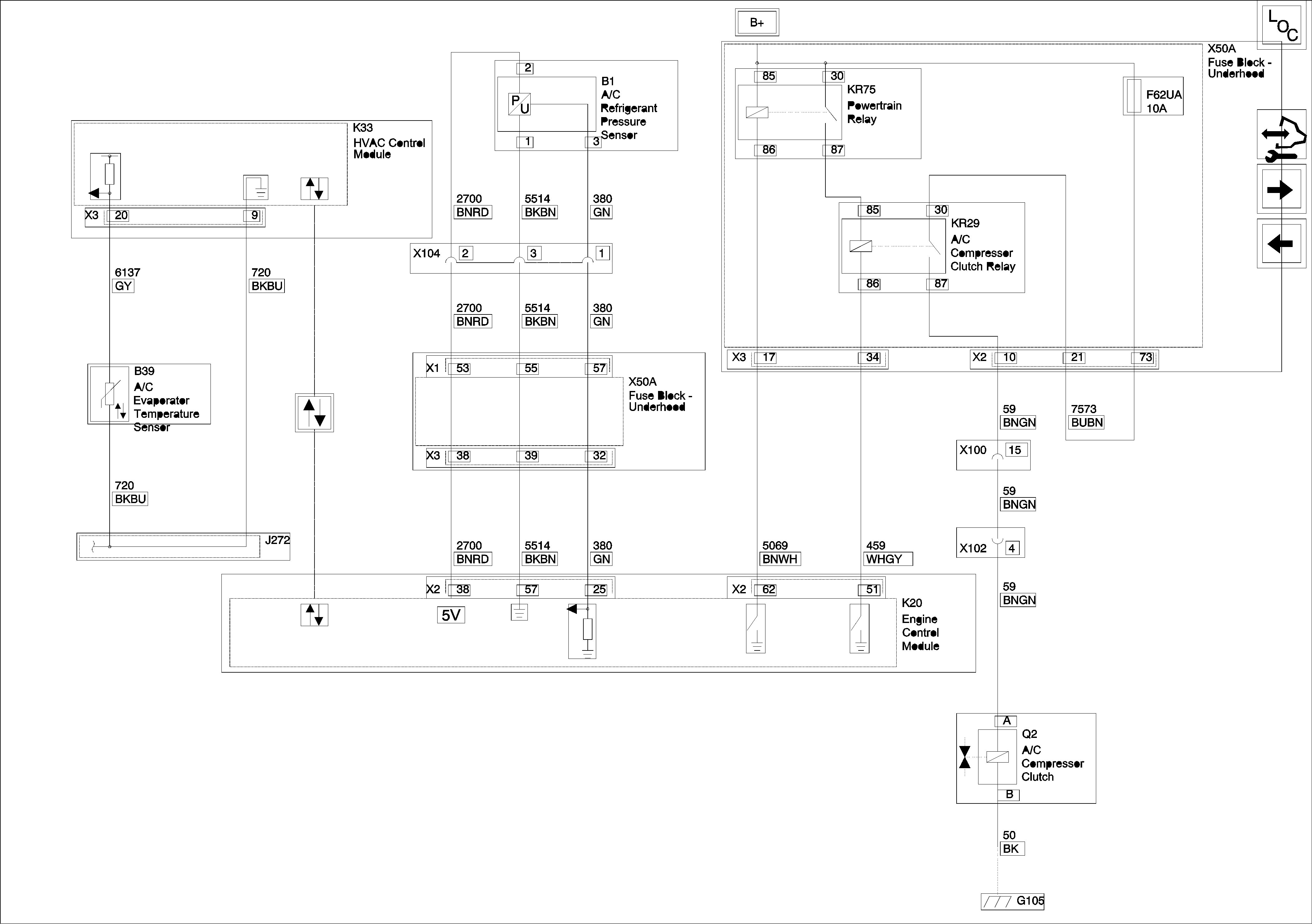
Figure 3:

Compressor Controls


Object Number: 2173417  Size: FS
Figure 4:

Compressor Controls


Object Number: 2179290  Size: FS
Figure 5:

Compressor Controls


Object Number: 2173418  Size: FS
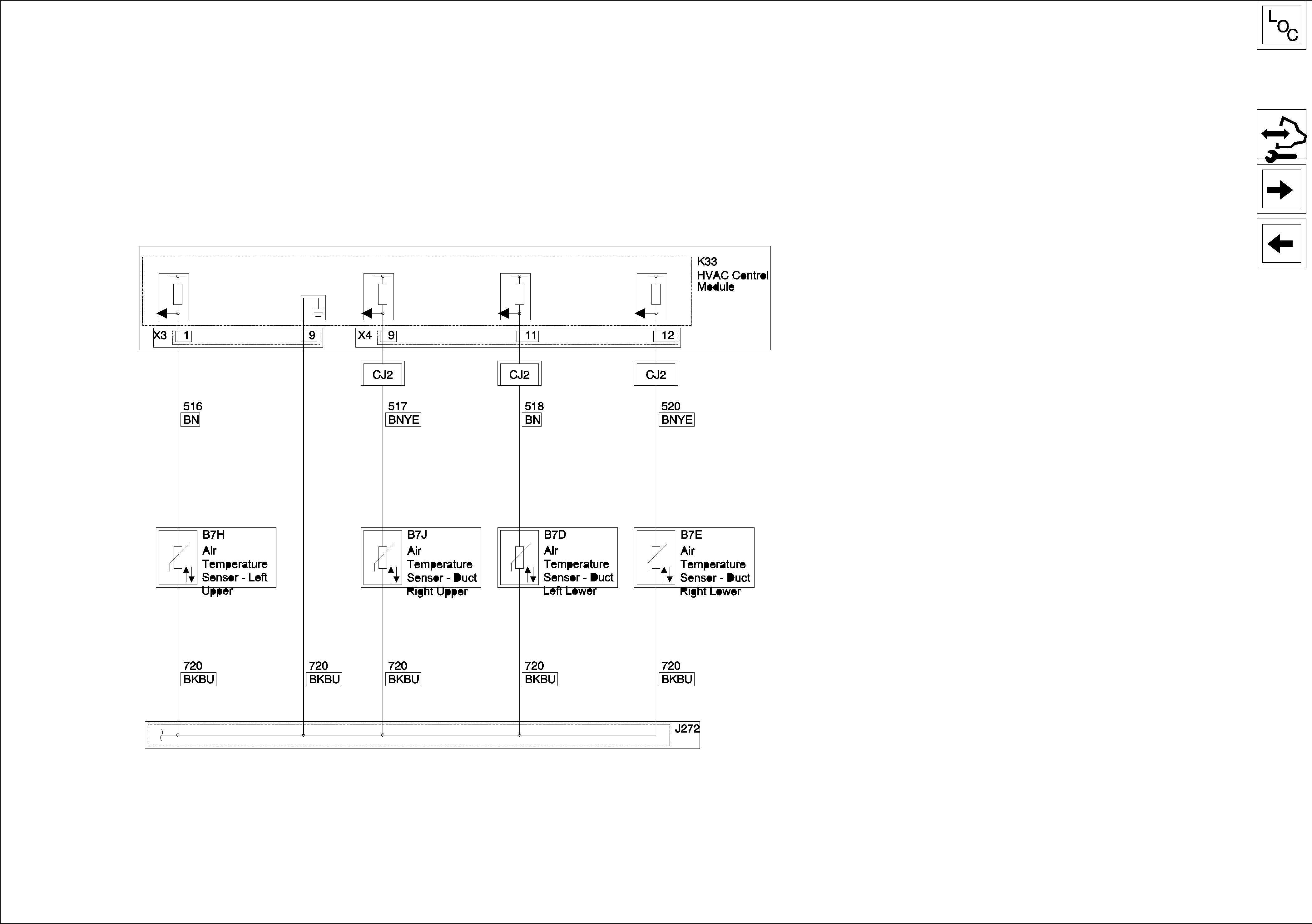
Figure 6:

Temperature Sensors


Object Number: 2135118  Size: FS
Figure 7:

Temperature Sensors (HVAC SYSTEM AIR CONDITIONER FRT, AUTO TEMP CONT, AUX TEMP CONT)


Object Number: 2135120  Size: FS
Figure 8:

Mode Controls


Object Number: 2173420  Size: FS
Figure 9:

Temperature Controls (HVAC SYSTEM AIR CONDITIONER FRT, AUTO TEMP CONT, AUX TEMP CONT)


Object Number: 2173422  Size: FS
Figure 10:

Sensor Air Quality


Object Number: 2135121  Size: FS
Figure 11:

Auxiliary Heater


Object Number: 2135128  Size: FS