GM Service Manual Online
For 1990-2009 cars only

CAMPAIGN:STEERING SHAFT FASTENERS

SUBJECT: INTERMEDIATE STEERING SHAFT BOLT LOOSE OR OMITTED

Models: 1993 GMC C6/C7 TopKick and P6 Commercial Chassis

TO: ALL GENERAL MOTORS DEALERS

General Motors of Canada Limited has determined that a defect, which relates to motor vehicle safety, exists in certain 1993 GMC C6/C7 TopKick and P6 Commercial chassis. Some of these vehicles were assembled with loose or missing intermediate steering shaft fasteners. If the fasteners are missing, the intermediate steering shaft can separate resulting in a total loss of steering control. The loss of steering control could cause the vehicle to crash without prior warning. To prevent this condition from occurring, dealers are to correct involved vehicles per the service procedure in this bulletin.

VEHICLES INVOLVED:

Involved are vehicles with the following Vehicle Identification Number (VIN) built within the following VIN breakpoints:

Year Make Model From Through ---- ---- ----- ---- ------- 1993 GMC C6/C7 PJ502393 PJ516782 1993 GMC P6 PJ506449 PJ513066

NOTE: PLEASE CHECK DCS SCREEN 45 OR YOUR V.I.N. LISTING BEFORE PERFORMING CAMPAIGN TO ENSURE THAT THE VEHICLE IS AFFECTED. ONLY AFFECTED VIN'S WILL BE PAID.

All affected vehicles have been identified by the VIN listing provided to involved dealers with this bulletin. Any dealer not receiving a listing was not shipped any of the affected vehicles.

DEALER CAMPAIGN RESPONSIBILITY:

All unsold new vehicles in dealer's possession and subject to this campaign MUST be held and inspected/repaired per the Service Procedure of this Campaign Bulletin before owners take possession of these vehicles.

Dealers are to perform this campaign on all involved vehicles at no charge to owners, regardless of kilometers traveled, age of vehicle, or ownership, from this time forward.

Owners of vehicles recently sold from your new vehicle inventory with no owner information indicated on the dealer listing, are to be contacted by the dealer, and arrangements made to make the required correction according to instructions contained in this bulletin. This could be done by mailing to such owners a copy of the owner letter accompanying this bulletin. Campaign follow-up cards should not be used for this purpose, since the owner may not as yet have received the notification letter.

In summary, whenever a vehicle subject to this campaign is taken into your new or used vehicle inventory, or is in your dealership for service in the future, please take the steps necessary to be sure the campaign correction has been made before selling or releasing the vehicle.

CAMPAIGN PROCEDURE:

Refer to Section 4 of the Service Policies and Procedures Manual for the detailed procedure on handling Product Campaigns. Dealers are requested to complete the campaign on all transfers as soon as possible.

OWNER NOTIFICATION:

All owners of record at the time of campaign release are shown on the attached computer listing and have been notified by first class mail from General Motors (see copy of owner letter included with this bulletin). The listings provided are for campaign activity only and should not be used for any other purpose.

PARTS INFORMATION:

NOTE: DO NOT OVER ORDER PARTS. A LIMITED NUMBER OF VEHICLES WILL HAVE DAMAGED OR OMITTED BOLTS.

Parts required to complete this campaign should be ordered through regular channels, as follows:

Parts information - GMC C6/C7 TopKick ------------------------------------- Part Number Description Quantity/Vehicle ----------- ------------ ---------------- 7848748 Nut 1 7848747 Bolt 1 15650963 Washer 1 26005756 Bolt 1

Parts information - GMC P6 Commercial Chassis

Part Number Description Quantity/Vehicle ------------ ----------- ---------------- 11508696 Bolt 2 11501033 Nut 2 2436162 Washer 4

PARTS AND LABOUR CLAIM INFORMATION:

Credit for the campaign work performed will be paid upon receipt of a properly completed campaign claim card or DCS transmission in accordance with the following:

Repair Code Description Time Allowance ----------- ------------ -------------- 1A Inspect/Torque to Specifications .3 2A Replace Bolts and Torque to Specifications .4

Time allowance includes. 0.1 hour for dealer administrative detail associated with this campaign. Parts credit will be based on dealer net plus 30% to cover parts handling.

SERVICE PROCEDURE: - GMC C6/C7 TOPKICK -------------------------------------- Inspect for mispositioned, loose, damaged, or omitted bolt.

1. Park and secure the vehicle (see section 0A-8 in the Service Manual).

2. Loosen hood latches and access engine compartment.

3. Proceed to the driver's side of vehicle. It may be necessary to remove the inner fender to better access the inspection and repair area.

4. Find and locate the intermediate steering shaft at the cab bulkhead in the engine compartment on driver's side of vehicle. Refer to Figure (1) for further details.

5. Refer to Figure (1) item #2 and item #3. Inspect for any damage to the threads of the bolt or the nut. Inspect for proper installation of carriage bolt head to the outer sleeve of intermediate steering shaft. If the bolt head turns while trying to torque nut or any damage to the threads are found during inspection, remove bolt and nut and replace both items #1 and #2 shown in Figure (1). Install the carriage bolt so that the bolt head is retained by the square notch on the outer sleeve of the intermediate shaft. Torque the nut item #1 to 62 N.m (46 lb. ft.).

6. Refer to Figure (1) items #3 and #4. Inspect for damaged or missing parts if inspection reveals a problem replace parts as necessary and torque item #4 to 65 N.m (45 lb. ft).

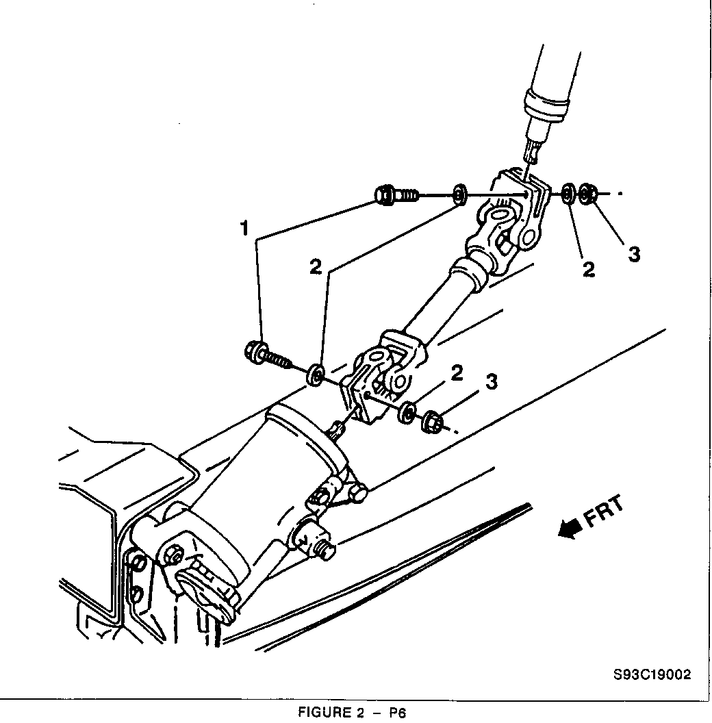
SERVICE PROCEDURE: - GMC P6 COMMERCIAL CHASSIS ---------------------------------------------- Inspect for mispositioned, loose, damaged, or omitted bolt.

1. Park and secure vehicle (see section 0A-8 in the Service Manual).

2. Loosen hood latches and access engine compartment.

3. Proceed to the driver's side of the vehicle.

4. Find and locate the intermediate steering shaft at the engine bulkhead on the driver's side of the vehicle. Refer to Figure (2) for further details.

5. Refer to Figure (2) items #1, #2, #3. Inspect for any damage to the bolt or nut, and for missing items. If bolt and nut are inspected and there is no damage or missing parts to the assembly, hold bolt with wrench and torque nut item #3 to 46 N.m (33 lb. ft.).

INSTALLATION OF CAMPAIGN IDENTIFICATION LABEL

Clean surface of radiator upper mounting panel and apply a Campaign Identification Label. Make sure the correct campaign number is inserted on the label. This will indicate that the campaign has been completed.

Dear General Motors Customer

General Motors of Canada Limited has determined that a defect, which relates to motor vehicle safety, exists in certain 1993 GMC C6/C7 TopKick and P6 Commercial chassis. Some of these vehicles were assembled with loose or missing intermediate steering shaft fasteners. If the fasteners are missing, the intermediate steering shaft can separate resulting in a total loss of steering control. The loss of steering control could cause the vehicle to crash without prior warning.

To correct this condition, your dealer will properly torque or install, if necessary, the pinch bolt.

This service will be provided for you at no charge.

Please contact your GM dealer as soon as possible to arrange a service date.

If parts are required, ask your dealer for details regarding their availability. If parts are not in stock, they can be ordered before scheduling your service date.

This letter identifies your vehicle. Presentation of this letter to your dealer will assist their Service personnel in completing the necessary correction to your vehicle in the shortest possible time.

We are sorry to cause you this inconvenience; however, we have taken this action in the interest of your continued satisfaction with our products.

Customer Support Department General Motors of Canada Limited


Object Number: 335542  Size: FS


Object Number: 335544  Size: FS

General Motors bulletins are intended for use by professional technicians, not a "do-it-yourselfer". They are written to inform those technicians of conditions that may occur on some vehicles, or to provide information that could assist in the proper service of a vehicle. Properly trained technicians have the equipment, tools, safety instructions and know-how to do a job properly and safely. If a condition is described, do not assume that the bulletin applies to your vehicle, or that your vehicle will have that condition. See a General Motors dealer servicing your brand of General Motors vehicle for information on whether your vehicle may benefit from the information.