GM Service Manual Online
For 1990-2009 cars only
Makes
🢒
GMC_Truck
🢒
1998
🢒
Jimmy - 2WD
🢒
Body and Accessories
🢒
Lighting Systems
🢒 Interior Lights Dimming Schematics
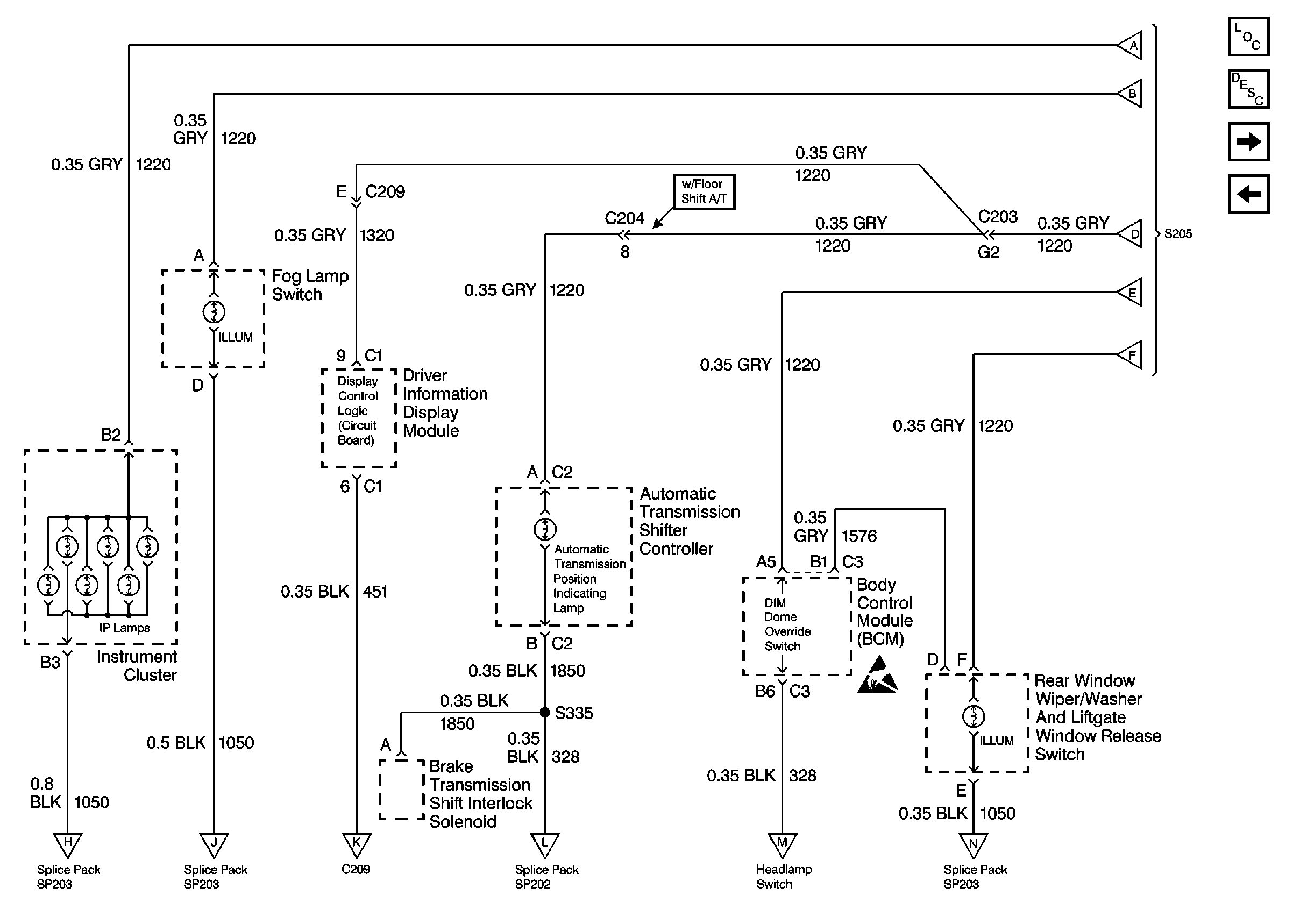
Figure
1:
Cell 117: IP Fuse Block
Lighting Systems Components
Interior Lights Dimming Circuit Description
Cell 117: Instrument Cluster and Fog Lamp Switch
Exterior Lights Schematics
Body Control System Schematics
Power Distribution Schematics
Ground Distribution Schematics
Handling ESD Sensitive Parts Notice
Cell 117: Instrument Cluster and Fog Lamp Switch
Cell 117: Instrument Cluster and Fog Lamp Switch
Cell 117: Instrument Cluster and Fog Lamp Switch
Cell 117: Instrument Cluster and Fog Lamp Switch
Cell 117: Instrument Cluster and Fog Lamp Switch
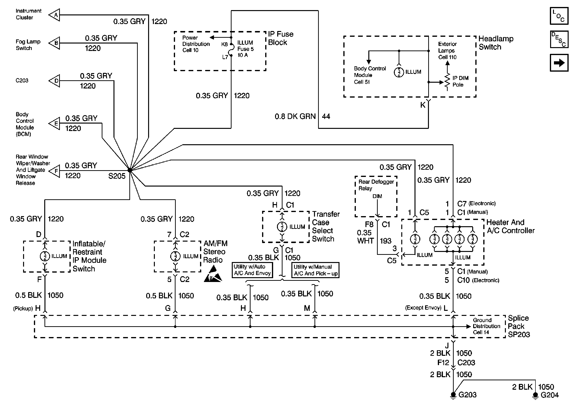
Figure
2:
Cell 117: Instrument Cluster and Fog Lamp Switch
Lighting Systems Components
Interior Lights Dimming Circuit Description
Cell 117: Headlamp Switch
Cell 117: IP Fuse Block
Handling ESD Sensitive Parts Notice
Cell 117: IP Fuse Block
Cell 117: IP Fuse Block
Cell 117: IP Fuse Block
Cell 117: IP Fuse Block
Cell 117: IP Fuse Block
Cell 117: Headlamp Switch
Cell 117: Headlamp Switch
Cell 117: Headlamp Switch
Cell 117: Headlamp Switch
Cell 117: Headlamp Switch
Cell 117: Headlamp Switch
Figure
3:
Cell 117: Headlamp Switch
Lighting Systems Components
Interior Lights Dimming Circuit Description
Cell 117: Instrument Cluster and Fog Lamp Switch
Cell 117: Instrument Cluster and Fog Lamp Switch
Cell 117: Instrument Cluster and Fog Lamp Switch
Cell 117: Instrument Cluster and Fog Lamp Switch
Cell 117: Instrument Cluster and Fog Lamp Switch
Cell 117: Instrument Cluster and Fog Lamp Switch
Cell 117: Instrument Cluster and Fog Lamp Switch
Ground Distribution Schematics
Ground Distribution Schematics
Ground Distribution Schematics
Ground Distribution Schematics
Ground Distribution Schematics
Ground Distribution Schematics