GM Service Manual Online
For 1990-2009 cars only
Makes
🢒
GMC_Truck
🢒
2005
🢒
Jimmy - 2WD
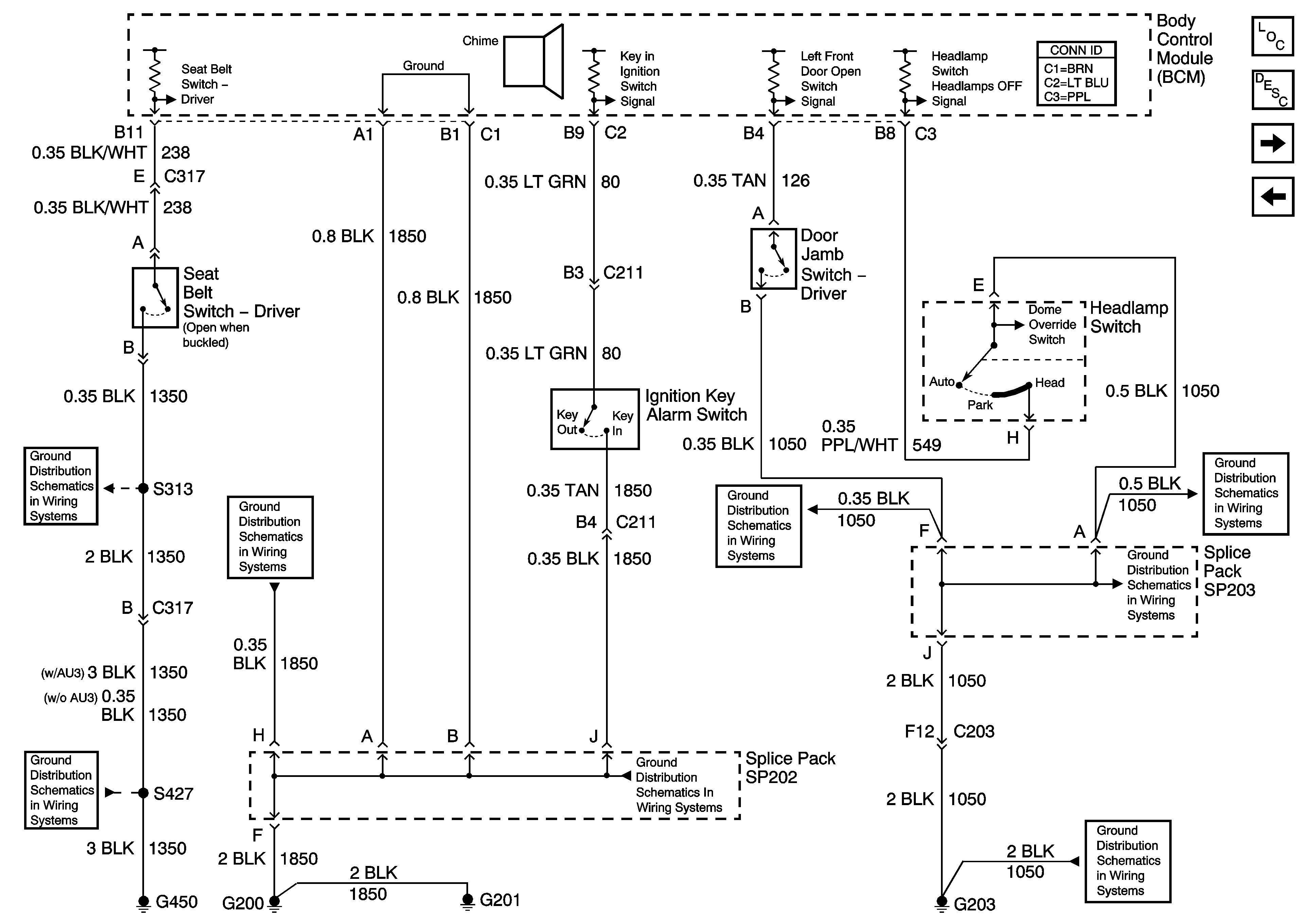
🢒 Seat Belt Switch, Ignition Key Alarm Switch, Door Jamb Switch and Headlamp Switch
Seat Belt Switch, Ignition Key Alarm Switch, Door Jamb Switch and Headlamp Switch
Seat Belt Switch, Ignition Key Alarm Switch, Door Jamb Switch and Headlamp Switch
Master Electrical Component List
Audible Warnings Description and Operation
Turn Signals
TBC, PARK LPS, GAGES and CRUISE Fuses
S313 and S419
G200, G201,G207-Crew Cab
G420, G450 and S427
G200, G201,G207-Crew Cab
G203 and G204 - Utility w/Manual A/C
G203 and G204 - Utility w/Manual A/C
G203 and G204 - Utility w/Manual A/C