GM Service Manual Online
For 1990-2009 cars only
Figure 1:

Headlamp Switch, Ambient Light Sensor and BCM


Object Number: 885813  Size: FS
Master Electrical Component List
Exterior Lighting Systems Description and Operation
DRL and Headlamp Power Relays
B+ Bus Bar
Headlamp Grounding Relay and BCM
DRL and Headlamp Power Relays
ILLUM, STG WHL ILLUM, and PARK LP Fuses
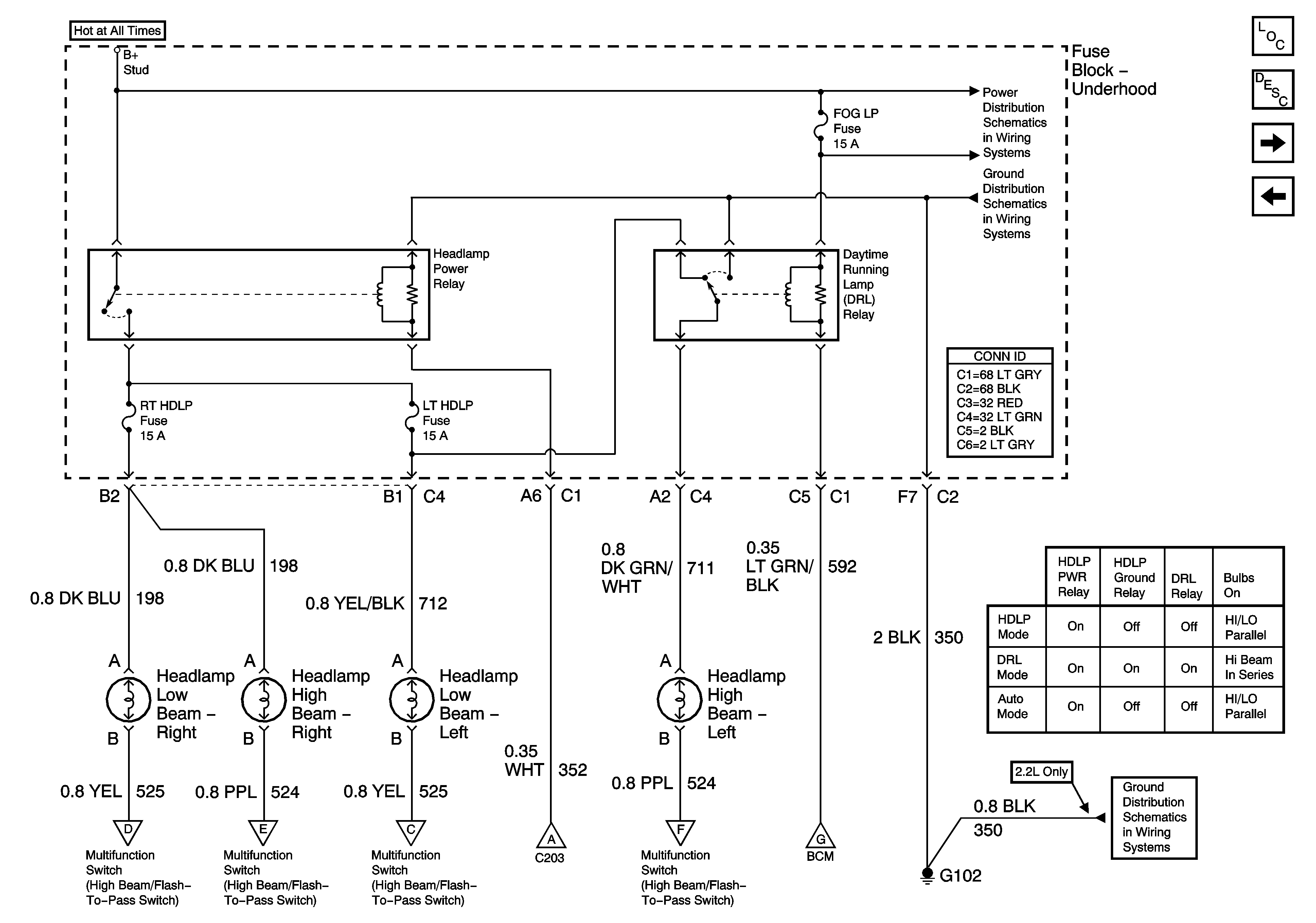
Figure 2:

DRL and Headlamp Power Relays


Object Number: 1509243  Size: FS
Master Electrical Component List
Exterior Lighting Systems Description and Operation
Headlamp Grounding Relay and BCM
Headlamp Switch, Ambient Light Sensor and BCM
MIR/LKS, FOG LP Fuses and DRL, Headlamp Power Relays
G102
Flash-To-Pass Switch, DRL Relay (ZR2) and BCM
Headlamp Switch, Ambient Light Sensor and BCM
Flash-To-Pass Switch, DRL Relay (ZR2) and BCM
Headlamp Grounding Relay and BCM
G102
Figure 3:

Headlamp Grounding Relay and BCM


Object Number: 755792  Size: FS
Master Electrical Component List
Exterior Lighting Systems Description and Operation
Flash-To-Pass Switch, DRL Relay (ZR2) and BCM
DRL and Headlamp Power Relays
B+ Bus Bar
Flash-To-Pass Switch, DRL Relay (ZR2) and BCM
Park/Turn Signal Lamps, Marker Lamps and Turn Signal Fuses, Front
Headlamp Switch, Ambient Light Sensor and BCM
DRL and Headlamp Power Relays
G200, G201,G207-Crew Cab
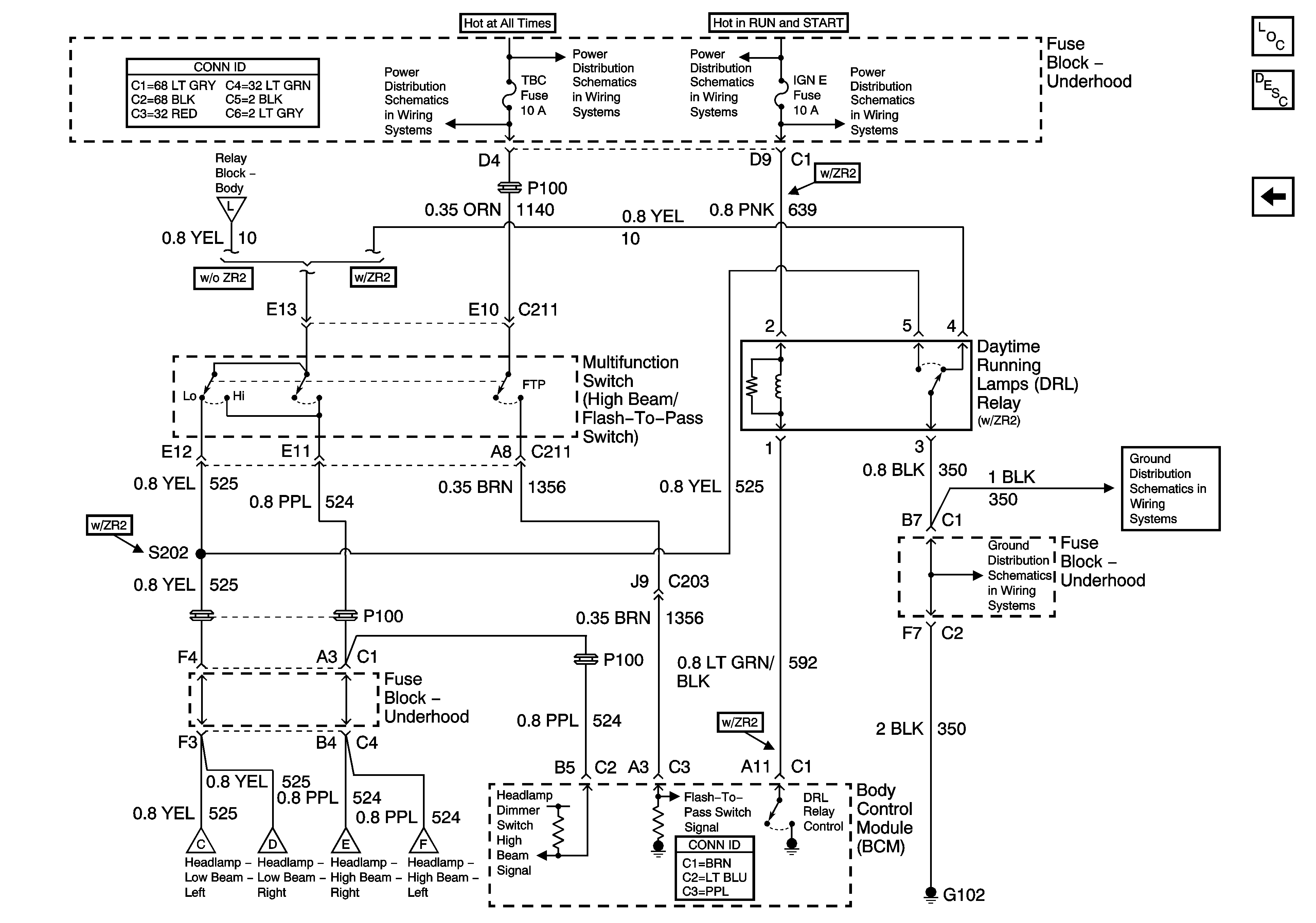
Figure 4:

Flash-To-Pass Switch, DRL Relay (ZR2) and BCM


Object Number: 1509246  Size: FS
Master Electrical Component List
Exterior Lighting Systems Description and Operation
Headlamp Grounding Relay and BCM
STUD 2, ABS, HDLP W/W, TBC and RR W/W Fuses
B+ Bus Bar
Ign RUN and START Bus Bar
IGN E Fuse and A/C Compressor Clutch, Rear Window Defogger Relays
Headlamp Grounding Relay and BCM
DRL and Headlamp Power Relays
G102
G102
G102