GM Service Manual Online
For 1990-2009 cars only
Figure 1:

Possible Fluid Leak Points


Object Number: 105898  Size: LF
(3)Pump to Case Bolt and Seal Assembly
(5)Oil Pump to Case Seal
(8)Transmission Oil Cooler Pipe Connector
(9)Vent Pipe
(15)Extension to Case Seal
(20)Prop Shaft Front Slip Yoke Oil Seal
(22)A/T Input Speed and Output Speed Sensor Assembly
(24)Oil Plug Test Hole
(27)Oil Pan to Case Bolt
(29)Transmission Oil Pan Seal
(34)Electrical Wiring Harness Assembly
(201)Torque Converter Oil Seal
(707)Manual Shaft Seal Assembly
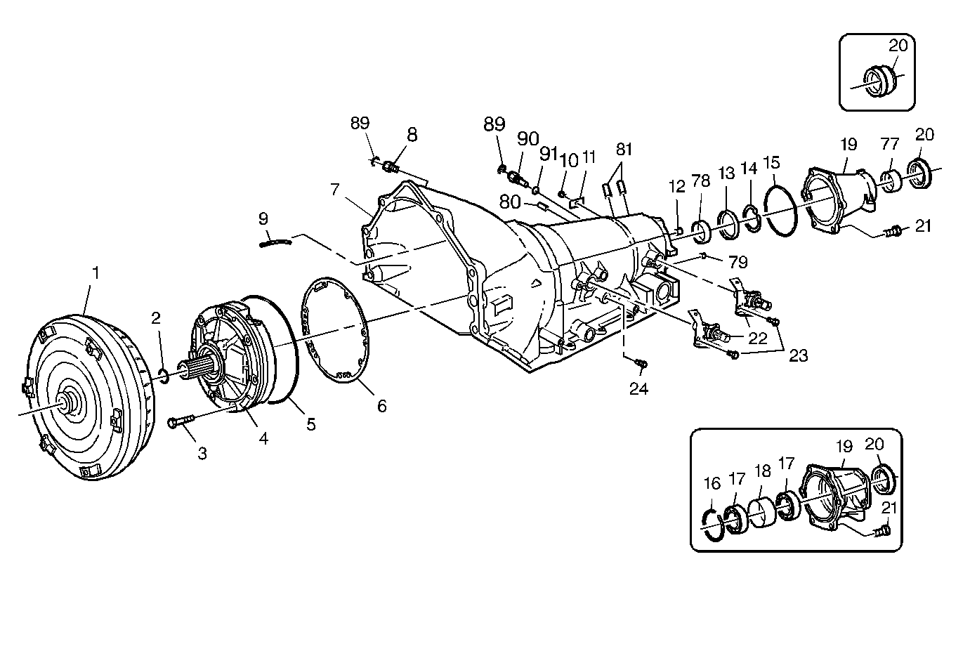
Figure 2:

Case and Associated Parts (1 of 3)


Object Number: 54720  Size: MF
(1)Torque Converter Assembly
(2)Turbine Shaft Oil Seal
(3)Pump to Case Bolt and Seal Assembly
(4)Complete Oil Pump Assembly
(5)Oil Pump to Case Seal
(6)Oil Pump Cover to Case Gasket
(7)Complete Case Assembly
(8)Transmission Oil Cooler Pipe Connector
(9)Vent Pipe
(10)Nameplate Screw
(11)Nameplate
(12)Orifice Cup Plug with Seal Rear Lube (4WD)
(13)Output Shaft Seal Assembly
(14)Output Shaft Seal Retainer Ring
(15)Extension to Case Seal
(16)Bearing Retaining Ring
(17)Ball Bearing Assembly
(17)Ball Bearing Assembly
(18)Bearing Spacer
(19)Case Extension Assembly
(19)Case Extension Assembly
(20)Prop Shaft Front Slip Yoke Oil Seal
(20)Prop Shaft Front Slip Yoke Oil Seal
(20)Prop Shaft Front Slip Yoke Oil Seal
(21)Extension To Case Bolt
(21)Extension To Case Bolt
(22)A/T Input Speed and Output Speed Sensor Assembly
(23)Input Speed and Output Speed Sensor Bolt
(24)Oil Plug Test Hole
(77)Case Extension Bushing
(78)Transmission Rear Case Bushing
(79)Direct Oil Gal - 0.25 Diameter Cup Plug
(80)Manual 2-1 Band Anchor Pin
(81)Low and Reverse Band Anchor Pin
(89)Transmission Oil Cooler Pipe Retainer (Some Models)
(89)Transmission Oil Cooler Pipe Retainer (Some Models)
(90)Transmission Rear Oil Cooler Pipe Connector
(91)Transmission Rear Oil Cooler Pipe Connector Seal
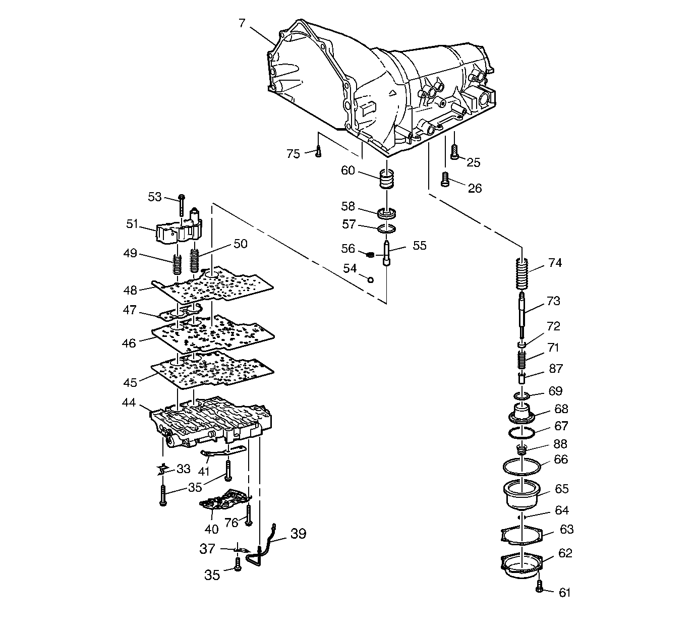
Figure 3:

Case and Associated Parts (2 of 3)


Object Number: 208250  Size: LF
(7)Complete Case Assembly
(27)Transmission Oil Pan Bolt
(28)Transmission Oil Pan
(29)Transmission Oil Pan Seal
(30)Magnet Chip Collector
(31)Transmission Oil Filter Assembly
(32)Filter Neck Seal Assembly
(33)Electrical Cable Clamp
(34)Electrical Wiring Harness Assembly
Figure 4:

Case and Associated Parts (3 of 3)


Object Number: 54730  Size: LF
(7)Complete Case Assembly
(25)Case to Center Support Bolt
(26)Case Bolt (Fourth Clutch)
(33)Electrical Cable Clamp
(35)Control Valve Body Assembly Bolt
(35)Control Valve Body Assembly Bolt
(37)Lube Pipe Retainer
(39)Lube Pipe
(40)A/T Fluid Pressure Manual Valve Position Switch
(41)Detent Spring Assembly
(44)Control Valve Body Assembly
(45)Control Valve Body to Spacer Plate Gasket
(46)Control Valve Body Spacer Plate
(47)Accumulator Housing to Spacer Plate Gasket
(48)Spacer Plate to Case Gasket
(49)Fourth Clutch Accumulator Piston Spring
(50)Third Clutch Accumulator Piston Spring
(51)Accumulator Housing
(53)Accumulator Housing to Control Valve Body Bolt
(54)Checkball
(55)Manual 2-1 Band Servo Piston Pin
(56)Manual 2-1 Band Servo Piston Pin Retainer Ring
(57)Manual 2-1 Band Servo Piston Seal
(58)Manual 2-1 Band Servo Piston
(60)Manual 2-1 Band Servo Piston Cushion Spring
(61)Low and Reverse Band Servo Cover Bolt
(62)Low and Reverse Band Servo Cover
(63)Low and Reverse Band Servo Cover Gasket
(64)Low and Reverse Band Servo Piston Pin Retaining Ring
(65)Low and Reverse Band Servo Piston
(66)Low and Reverse Band Servo Piston Seal
(67)1-2 Accumulator Piston Oil Seal Ring (Outer)
(68)1-2 Accumulator Piston
(69)1-2 Accumulator Piston Oil Seal Ring (Inner)
(71)Low and Reverse Band Servo Piston Spring
(72)Low and Reverse Band Servo Piston Spring Retainer
(73)Low and Reverse Band Servo Piston Pin (Selective)
(74)1-2 Accumulator Piston Spring
(75)PWM Solenoid Screen
(76)Special Bolt
(87)Low and Reverse Band Servo Piston Pin Spacer
(88)1-2 Accumulator Assist Spring Assembly
Figure 5:

Oil Pump Assembly


Object Number: 181739  Size: LF
(5)Oil Pump to Case Seal
(201)Torque Converter Oil Seal
(202)Pump Body Bushing
(203)Oil Pump Body
(204)Pump Driven Gear
(205)Pump Drive Gear
(206)Pump Cover
(207)Cup Plug (5)
(207)Cup Plug (5)
(207)Cup Plug (5)
(207)Cup Plug (5)
(208)Orificed Cup Plug (1)
(209)Cup Plug (2)
(209)Cup Plug (2)
(210)Orificed Cup Plug (1)
(211)Coiled Spring Pin (3)
(211)Coiled Spring Pin (3)
(211)Coiled Spring Pin (3)
(212)Converter Limit Valve Bore Plug
(213)Converter Limit Valve Spring
(214)Converter Limit Valve
(215)Spring Retainer Sleeve
(216)TCC Enable Valve Spring
(217)TCC Enable Valve
(218)Selective Thrust Washer
(219)Oil Seal Ring
(220)Oil Pump Cover Bolt (5)
(221)TCC Valve Bore Plug Retainer Ring
(223)TCC Valve
(224)TCC Valve Spring
(225)TCC Valve Bore Plug
(226)Retainer Ring (Reverse Boost Valve Bushing)
(227)Reverse Boost Valve Bushing
(228)Reverse Boost Valve
(229)Pressure Regulator Spring Retainer
(230)Pressure Regulator Spring
(231)Pressure Regulator Valve
(232)Valve Bore Plug
(232)Valve Bore Plug
(233)Stator Shaft Bushing (Front)
(234)Stator Shaft Bushing (Rear)
(235)Stator Shaft
(236)Orificed Cup Plug (1)
(237)Orificed Cup Plug (1)
(238)Pressure Regulator Spring
(239)Vent Shield
Figure 6:

Control Valve Body Assembly (1 of 2)


Object Number: 54721  Size: SF
(301)Control Valve Body
(302)Pressure Control Solenoid Feed Screen Filter
(303)Coiled Spring Pin
(303)Coiled Spring Pin
(303)Coiled Spring Pin
(303)Coiled Spring Pin
(304)Checkball Plug
(305)Checkball
(305)Checkball
(307)3rd Ball Valve Bushing Seal
(308)3-4 Shift Valve
(309)Shift Valve Return Spring (2-3 and 3-4)
(309)Shift Valve Return Spring (2-3 and 3-4)
(310)Solenoid Bolt (1-2 and 2-3 Shift, Pressure Control Solenoid)
(310)Solenoid Bolt (1-2 and 2-3 Shift, Pressure Control Solenoid)
(311)2-3 Shift Solenoid and O-Ring Assembly
(312)2-3 Shift Valve
(313)1-2 Shift Solenoid and O-Ring Assembly
(314)1-2 Shift Valve
(315)1-2 Shift Valve Return Spring
(316)Shift Solenoid Feed Filter Plug
(317)Shift Solenoid Feed Filter
(318)Low/Reverse Checkball Sleeve
(334)Reverse Ball Valve Bushing
(335)3rd Ball Valve Bushing
Figure 7:

Control Valve Body Assembly (2 of 2)


Object Number: 54726  Size: SF
(301)Control Valve Body
(303)Coiled Spring Pin
(303)Coiled Spring Pin
(310)Solenoid Bolt (1-2 and 2-3 Shift, Pressure Control Solenoid)
(319)Manual Valve
(320)Pressure Control Solenoid
(321)Pressure Control Solenoid Retaining Clamp
(322)PWM Solenoid Retaining Clip
(323)PWM Solenoid Assembly
(324)TCC Regulator Apply Valve
(325)TCC Regulator Apply Valve Spring
(327)Spring Actuator Feed Limit Valve
(328)Actuator Feed Limit Valve
(329)Accumulator Valve Bore Plug
(330)Accumulator Valve Spring
(331)Accumulator Valve
(333)Spring Retainer Plate
Figure 8:

Accumulator Assembly


Object Number: 40656  Size: MF
(49)4th Clutch Accumulator Piston Spring
(50)3rd Clutch Accumulator Piston Spring
(51)Accumulator Housing
(53)Accumulator Housing to Valve Body Bolt
(402)Accumulator Piston Pin Retainer Ring
(404)3rd and 4th Clutch Accumulator Piston Seal
(404)3rd and 4th Clutch Accumulator Piston Seal
(405)3rd Clutch Accumulator Piston
(406)3rd Clutch Accumulator Piston Inner Seal
(407)4th Clutch Accumulator Piston
(408)4th Clutch Accumulator Piston Pin
Figure 9:

Overrun Clutch Assembly


Object Number: 54755  Size: LF
(501)Turbine Shaft Front Oil Seal
(502)Turbine Shaft
(503)Turbine Shaft Rear Oil Seal
(504)Overrun Clutch Housing Assembly
(505)Overrun Clutch Piston Assembly
(506)Spring and Retainer Assembly
(507)Overrun Clutch Spring Retainer Ring
(508)Overrun Clutch Plate
(509)Overrun Clutch Plate Assembly
(510)Overrun Clutch Backing Plate
(511)Overrun Clutch Backing Plate Retainer Ring
(512)Overdrive Roller Clutch Assembly
(513)Overrun Clutch Carrier Assembly Thrust Bearing
(514)Overdrive Carrier Assembly
(515)Pinion Thrust Washer
(515)Pinion Thrust Washer
(516)Pinion Thrust Washer (Steel)
(516)Pinion Thrust Washer (Steel)
(517)Needle Bearing Roller
(518)Overdrive Planetary Pinion Gear
(519)Overdrive Pinion Pin
(520)Pinion Pin Retainer
(521)Pinion Pin Retainer Retaining Ring
(522)Turbine Shaft Retainer Ring
(534)Turbine Shaft Checkball
(537)Overrun Clutch Housing Checkball
Figure 10:

Fourth Clutch Assembly


Object Number: 54723  Size: MF
(523)4th Clutch Backing Plate Retainer Ring
(524)4th Clutch Backing Plate
(525)4th Clutch Plate Assembly
(526)4th Clutch Plate
(527)4th Clutch Seal (Inner)
(528)4th Clutch Piston
(529)4th Clutch Housing
(530)Orifice Plug
(531)4th Clutch Seal (Outer)
(532)4th Clutch Spring and Retainer Assembly
(533)4th Clutch Piston Spring and Retainer Assembly Retainer Ring
Figure 11:

Forward Clutch Assembly


Object Number: 54722  Size: MF
(601)Forward Clutch Carrier Assembly Thrust Bearing
(602)Forward Clutch Housing Assembly
(606)Forward Clutch Piston and Seal Assembly
(607)Spring and Retainer Assembly
(608)Retainer Ring
(609)Forward Clutch Apply Plate (Waved)
(610)Forward Clutch Plate (Steel)
(611)Forward Clutch Plate (Composite)
(612)Thrust Washer (Forward Clutch Hub/Forward Clutch Housing)
(613)Forward Clutch Driven Hub
(614)Thrust Washer (Forward Clutch Hub)
(615)Direct Clutch Driving Hub
(616)Direct Clutch Hub Retaining Ring
(685)Forward Clutch Piston Inner Sleeve and Seal Assembly
Figure 12:

Direct Clutch and Intermediate Sprag Assembly


Object Number: 54724  Size: MF
(537)Checkball
(607)Spring and Retainer Assembly
(608)Direct Clutch Spring Retainer Ring
(609)Direct Clutch Apply Plate (Waved)
(611)Direct Clutch Plate (Composite)
(616)Direct Clutch Backing Plate Retaining Ring
(617)Direct Clutch Backing Plate
(618)Direct Clutch Plate (Steel)
(619)Direct Clutch Piston and Seal Assembly
(622)Direct Clutch Piston Center Seal
(623)Direct Clutch Housing
(624)Intermediate Clutch Sprag Assembly
(625)Intermediate Clutch Sprag Race (Outer)
(626)Intermediate Clutch Sprag Retainer
(627)External Locking Ring
Figure 13:

Intermediate Clutch Plates and Manual 2-1 Band Assembly


Object Number: 40661  Size: SF
(628)Manual 2-1 Band Assembly
(629)Intermediate Clutch Backing Plate Retainer Ring
(630)Intermediate Clutch Backing Plate
(631)Intermediate Clutch Plate Assembly (Composite)
(632)Intermediate Clutch Plate (Steel)
(633)Center Support Retaining Ring
(684)Intermediate Clutch Plate (Waved)
Figure 14:

Center Support and Gear Unit Assembly


Object Number: 54758  Size: LF
(530)Center Support Orifice Plug
(634)Intermediate Clutch Retainer Ring
(635)Intermediate Clutch Spring and Retainer Assembly
(636)Intermediate Clutch Piston
(637)Intermediate Clutch Seal (Inner)
(638)Intermediate Clutch Seal (Outer)
(639)Direct Clutch Housing Oil Seal
(640)Center Support and Race Assembly
(642)Reaction Drum Support Thrust Washer
(643)Center Support Spacer
(644)Roller Clutch Assembly
(646)Thrust Bearing to Center Support Race
(647)Needle Thrust Bearing
(647)Needle Thrust Bearing
(648)Thrust Bearing Race
(648)Thrust Bearing Race
(649)Sun Gear Shaft Assembly
(650)Sun Gear
(651)Reaction Drum and Carrier Assembly
(652)Pinion Thrust Washer (Bronze)
(652)Pinion Thrust Washer (Bronze)
(652)Pinion Thrust Washer (Bronze)
(652)Pinion Thrust Washer (Bronze)
(653)Pinion Thrust Washer (Steel)
(653)Pinion Thrust Washer (Steel)
(653)Pinion Thrust Washer (Steel)
(653)Pinion Thrust Washer (Steel)
(654)Needle Bearing Roller
(654)Needle Bearing Roller
(655)Planetary Pinion Gear
(655)Planetary Pinion Gear
(656)Planetary Pinion Gear Pin
(656)Planetary Pinion Gear Pin
(657)Low and Reverse Band Assembly
(659)Reaction Carrier Front Internal Washer
(660)Output Speed Sensor Ring
(661)Output Carrier Assembly
(662)Transmission Main Shaft
(663)Thrust Bearing to Sun Gear Race
(664)Needle Thrust Bearing to Rear Internal Gear
(665)Thrust Bearing to Rear Internal Gear Race
(666)Rear Internal Gear
(669)Thrust Bearing to Output Shaft Race
(670)Mainshaft Retainer Ring
(671)Output Shaft and Bushing Assembly
(672)Output Shaft Retainer Ring
(673)Output Shaft Thrust Washer
(674)Selective Thrust Washer
(675)Output Shaft Seal
(676)Sun Gear Shaft Bushing
(676)Sun Gear Shaft Bushing
(677)Output Shaft Bushing
(678)Bushing
(681)Reaction Drum Bushing
(682)Transmission Output Shaft Yoke Seal Sleeve
(683)Output Shaft Seal
(690)Center Support Cooler Pipe Connector Seal
Figure 15:

Parking Lock and Actuator Assembly


Object Number: 40663  Size: MF
(701)Parking Pawl Shaft Hole Plug
(702)Parking Lock Pawl Shaft
(703)Parking Lock Pawl
(704)Parking Pawl Shaft Retainer
(705)Parking Pawl Return Spring
(707)Manual Shaft Seal Assembly
(708)Manual Shaft
(708)Manual Shaft
(709)Manual Shaft Retaining Pin
(710)Parking Lock Actuator Assembly
(711)Detent Lever and Pin Assembly
(712)Manual Shaft Nut
(713)Parking Lock Bracket
(714)Parking Lock Bracket Bolt
Figure 16:

Output Shaft Identification


Object Number: 55220  Size: SF
(1)Four Wheel Drive
(2)Fixed Yoke, Heavy Duty
(3)Fixed Yoke
(4)Slip Yoke
(5)Long Heavy Duty Fixed Yoke
Figure 17:

Bushing and Bearing Locations


Object Number: 54725  Size: MF
(77)Case Extension Bushing
(78)Transmission Case Bushing
(202)Pump Body Bushing
(233)Stator Shaft Bushing (Front)
(234)Stator Shaft Bushing (Rear)
(512)Overdrive Roller Clutch Assembly
(513)Overrun Clutch Carrier Assembly Thrust Bearing
(535)Overrun Clutch Housing Bushing
(536)1.12 in. Outside Diameter x 0.50 in. Bushing
(601)Forward Clutch Carrier Assembly Thrust Bearing
(644)Roller Clutch Assembly
(647)Needle Thrust Bearing
(647)Needle Thrust Bearing
(664)Rear Internal Gear Needle Thrust Bearing
(676)Sun Gear Shaft Bushing
(676)Sun Gear Shaft Bushing
(677)Output Shaft Bushing
(678)Bushing
(679)1.536 in. Diameter x 3.52 in. Bushing
(681)Reaction Drum Bushing
Figure 18:

Seal Locations


Object Number: 54763  Size: LF
(2)Turbine Shaft Oil Seal
(5)Oil Pump to Case Seal
(13)Rear Lube Seal Assembly
(15)Extension to Case Seal
(20)Prop Shaft Front Slip Yoke Oil Seal
(20)Prop Shaft Front Slip Yoke Oil Seal
(57)Manual 2-1 Band Servo Piston Seal
(66)Low and Reverse Servo Piston Seal
(67)1-2 Accumulator Piston Oil Seal (Outer)
(69)1-2 Accumulator Piston Oil Seal (Inner)
(201)Torque Converter Oil Seal
(219)Oil Seal Ring
(404)3rd and 4th Clutch Accumulator Piston Seal
(406)3rd Clutch Accumulator Piston Seal (Inner)
(501)Turbine Shaft Front Oil Seal
(503)Turbine Shaft Rear Oil Seal
(505)Overrun Clutch Piston Assembly
(527)Fourth Clutch Seal (Inner)
(531)Fourth Clutch Seal (Outer)
(606)Forward Clutch Piston and Seal Assembly
(619)Direct Clutch Piston and Seal Assembly
(622)Direct Clutch Center Seal
(637)Intermediate Clutch Seal (Inner)
(638)Intermediate Clutch Seal (Outer)
(639)Oil Seal Ring
(685)Forward Clutch Piston Inner Sleeve and Seal Assembly
Figure 19:

Pump Body Fluid Passages (Pump Cover Side)


Object Number: 55234  Size: LF
(1)Suction
(1)Suction
(1)Suction
(2)Line
(2)Line
(2)Line
(2)Line
(2)Line
(2)Line
(2)Line
(3)Regulated Apply
(3)Regulated Apply
(7)Converter Feed
(7)Converter Feed
(8)Regulated Converter Feed
(8)Regulated Converter Feed
(8)Regulated Converter Feed
(9)TCC Enable
(9)TCC Enable
(10)Converter Release
(11)Converter Apply/Return
(12)Cooler
(12)Cooler
(12)Cooler
(14)Torque Signal
(14)Torque Signal
(29)Pump Seal Drainback
(29)Pump Seal Drainback
(30)TCC Signal
(43)Reverse
(43)Reverse
(45)Exhaust
(47)Void
(47)Void
(47)Void
(47)Void
(47)Void
(47)Void
(48)Vent
(48)Vent
(49)Front Lube
Figure 20:

Pump Cover Fluid Passages (Pump Body Side)


Object Number: 54768  Size: LF
(1)Suction
(1)Suction
(1)Suction
(2)Line
(2)Line
(2)Line
(2)Line
(2)Line
(2)Line
(3)Regulated Apply
(3)Regulated Apply
(3)Regulated Apply
(7)Converter Feed
(7)Converter Feed
(7)Converter Feed
(8)Regulated Converter Feed
(8)Regulated Converter Feed
(8)Regulated Converter Feed
(8)Regulated Converter Feed
(9)TCC Enable
(9)TCC Enable
(10)Converter Release
(10)Converter Release
(11)Converter Apply/Return
(11)Converter Apply/Return
(12)Cooler
(12)Cooler
(14)Torque Signal
(14)Torque Signal
(19)Drive
(29)Pump Seal Drainback
(30)TCC Signal
(30)TCC Signal
(40)Overrun Clutch
(43)Reverse
(43)Reverse
(43)Reverse
(45)Exhaust
(45)Exhaust
(47)Void
(47)Void
(48)Vent
(48)Vent
(48)Vent
(49)Front Lube
(208)Plug, Orificed Cup
(236)Plug, Orificed Cup
(237)Plug, Orificed Cup
Figure 21:

Pump Cover Fluid Passages (Case Side)


Object Number: 55253  Size: LF
(1)Suction
(2)Line
(2)Line
(3)Regulated Apply
(12)Cooler
(14)Torque Signal
(19)Drive
(19)Drive
(29)Pump Seal Drainback
(30)TCC Signal
(40)Overrun Clutch
(40)Overrun Clutch
(43)Reverse
(45)Exhaust
(45)Exhaust
(45)Exhaust
(45)Exhaust
(47)Void
(48)Vent
(49)Front Lube
(49)Front Lube
(210)Plug, Orificed Cup
(239)Shield, Vent
Figure 22:

Case Fluid Passages (Pump Cover Side)


Object Number: 54772  Size: LF
(1)Suction
(2)Line
(3)Regulated Apply
(8)Connector, Front Oil Cooler Pipe
(9)Pipe, Vent
(12)Cooler
(12)Cooler
(13)Center Lube
(14)Torque Signal
(19)Drive
(30)TCC Signal
(40)Overrun Clutch
(43)Reverse
(48)Vent
(48)Vent
(90)Connector, Rear Oil Cooler Pipe
Figure 23:

Case Fluid Passages (Control Valve Body Side)


Object Number: 54777  Size: LF
(1)Suction
(1)Suction
(2)Line
(2)Line
(2)Line
(2)Line
(2)Line
(3)Regulated Apply
(3)Regulated Apply
(3)Regulated Apply
(5)Actuator Feed
(5)Actuator Feed
(5)Actuator Feed
(5)Actuator Feed
(12)Cooler
(12)Cooler
(13)Center Lube
(14)Torque Signal
(14)Torque Signal
(14)Torque Signal
(16)PRN (Park Reverse Neutral)
(16)PRN (Park Reverse Neutral)
(17)PRND43
(17)PRND43
(18)PRND4
(19)Drive
(19)Drive
(19)Drive
(20)Filtered Actuator Feed
(20)Filtered Actuator Feed
(20)Filtered Actuator Feed
(22)2-3 Signal
(22)2-3 Signal
(23)2-3 Drive
(23)2-3 Drive
(24)2nd Clutch
(24)2nd Clutch
(24)2nd Clutch
(25)Filtered 2-3 Drive
(26)Accumulator
(26)Accumulator
(26)Accumulator
(28)2nd Accumulator
(28)2nd Accumulator
(30)TCC Signal
(30)TCC Signal
(31)FBA (Front Band Apply)
(31)FBA (Front Band Apply)
(32)3rd Accumulator
(33)3rd Clutch Feed
(34)3rd Clutch
(34)3rd Clutch
(34)3rd Clutch
(34)3rd Clutch
(35)3rd/Reverse
(36)4th Clutch Feed
(37)4th Clutch
(37)4th Clutch
(37)4th Clutch
(37)4th Clutch
(37)4th Clutch
(39)D321
(39)D321
(39)D321
(40)Overrun Clutch
(40)Overrun Clutch
(40)Overrun Clutch
(41)D21
(41)D21
(42)Lo
(42)Lo
(42)Lo
(42)Lo
(43)Reverse
(43)Reverse
(43)Reverse
(43)Reverse
(43)Reverse
(43)Reverse
(44)RBA (Rear Band Apply)
(44)RBA (Rear Band Apply)
(45)Exhaust
(45)Exhaust
(47)Void
(47)Void
(47)Void
(47)Void
(47)Void
(50)Rear Lube
(90)Connector, Rear Oil Cooler Pipe
Figure 24:

Spacer Plate to Case Gasket with Accumulator Housing Gasket


Object Number: 55309  Size: LF
(2)Line
(2)Line
(2)Line
(2)Line
(3)Regulated Apply
(3)Regulated Apply
(5)Actuator Feed
(5)Actuator Feed
(5)Actuator Feed
(5)Actuator Feed
(5)Actuator Feed
(14)Torque Signal
(14)Torque Signal
(14)Torque Signal
(14)Torque Signal
(14)Torque Signal
(16)PRN (Park Reverse Neutral)
(16)PRN (Park Reverse Neutral)
(17)PRND43
(18)PRND4
(18)PRND4
(19)Drive
(19)Drive
(19)Drive
(20)Filtered Actuator Feed
(20)Filtered Actuator Feed
(20)Filtered Actuator Feed
(20)Filtered Actuator Feed
(20)Filtered Actuator Feed
(20)Filtered Actuator Feed
(22)2-3 Signal
(22)2-3 Signal
(23)2-3 Drive
(23)2-3 Drive
(24)2nd Clutch
(24)2nd Clutch
(25)Filtered 2-3 Drive
(26)Accumulator
(26)Accumulator
(26)Accumulator
(26)Accumulator
(26)Accumulator
(26)Accumulator
(26)Accumulator
(28)2nd Accumulator
(30)TCC Signal
(31)FBA (Front Band Apply)
(31)FBA (Front Band Apply)
(31)FBA (Front Band Apply)
(31)FBA (Front Band Apply)
(32)3rd Accumulator
(33)3rd Clutch Feed
(33)3rd Clutch Feed
(34)3rd Clutch
(34)3rd Clutch
(34)3rd Clutch
(35)3rd/Reverse
(36)4th Clutch Feed
(36)4th Clutch Feed
(37)4th Clutch
(37)4th Clutch
(37)4th Clutch
(37)4th Clutch
(37)4th Clutch
(38)4th Accumulator
(39)D321
(39)D321
(39)D321
(39)D321
(40)Overrun Clutch
(41)D21
(41)D21
(42)Lo
(42)Lo
(42)Lo
(42)Lo
(43)Reverse
(43)Reverse
(43)Reverse
(43)Reverse
(43)Reverse
(43)Reverse
(44)RBA (Rear Band Apply)
(45)Exhaust
(45)Exhaust
(45)Exhaust
(45)Exhaust
(47)Void
Figure 25:

Spacer Plate


Object Number: 54780  Size: LF
(2)Line
(2)Line
(2)Line
(2)Line
(3)Regulated Apply
(3)Regulated Apply
(4)Orificed Regulator Apply
(5)Actuator Feed
(5)Actuator Feed
(5)Actuator Feed
(5)Actuator Feed
(5)Actuator Feed
(6)Orificed Actuator Feed
(14)Torque Signal
(14)Torque Signal
(14)Torque Signal
(14)Torque Signal
(16)PRN (Park Reverse Neutral)
(16)PRN (Park Reverse Neutral)
(17)PRND43
(18)PRND4
(18)PRND4
(19)Drive
(19)Drive
(19)Drive
(19)Drive
(19)Drive
(20)Filtered Actuator Feed
(20)Filtered Actuator Feed
(20)Filtered Actuator Feed
(20)Filtered Actuator Feed
(20)Filtered Actuator Feed
(20)Filtered Actuator Feed
(21)1-2 Signal
(22)2-3 Signal
(22)2-3 Signal
(22)2-3 Signal
(23)2-3 Drive
(23)2-3 Drive
(23)2-3 Drive
(24)2nd Clutch
(24)2nd Clutch
(24)2nd Clutch
(24)2nd Clutch
(25)Filtered 2-3 Drive
(26)Accumulator
(26)Accumulator
(26)Accumulator
(26)Accumulator
(26)Accumulator
(26)Accumulator
(26)Accumulator
(26)Accumulator
(26)Accumulator
(26)Accumulator
(27)Orificed Accumulator
(28)2nd Accumulator
(28)2nd Accumulator
(28)2nd Accumulator
(30)TCC Signal
(31)FBA (Front Band Apply)
(31)FBA (Front Band Apply)
(31)FBA (Front Band Apply)
(31)FBA (Front Band Apply)
(32)3rd Accumulator
(32)3rd Accumulator
(32)3rd Accumulator
(33)3rd Clutch Feed
(33)3rd Clutch Feed
(33)3rd Clutch Feed
(34)3rd Clutch
(34)3rd Clutch
(34)3rd Clutch
(34)3rd Clutch
(34)3rd Clutch
(35)3rd/Reverse
(36)4th Clutch Feed
(36)4th Clutch Feed
(37)4th Clutch
(37)4th Clutch
(37)4th Clutch
(37)4th Clutch
(37)4th Clutch
(37)4th Clutch
(38)4th Accumulator
(38)4th Accumulator
(38)4th Accumulator
(39)D321
(39)D321
(39)D321
(39)D321
(39)D321
(40)Overrun Clutch
(40)Overrun Clutch
(40)Overrun Clutch
(41)D21
(42)Lo
(42)Lo
(42)Lo
(42)Lo
(43)Reverse
(43)Reverse
(43)Reverse
(43)Reverse
(43)Reverse
(43)Reverse
(43)Reverse
(43)Reverse
(44)RBA (Rear Band Apply)
(45)Exhaust
(45)Exhaust
(45)Exhaust
(45)Exhaust
(46)Orificed Exhaust
(46)Orificed Exhaust
(47)Void
Figure 26:

Spacer Plate to Control Valve Body Gasket


Object Number: 54627  Size: LF
(2)Line
(2)Line
(2)Line
(2)Line
(3)Regulated Apply
(4)Orificed Regulator Apply
(5)Actuator Feed
(5)Actuator Feed
(5)Actuator Feed
(5)Actuator Feed
(6)Orificed Actuator Feed
(14)Torque Signal
(14)Torque Signal
(14)Torque Signal
(14)Torque Signal
(15)Orificed Torque Signal
(16)PRN (Park Reverse Neutral)
(17)PRND43
(18)PRND4
(18)PRND4
(19)Drive
(19)Drive
(19)Drive
(19)Drive
(20)Filtered Actuator Feed
(20)Filtered Actuator Feed
(20)Filtered Actuator Feed
(20)Filtered Actuator Feed
(21)1-2 Signal
(22)2-3 Signal
(22)2-3 Signal
(22)2-3 Signal
(23)2-3 Drive
(24)2nd Clutch
(24)2nd Clutch
(25)Filtered 2-3 Drive
(26)Accumulator
(26)Accumulator
(26)Accumulator
(27)Orificed Accumulator
(28)2nd Accumulator
(28)2nd Accumulator
(30)TCC Signal
(31)FBA (Front Band Apply)
(31)FBA (Front Band Apply)
(31)FBA (Front Band Apply)
(32)3rd Accumulator
(32)3rd Accumulator
(33)3rd Clutch Feed
(34)3rd Clutch
(34)3rd Clutch
(34)3rd Clutch
(34)3rd Clutch
(35)3rd/Reverse
(36)4th Clutch Feed
(36)4th Clutch Feed
(37)4th Clutch
(37)4th Clutch
(37)4th Clutch
(37)4th Clutch
(38)4th Accumulator
(38)4th Accumulator
(39)D321
(39)D321
(39)D321
(40)Overrun Clutch
(40)Overrun Clutch
(41)D21
(41)D21
(41)D21
(42)Lo
(42)Lo
(42)Lo
(42)Lo
(43)Reverse
(43)Reverse
(43)Reverse
(43)Reverse
(43)Reverse
(43)Reverse
(43)Reverse
(44)RBA (Rear Band Apply)
(45)Exhaust
(45)Exhaust
(46)Orificed Exhaust
(46)Orificed Exhaust
(47)Void
(47)Void
Figure 27:

Control Valve Body Fluid Passages (Case Side)


Object Number: 54783  Size: LF
(2)Line
(2)Line
(2)Line
(2)Line
(2)Line
(2)Line
(3)Regulated Apply
(4)Orificed Regulator Apply
(5)Actuator Feed
(5)Actuator Feed
(5)Actuator Feed
(5)Actuator Feed
(5)Actuator Feed
(5)Actuator Feed
(6)Orificed Actuator Feed
(14)Torque Signal
(14)Torque Signal
(14)Torque Signal
(14)Torque Signal
(14)Torque Signal
(16)PRN (Park Reverse Neutral)
(16)PRN (Park Reverse Neutral)
(17)PRND43
(17)PRND43
(17)PRND43
(18)PRND4
(18)PRND4
(18)PRND4
(18)PRND4
(19)Drive
(19)Drive
(19)Drive
(19)Drive
(19)Drive
(20)Filtered Actuator Feed
(20)Filtered Actuator Feed
(20)Filtered Actuator Feed
(21)1-2 Signal
(21)1-2 Signal
(21)1-2 Signal
(22)2-3 Signal
(22)2-3 Signal
(22)2-3 Signal
(22)2-3 Signal
(23)2-3 Drive
(23)2-3 Drive
(24)2nd Clutch
(25)Filtered 2-3 Drive
(25)Filtered 2-3 Drive
(26)Accumulator
(26)Accumulator
(26)Accumulator
(27)Orificed Accumulator
(28)2nd Accumulator
(30)TCC Signal
(30)TCC Signal
(31)FBA (Front Band Apply)
(31)FBA (Front Band Apply)
(32)3rd Accumulator
(32)3rd Accumulator
(33)3rd Clutch Feed
(34)3rd Clutch
(34)3rd Clutch
(34)3rd Clutch
(35)3rd/Reverse
(36)4th Clutch Feed
(36)4th Clutch Feed
(37)4th Clutch
(37)4th Clutch
(37)4th Clutch
(38)4th Accumulator
(38)4th Accumulator
(39)D321
(39)D321
(40)Overrun Clutch
(40)Overrun Clutch
(41)D21
(41)D21
(41)D21
(42)Lo
(42)Lo
(42)Lo
(42)Lo
(42)Lo
(43)Reverse
(43)Reverse
(43)Reverse
(43)Reverse
(43)Reverse
(43)Reverse
(43)Reverse
(43)Reverse
(44)RBA (Rear Band Apply)
(45)Exhaust
(45)Exhaust
(45)Exhaust
(45)Exhaust
(45)Exhaust
(45)Exhaust
(45)Exhaust
(46)Orificed Exhaust
(46)Orificed Exhaust
(47)Void
(47)Void
(47)Void
(47)Void
(47)Void
(47)Void
(47)Void
(47)Void
(47)Void
(47)Void
(47)Void
(47)Void
(47)Void
(47)Void
(47)Void
(47)Void
(47)Void
(47)Void
(47)Void
(47)Void
(47)Void
(47)Void
(47)Void
(47)Void
(47)Void
(47)Void
(47)Void
(47)Void
(47)Void
(50)Rear Lube