GM Service Manual Online
For 1990-2009 cars only

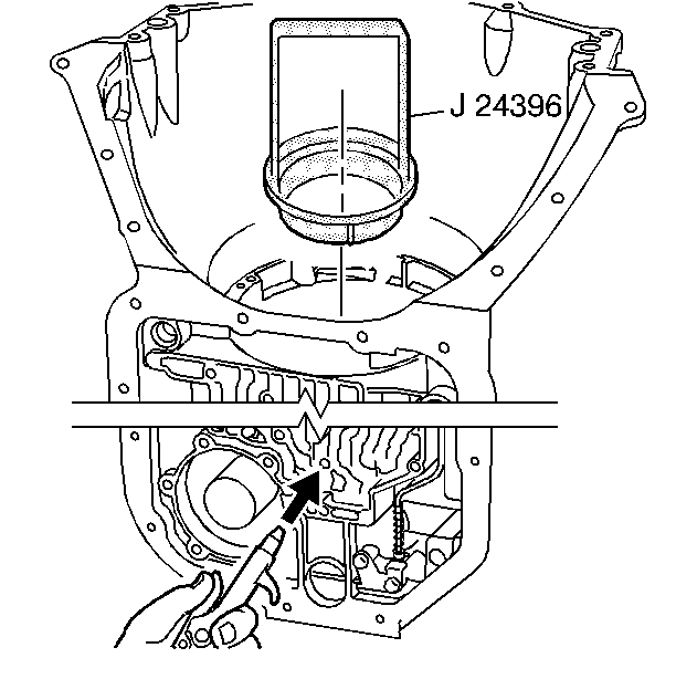
Tools Required

    • J 24396 Intermediate Clutch Pack Alignment Tool
    • J 38733 Direct Clutch Assembly Remover/Installer

    Object Number: 31058  Size: SH
  1. Align the intermediate clutch plates with the J 24396 .
  2. Apply compressed air through the center support bolt hole to apply the intermediate clutch. Continue applying compressed air to hold the intermediate clutch plates in place until the direct clutch assembly is installed.
  3. Remove the J 24396 .

  4. Object Number: 31059  Size: SH
  5. Lower the direct clutch assembly (623) into the transmission case using the J 38733 . Rotating the direct clutch assembly slightly in each direction can make installation easier.
  6. Remove the J 38733 .