GM Service Manual Online
For 1990-2009 cars only

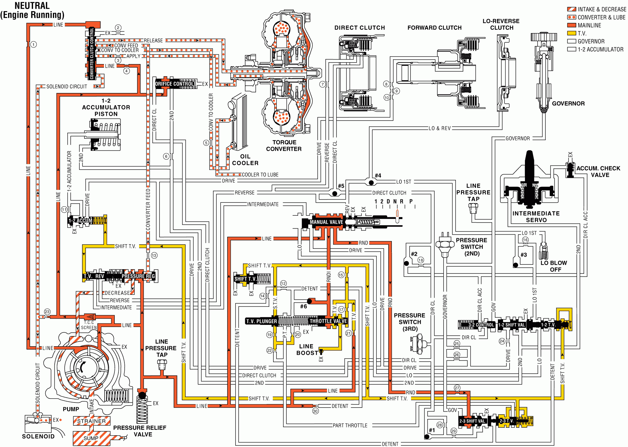
When you move the selector lever to the Neutral (N) position, the manual valve position allows the line pressure to enter two passages as follows:

    • The line pressure enters the Reverse, Neutral, Drive, Intermediate (RNDI) passage. RNDI oil is directed to the seat RNDI and detent check ball (6), and to the throttle valve, where the oil is regulated to a variable pressure called throttle valve (TV) pressure. TV pressure increases with the throttle lever rotation and the pressure is directed to the shift throttle valve. This valve limits the shift TV oil pressure from going above 620 kPa (90 psi).
        Shift TV oil is then directed to the 1-2 and 2-3 throttle valves, the TV boost valve, the TV plunger, and the 1-2 accumulator valve.
        As shift TV oil acts on the TV boost valve, the oil will boost line pressure according to the throttle opening.
    • Line pressure enters the Reverse, Neutral, Drive (RND) passage. The pressure is directed to a land on the 2-3 shift valve.

Summary

The converter is filled; all the clutches and the band are released; the transmission is in Neutral (N).

Neutral (Engine Running)


Object Number: 261564  Size: FS
Case Cover - Valve Body Side
Case Cover - Valve Body Side
Case Cover - Valve Body Side
Case Cover - Valve Body Side
Case Cover - Valve Body Side
Valve Body Passages - Case Cover Side