GM Service Manual Online
For 1990-2009 cars only

Tools Required

J 39061 Converter Seal Installer


    Object Number: 11877  Size: SH
  1. Inspect the drive sprocket support for the following:
  2. • Spline damage
    • Journal damage
    • Bushing damage
    • Blocked converter drain holes

    Object Number: 15620  Size: SH
  3. Place the drive sprocket support (400) in a soft jaw vise. Use a wedge-shaped chisel in order to remove the converter helix seal (403).

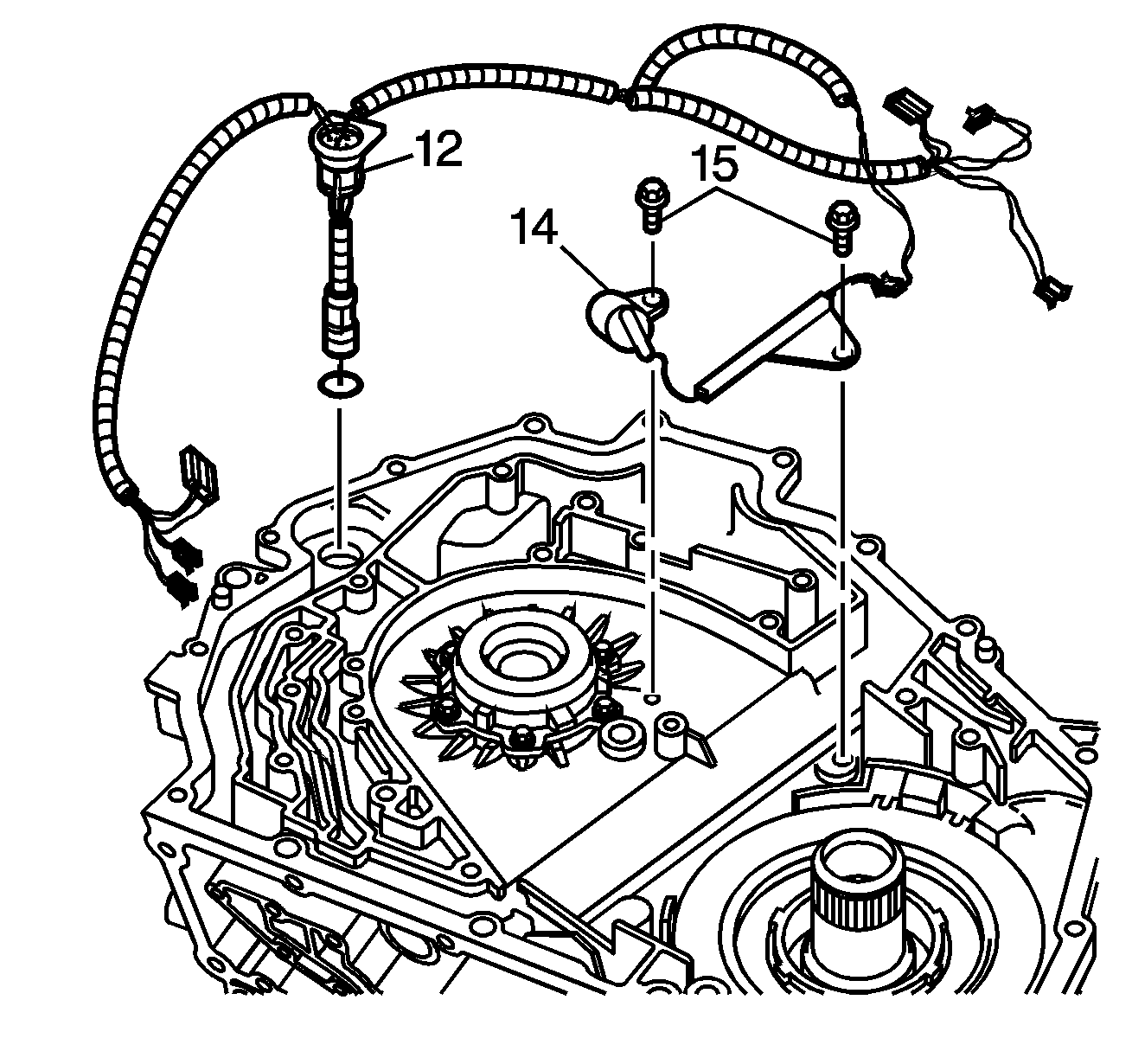
  4. Object Number: 11879  Size: SH
  5. Remove the six 8-mm drive sprocket support bolts (404).
  6. Remove the drive sprocket support (400) and remove the drive sprocket support seal (405).
  7. Install a new drive sprocket support seal. Install the drive sprocket support into the case.
  8. Attach the six 8-mm bolts.
  9. Tighten
    Using a star pattern, tighten the bolts to 11-13 N·m (8.0-9.5 lb ft).

    Refer to Fastener Notice .


    Object Number: 11880  Size: SH
  10. Use theJ 39061 in order to install the new converter helix seal (403).

  11. Object Number: 11866  Size: SH
  12. Inspect the wiring harness for the following:
  13. • Cut or pinched wires
    • Cut wire insulation
    • Bent or broken connectors
  14. Install the wiring harness into the case, with the notch going toward the inside of the case. Make sure that the harness snaps into place at the pass through connector (12). Insert the remainder of the harness into the valleys of the case housing.

  15. Object Number: 11866  Size: SH
  16. Install the input speed sensor (14) and its bolt (15).
  17. Install the input speed sensor wire harness bracket to the center of the case. Install its bolt (15).
  18. Tighten
    Tighten the bolts to 11-13 N·m (8.0-9.5 lb ft).


    Object Number: 11881  Size: SH
  19. Inspect the actuator park lock sleeve for excessive wear. Inspect the actuator rod (21) for a cracked end, a bent rod, or a broken spring.

  20. Object Number: 11882  Size: SH
  21. Inspect the threads on the manual shaft (16). Inspect the machined area of the shaft, where the seal rides, for nicks and burrs.

  22. Object Number: 11874  Size: SH
  23. Install the new manual shaft seal (20) onto the manual shaft.
  24. Install the washer (19) into the case, place the manual shaft (16) through the case. Seat the manual shaft seal with the appropriate socket.

  25. Object Number: 11873  Size: SH
  26. Attach the new detent lever (17), the actuator rod (21) and nut (18) to the manual shaft. Hold the detent lever stationary with a screwdriver in order to prevent bending of the actuator rod. Slide the actuator rod into the actuator park lock sleeve.
  27. Tighten
    Tighten the nut to 27-34 N·m (20-25 lb ft).

  28. Install the detent roller assembly washer (26), the pivot arm, and the sleeves. Start the pivot bolt by hand.
  29. Tighten
    Tighten the pivot bolt to 8-14 N·m (6-10 lb ft).

  30. Install the detent return spring (27) to the detent roller assembly and manual shaft. Install the spring with the small hook end around of the top of the manual shaft.