GM Service Manual Online
For 1990-2009 cars only

Tools Required

    • J 26540 Input Shaft Seal Installer
    • J 8092 Driver Handle
    • J 41679 Bearing Race Installer
    • J 7817 Bearing Installer
    • J 8611-01 Bearing Race Installer
    • J 33373 Shim Selector
    • J 24256-A Bearing Race Installer
    • J 33370 Bearing Race Installer
    • J 26938 Drive Axle Seal Installer
    • J 33374 Bearing Installer
    • J 36037 Outer Bushing Installer
    • J 37159 Inner Bearing Installer
    • J 36190 Driver Handle

Notice: Attach the clutch housing to the transmission holding fixture if the clutch housing was removed during disassembly.


    Object Number: 12446  Size: SH
  1. Install a new input shaft seal using the J 26540 .
  2. Notice: Apply oil to the roller bearing before installation.

  3. Install the input shaft front roller bearing into the clutch housing.

  4. Object Number: 12447  Size: SH
  5. Press the input bearing into the housing. Use the J 41679 with the J 8092 .

  6. Object Number: 12448  Size: SH
  7. Press the output race into the housing. Use the J 7817 with a hammer.

  8. Object Number: 12449  Size: SH
  9. Press the differential race into the housing. Use the J 8611-01 with the J 8092 .

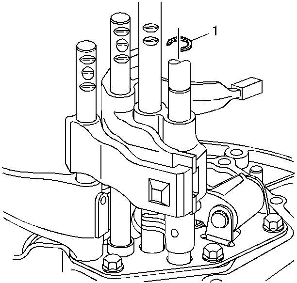
  10. Object Number: 171562  Size: SH
  11. Apply grease to the three 10 mm interlock pins (1).
  12. Install the pins (1) on the clutch housing.

  13. Object Number: 12451  Size: SH
  14. Install the reverse shift bracket on the clutch housing. Align the bracket to the housing using the 3rd/4th shift shaft.
  15. Notice: Use the correct fastener in the correct location. Replacement fasteners must be the correct part number for that application. Fasteners requiring replacement or fasteners requiring the use of thread locking compound or sealant are identified in the service procedure. Do not use paints, lubricants, or corrosion inhibitors on fasteners or fastener joint surfaces unless specified. These coatings affect fastener torque and joint clamping force and may damage the fastener. Use the correct tightening sequence and specifications when installing fasteners in order to avoid damage to parts and systems.

  16. Install the retaining bolts.
  17. Tighten
    Tighten the bolts to 17 N·m (13 lb ft).

  18. Inspect the shift shaft for smooth operation.

  19. Object Number: 403568  Size: SH
  20. Install the differential case assembly.

  21. Object Number: 403634  Size: SH
  22. Install the 3rd/4th gear shift shaft 13 mm lock pin (4).
  23. Install the following items in the clutch housing as one unit:
  24. • The input shaft (2)
    • The output shaft (1)
    • The 3rd/4th gear shift fork (3)
    • The 3rd/4th gear shift shaft (3)
  25. Install the 3rd/4th gear shift shaft (3) in the raised collar of the reverse shift lever bracket.

  26. Object Number: 403641  Size: SH
  27. Install the 1st/2nd gear shift fork (3) on the synchronizer sleeve.
  28. Insert the 1st/2nd gear shift shaft (1) into the reverse shift lever bracket.
  29. Align the hole in the 1st/2nd gear shift fork with the hole in the 1st/2nd gear shift shaft.
  30. Install a new double roll pin (2).

  31. Object Number: 406213  Size: SH
  32. Install the reverse shift lever, clevis, and pin on the reverse shift lever bracket.

  33. Object Number: 403652  Size: SH
  34. Install the reverse shift shaft (1).

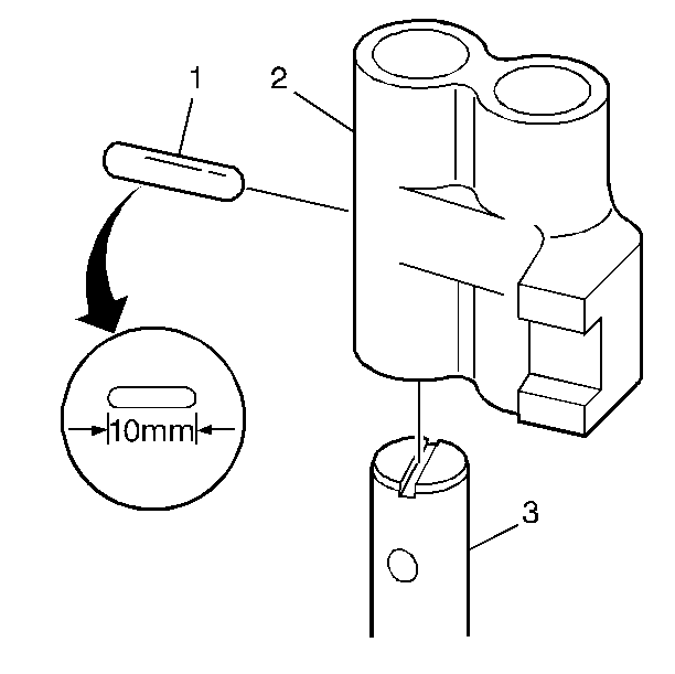
  35. Object Number: 408005  Size: SH
  36. Install the 10 mm interlock pin (1) in the reverse/5th shift gear blocker (2).
  37. Install the reverse/5th gear shift blocker (2) on the 5th gear shift shaft (3).

  38. Object Number: 403647  Size: SH
  39. Install the 12 mm interlock pin (1) on the 5th gear shift shaft.
  40. Install the 5th gear shift shaft (2).
  41. Align the 5th gear shift shaft interlock detent.

  42. Object Number: 406214  Size: SH
  43. Install the reverse shift shaft snap ring.

  44. Object Number: 12433  Size: SH
  45. Install the reverse idle shaft together with the gear into the clutch housing. Ensure that the reverse lever is engaged in the collar of the gear.

  46. Object Number: 403582  Size: SH
  47. Install the rear output shaft bearing race and shim using the J 33370 and the J 8092 .
  48. Refer to Shimming Procedures .

  49. Lubricate the rear differential case bearing race.
  50. Install the rear differential case bearing race and shim using the J 8611-01 and the J 8092 . Press the bearing until sealed in its bore.
  51. Refer to Shimming Procedures .

  52. Install the magnet in the clutch housing.
  53. Clean the clutch housing and transaxle case mating surfaces.
  54. Apply a 3.18 mm (0.125 in) bead of RTV silicone sealer GM P/N 1052942 or equivalent to the mating surfaces.
  55. Install the transaxle case on the clutch housing.
  56. Install the snap ring into the ball bearing groove.
  57. Install the reverse idle shaft bolt into the transaxle case.
  58. Tighten
    Tighten the bolt to 38 N·m (28 lb ft).

  59. Install the transaxle case bolts in a diagonal sequence.
  60. Tighten
    Tighten the bolts to 38 N·m (28 lb ft).


    Object Number: 12452  Size: SH
  61. Install the drive axle seals using the J 26938 with the J 8092 .

  62. Object Number: 462515  Size: SH
  63. Install the drive axle seal into the transaxle case using the J 26938 with the J 8092 .

  64. Object Number: 12453  Size: SH
  65. Lubricate the output shaft thrust washer and the collar.
  66. Install the thrust washer and the collar using the J 33374 .
  67. Install the 5th gear on the input shaft.
  68. The raised machined surface of the 5th gear faces the transmission case.


    Object Number: 168469  Size: SH
  69. Assemble the following items on the hub/sleeve assembly:
  70. • The shift fork (4)
    • The back plate (1)
  71. Install the following items on the output shaft:
  72. • The needle bearing
    • The 5th gear (3)
    • The blocker ring
    • The hub/sleeve assembly (2)
  73. Align the shift fork on the shift shaft.
  74. Lubricate the output gear thrust surfaces.
  75. Install the new pin on the shift shaft.

  76. Object Number: 428249  Size: SH
  77. Install the backup lamp switch.
  78. Tighten
    Backup lamp switch to 33 N·m (24 lb ft)


    Object Number: 104619  Size: SH
  79. Install the reverse detent ball and the reverse detent spring.
  80. Install the reverse detent spring retaining bolt.
  81. Tighten
    The bolts to 25 N·m (18 lb ft).


    Object Number: 403526  Size: SH
  82. Install the detent balls and detent springs for the following:
  83. • The 1st/2nd gear
    • The 3rd/4th gear
    • The 5th gear
  84. Install the following detent retaining bolts:
  85. • The 1st/2nd gear
    • The 3rd/4th gear
    • The 5th gear

    Tighten
    The bolts to 25 N·m (18 lb ft).


    Object Number: 12426  Size: SH
  86. Carefully wipe any oil from the threads on the input and output shafts. Apply Loctiteâ„¢ 414 GM P/N 12345493 or equivalent to the threads of the following parts (Use care not to allow the material to flow into the splines of the 5th gear and input shaft):
  87. Install new input shaft retaining nut.
  88. Tighten
    Tighten the nut to 128 N·m (94 lb ft).

  89. Stake the nut.
  90. Install new output shaft retaining nut.
  91. Tighten
    Tighten the nut to 128 N·m (94 lb ft).

  92. Stake the nut.

  93. Object Number: 168471  Size: SH
  94. Assemble the control box as follows (Make sure that the splines on the stopper cam and the internal lever are aligned):
  95. 58.1. Assemble the stopper cam (1) to the internal lever (2).
    58.2. Install the stopper cam and internal lever on the shift lever assembly.
    58.3. Align the stopper cam alignment mark (3) with the center on the internal lever.
    58.4. Inspect the reverse inhibitor for proper operation.
    58.5. Install a new roll pin on the internal lever.
  96. Clean the control box and the transaxle case mating surface. Apply a 1/8 inch bead of RTV Silicone Sealer GM P/N 1052942 or equivalent to the mating surface.
  97. Install the control box on the transmission case.
  98. Install the control box bolts.
  99. Tighten
    Tighten the bolts to 18 N·m (13 lb ft).

    Notice: Make sure that the transaxle shifts properly before installing the rear cover bolts.

  100. Install a new gasket on the rear cover.
  101. Install the rear cover.
  102. Install the rear cover bolts.
  103. Tighten
    Tighten the bolts to 18 N·m (13 lb ft).


    Object Number: 107639  Size: SH
  104. Measure the input shaft rotating torque. When measuring the input shaft rotating torque, the input shaft should be to the upper side and the differential assembly should be to the lower side.
  105. The input shaft rotating torque should be less than 0.8 N·m (7 lb in).

  106. Object Number: 403585  Size: SH
  107. Install the vehicle speed sensor into the clutch housing.
  108. Install the vehicle speed sensor bolt.
  109. Tighten
    Tighten the bolt to 9 N·m (80 lb in).