GM Service Manual Online
For 1990-2009 cars only

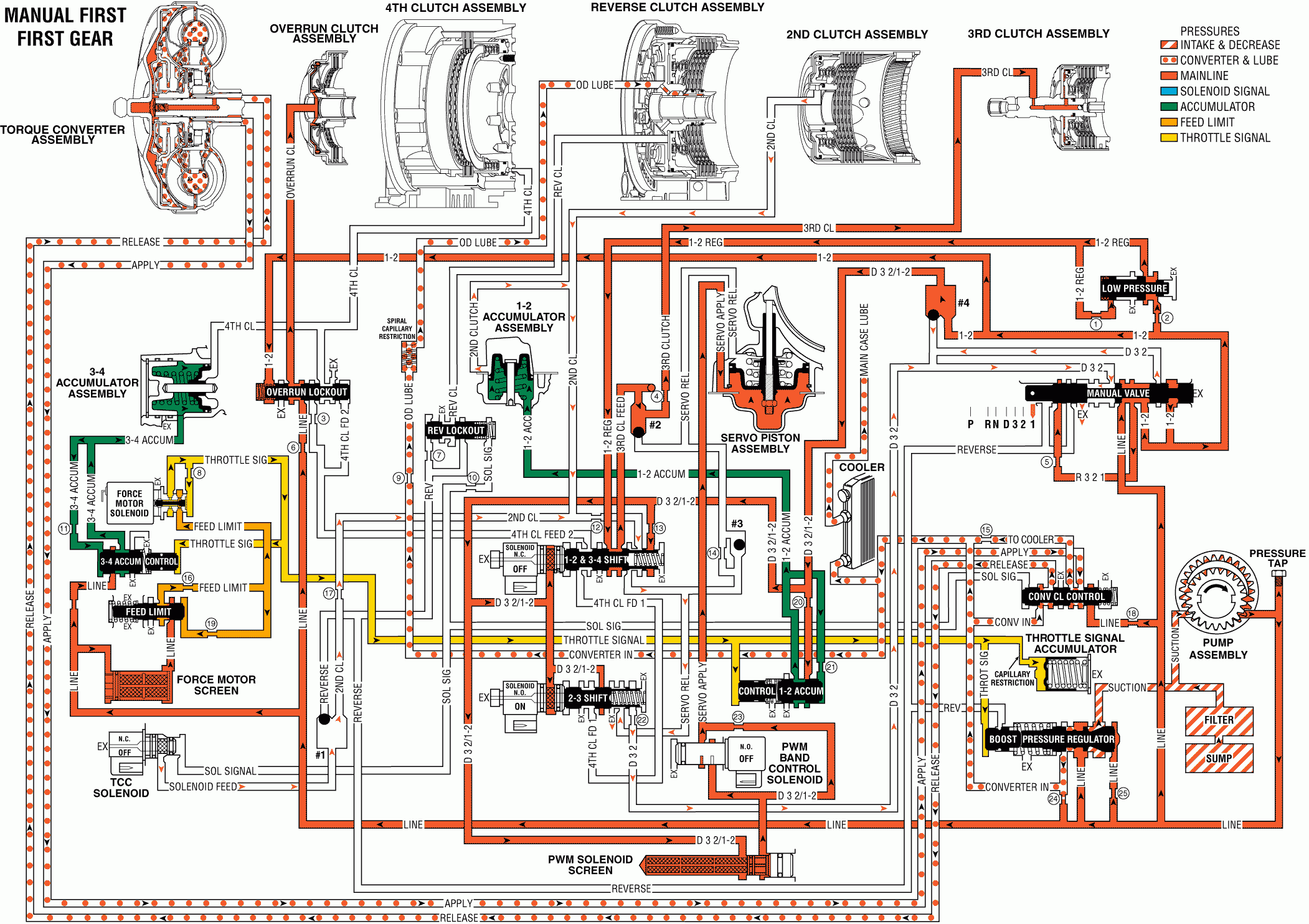
A manual 2-1 downshift can be accomplished by moving the gear selector lever into the Manual First (1) position when the transmission is operating in Second gear. If vehicle speed is below approximately 60 km/h (37 mph), the transmission will shift into First gear. Above this speed the TCM will keep the shift solenoids in a Second gear state and the transmission in Manual First - Second Gear until vehicle speed slows sufficiently. Also, once in first gear, the TCM prevents the transmission from upshifting into second gear. The following text describes the downshift from Manual Second - Second Gear to Manual First - First Gear:

Manual Valve: Line pressure is blocked from entering the D32 fluid circuit and D32 fluid exhausts past the valve. The line pressure fluid circuit is open to feed the 1-2 fluid circuit.

Mode Switch (Electrical): Located on the selector shaft (61), it signals the TCM that the selector lever and manual valve are in the Manual First (1) position.

Checkball #4: 1-2 fluid pressure seats the ball against the empty D32 fluid circuit and continues to feed the D32/1-2 fluid circuit.

1-2/3-4 Shift Solenoid: De-energized by the TCM, the solenoid blocks D32/1-2 fluid pressure from passing through the solenoid. Also, the D32/1-2 fluid at the end of the 1-2/3-4 shift valve is open to an exhaust through the solenoid.

1-2/3-4 Shift Valve:  Without D32/1-2 fluid pressure from the solenoid, spring force moves the valve into the First and Fourth gear position. This blocks D32/1-2 fluid from feeding the 2nd clutch fluid circuit and allows 1-2 regulated fluid to enter the 3rd clutch feed fluid circuit. 2nd clutch fluid exhausts past the valve and through the servo release fluid circuit.

2nd Clutch Releases

2nd Clutch Piston: 2nd clutch fluid exhausts from the piston, thereby releasing the 2nd clutch plates.

1-2 Accumulator Piston: 2nd clutch fluid exhausts from the piston. Spring force and 1-2 accumulator fluid pressure move the piston to the First gear position.

1-2 Accumulator Valve Train: Regulates line pressure into the 1-2 accumulator fluid circuit.

TCC Solenoid: Solenoid feed fluid exhausts from the solenoid, past the checkball #1 (85) and through the 2nd clutch fluid circuit. This prevents the converter clutch from applying under any conditions.

3rd Clutch Applies

Checkball #2: 3rd clutch feed fluid pressure seats the ball against the servo release fluid circuit and is orificed into the 3rd clutch fluid circuit. This orifice helps control the apply rate of the 3rd clutch.

3rd Clutch Piston: 3rd clutch fluid pressure moves the piston to apply the 3rd clutch plates. The 3rd clutch is applied to provide engine compression braking during coast conditions in Manual First - First Gear.

Low Pressure Control Valve: The regulation of 1-2 fluid into 1-2 regulated fluid pressure helps control the 3rd clutch apply rate. 1-2 regulated fluid pressure is approximately one half that of line pressure to provide a slower apply of the 3rd clutch, as compared to the 3rd clutch apply during a 2-3 upshift where the 3rd clutch fluid circuit is fed by servo release fluid. A slower apply is needed in a manual 2-1 downshift because the apply feel of the 3rd clutch is more noticeable than in a 2-3 upshift. This is due to the brake band being applied during a manual 2-1 downshift.

Important:: Third gear is prevented hydraulically by exhausting D32 fluid. Fourth gear is also prevented hydraulically. This is done by routing 1-2 fluid to the overrun lockout valve. 1-2 fluid pressure prevents the overrun lockout valve from shifting into the Fourth gear position under any conditions.

Manual First Gear


Object Number: 260376  Size: FS
Adapter Case, Valve Body Side Fluid Passages
Main Case Valve Body Fluid Pasasges
Main Case, Valve Body Side Fluid Passages
Main Case, Valve Body Side Fluid Passages