GM Service Manual Online
For 1990-2009 cars only

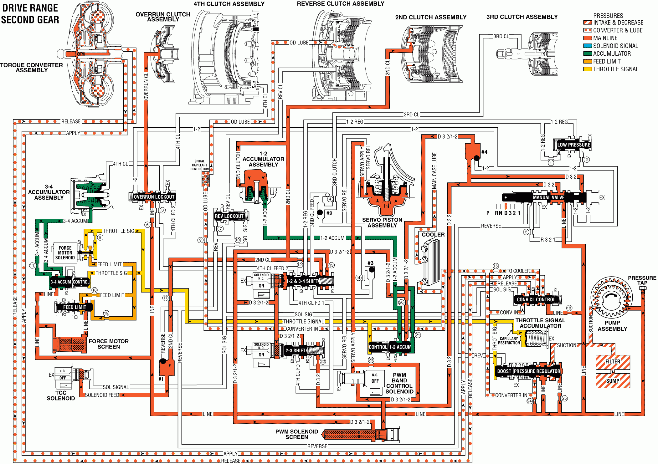
As vehicle speed increases, and when other input signals to the Transmission Control Module (TCM) are appropriate, the TCM energizes the 1-2/3-4 shift solenoid to shift the transmission into Second gear.

1-2/3-4 Shift Solenoid: Energized (turned ON) by the TCM, the solenoid opens and D32/1-2 fluid pressure flows through the solenoid. D32/1-2 fluid pressure acts on the end of the 1-2/3-4 shift valve.

1-2/3-4 Shift Valve: D32/1-2 fluid pressure from the 1-2/3-4 shift solenoid moves the valve against spring force and into the Second and Third gear position. In this position orificed D32/1-2 fluid at the spring end of the valve is routed into the 2nd clutch fluid circuit.

2nd Clutch Applies

2nd Clutch Piston: 2nd clutch fluid flows through another orifice (#20i) and is routed to the 2nd clutch piston. This fluid pressure moves the piston to apply the 2nd clutch plates and obtain Second gear.

1-2 Accumulator Piston: As fluid pressure builds in the 2nd clutch fluid circuit it moves the 1-2 accumulator piston against spring force and 1-2 accumulator fluid pressure. This action absorbs initial 2nd clutch fluid pressure to cushion the 2nd clutch apply. Also, the movement of the accumulator piston forces some 1-2 accumulator fluid out of the accumulator assembly.

1-2 Accumulator Valve Train: Regulates the exhaust rate of excess 1-2 accumulator fluid past the 1-2 accumulator valve (320) and through an exhaust port. This fluid regulation is controlled by orificed accumulator fluid pressure moving the valve train against throttle signal fluid pressure acting on the 1-2 accumulator control valve (318).

Checkball #1:  2nd clutch fluid pressure seats the checkball against the empty reverse fluid circuit and fills the solenoid feed fluid circuit. The reverse shuttle valve is located in the transmission adapter case.

Torque Converter Clutch (TCC) Solenoid: Under normal operating conditions the TCM keeps the normally closed solenoid de-energized (OFF) in Second gear. This blocks solenoid feed fluid and keeps the solenoid signal fluid circuit open to an exhaust through the solenoid, thereby preventing TCC apply.

Important:: On some applications the TCC is applied in Second Gear if transmission fluid temperatures become excessively high.

2-3 Shift Solenoid: Energized (ON) as in First Gear, the solenoid is closed and blocks D32/1-2 fluid pressure from acting on the 2-3 shift valve.

2-3 Shift Valve: As in First gear, spring force and D32 fluid pressure hold the valve in the First and Second gear position. D32/1-2 fluid remains blocked by the middle land of the valve.

Overdrive Range, Second Gear


Object Number: 260368  Size: FS
Adapter Case, Valve Body Side Fluid Passages
Main Case Valve Body Fluid Pasasges
Main Case, Valve Body Side Fluid Passages
Main Case, Valve Body Side Fluid Passages